电脑桌面
添加小米粒文库到电脑桌面
安装后可以在桌面快捷访问

医疗器械产品技术要求

医疗器械产品技术要求_第1页
1/8
医疗器械产品技术要求_第2页
2/8
医疗器械产品技术要求_第3页
3/8
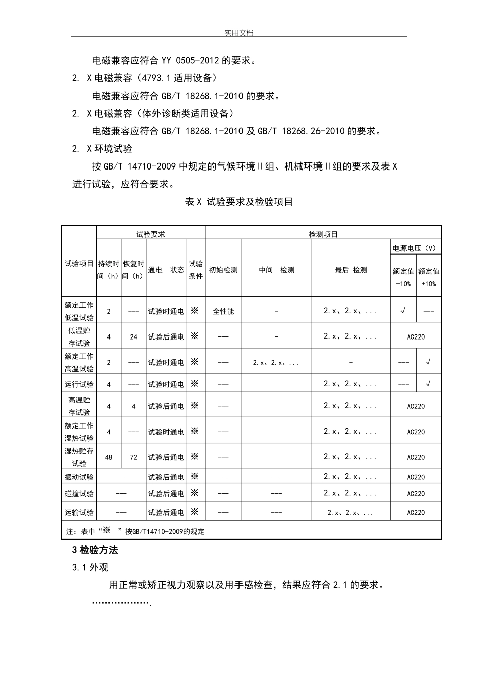
实用文档医疗器械产品技术要求编号:XXXXXX1 产品型号/规格及其划分说明1.1 型号命名P 2 0 0设计序号产品代号1.2 结构组成(不同型号如有结构组成的差异,应分型号列明)XXXXXX(以下简称 XX)主要有 X 射线管组件(组合式)、限束器、操作台、影像处理系统、C 形臂及可移动机架、医用 X 射线影像增强器组成。1.3 型号说明(如有多个型号此条适用,列表标明型号间差异)表 1型号说明1.4 工作条件a)环境温度:10℃-40℃;b)相对湿度:30%-75%;c)大气压力:700 hPa-1060 hPa。d)电源:AC 220V±22V;50Hz±1Hze)额定输入功率:xxVA。2 性能指标2.1 外观2.2XXX……….2. X 安全要求XXX 安全要求应符合 GB 9706.1-2007 的要求,产品主要特征见附录 C。(9706.1 适用设备)XXX 安全要求应符合 GB 4793.1-2007 的要求,产品主要特征见附录 C。(4793.1 适用设备)2. X 电磁兼容(9706.1 适用设备)实用文档电磁兼容应符合 YY 0505-2012 的要求。2. X 电磁兼容(4793.1 适用设备)电磁兼容应符合 GB/T 18268.1-2010 的要求。2. X 电磁兼容(体外诊断类适用设备)电磁兼容应符合 GB/T 18268.1-2010 及 GB/T 18268.26-2010 的要求。2. X 环境试验按 GB/T 14710-2009 中规定的气候环境Ⅱ组、机械环境Ⅱ组的要求及表 X进行试验,应符合要求。表 X 试验要求及检验项目试验要求检测项目电源电压(V)试验项目 持续时 恢复时试验通电状态初始检测间(h)间(h)条件中间检测最后 检测额定值 额定值-10%额定工作低温试验低温贮存试验额定工作高温试验运行试验高温贮存试验额定工作湿热试验湿热贮存试验振动试验碰撞试验运输试验注:表中“※+10%2---试验时通电 ※24试验后通电 ※---试验时通电 ※---试验时通电 ※4试验后通电 ※全性能-2.x、2.x、...2.x、2.x、...-√---4----AC220244---------2.x、2.x、...------√√2.x、2.x、...2.x、2.x、...2.x、2.x、...2.x、2.x、...2.x、2.x、...2.x、2.x、...2.x、2.x、...AC2204---试验时通电 ※72试验后通电 ※---------试验后通电 ※试验后通电 ※试验后通电 ※---AC22048---------------------AC220AC220AC220AC220”按GB/T14710-2009的规定3 检验方法3.1 外观用正常或矫正视力观察以及用手感检查,结果应符合 2.1 的要求。……………….实用文档3.X 安全要求按GB 9706.1—2007中的规定进行。(9706.1适用设备)按GB 479...

1、当您付费下载文档后,您只拥有了使用权限,并不意味着购买了版权,文档只能用于自身使用,不得用于其他商业用途(如 [转卖]进行直接盈利或[编辑后售卖]进行间接盈利)。
2、本站所有内容均由合作方或网友上传,本站不对文档的完整性、权威性及其观点立场正确性做任何保证或承诺!文档内容仅供研究参考,付费前请自行鉴别。
3、如文档内容存在违规,或者侵犯商业秘密、侵犯著作权等,请点击“违规举报”。

碎片内容

医疗器械产品技术要求

您可能关注的文档

爱的疯狂+ 关注
实名认证
内容提供者

该用户很懒,什么也没介绍

确认删除?
VIP
微信客服
  • 扫码咨询
会员Q群
  • 会员专属群点击这里加入QQ群
客服邮箱
回到顶部