电脑桌面
添加小米粒文库到电脑桌面
安装后可以在桌面快捷访问

园林园路检验批

园林园路检验批_第1页
1/9
园林园路检验批_第2页
2/9
园林园路检验批_第3页
3/9
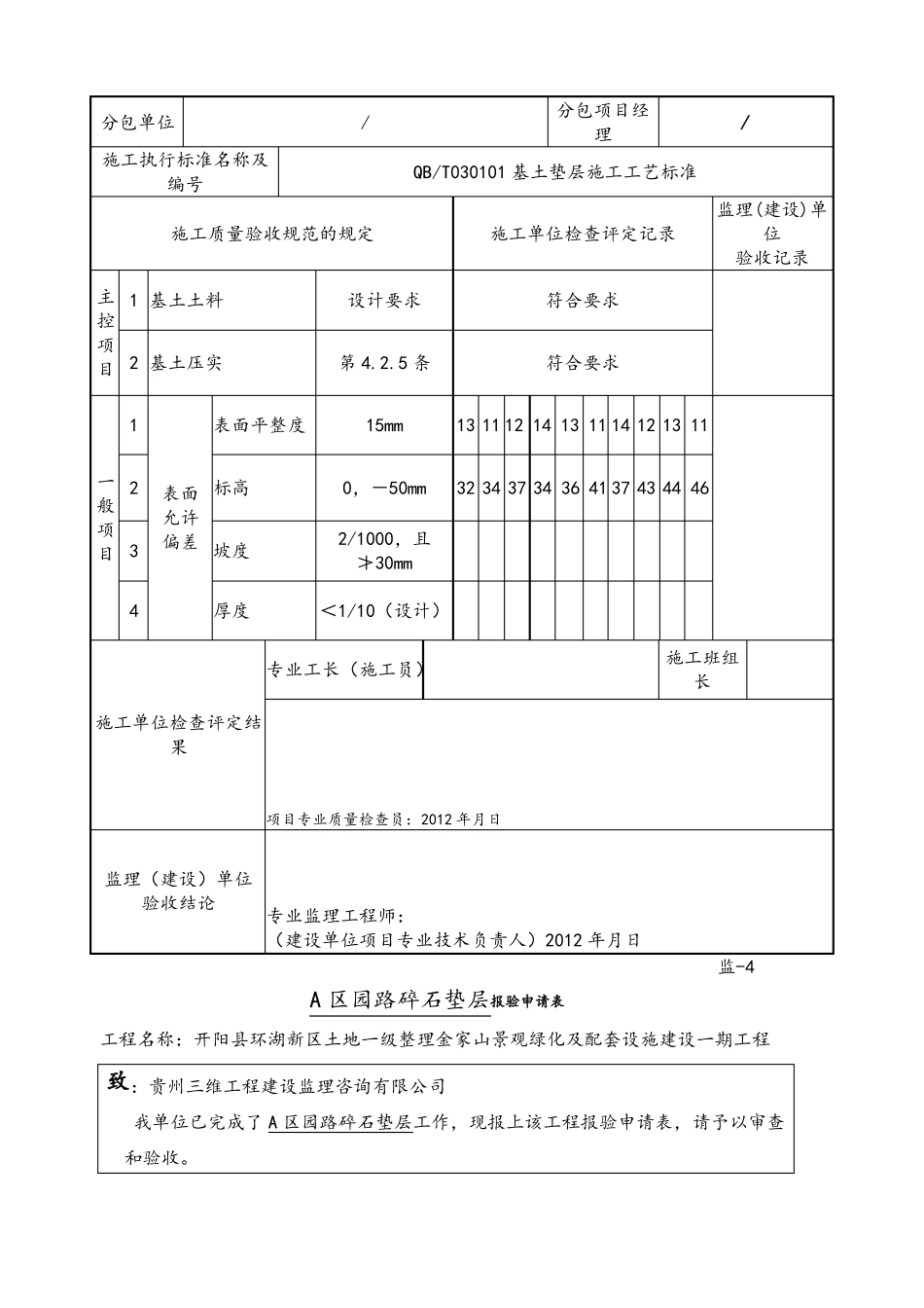
监 -4A 区园路素土夯实报验申请表工程名称:开阳县环湖新区土地一级整理金家山景观绿化及配套设施建设一期工程致:贵州三维工程建设监理咨询有限公司我单位已完成了 A 区园路素土夯实工作,现报上该工程报验申请表,请予以审查和验收。附件:1、基土工程检验批质量验收记录表2、素土压实度试验报告3、密实度试验报告承包单位(章)项目经理日期审查意见:项目监理机构总/专业监理工程师日期基土工程检验批质量验收记录表GB50209—2002单位(子单位)工程名 开阳县环湖新区土地一级整理金家山景观绿化及配套设施建设一期称工程分部(子分部)工程名A 区园路验收部位素土夯实称施工单位贵州建工建筑装饰环境绿化工程有限公司项目经理李林分包单位施工执行标准名称及编号/分包项目经理QB/T030101 基土垫层施工工艺标准施工单位检查评定记录/施工质量验收规范的规定主 1 基土土料控项目 2 基土压实1表面平整度监理(建设)单位验收记录设计要求第 4.2.5 条15mm0,-50mm2/1000,且≯30mm符合要求符合要求13 11 12 14 13 11 14 12 13 1132 34 37 34 36 41 37 43 44 46一 2表面 标高般允许项偏差 坡度目 34厚度<1/10(设计)专业工长(施工员)施工班组长施工单位检查评定结果项目专业质量检查员:2012 年月日监理(建设)单位验收结论专业监理工程师:(建设单位项目专业技术负责人)2012 年月日监-4A 区园路碎石垫层报验申请表工程名称:开阳县环湖新区土地一级整理金家山景观绿化及配套设施建设一期工程致:贵州三维工程建设监理咨询有限公司我单位已完成了 A 区园路碎石垫层工作,现报上该工程报验申请表,请予以审查和验收。附件:1、碎石垫层检验批质量验收记录表承包单位(章)项目经理日期审查意见:项目监理机构总/专业监理工程师日期碎石垫层工程检验批质量验收记录表GB50202-2002单位(子单位)工程名称分项工程名称施工单位分包单位施工执行标准名称及编号开阳县环湖新区土地一级整理金家山景观绿化及配套设施建设一期工程A 区园路验收部位项目经理分包项目经理碎石垫层李林/贵州建工建筑装饰环境绿化工程有限公司/《建筑地基基础工程施工质量验收规范》(GB50202-2002)监理(建设)单位验收记录施工质量验收规范的规定主控项目一般项2312配合比压实系数砂石料有机质含量(%)砂石料含泥量(%)设计要求设计要求≤5≤5施工单位检查评定记录符合设计和规范要求符合设计和规范要求符合设计和规范要求1地...

1、当您付费下载文档后,您只拥有了使用权限,并不意味着购买了版权,文档只能用于自身使用,不得用于其他商业用途(如 [转卖]进行直接盈利或[编辑后售卖]进行间接盈利)。
2、本站所有内容均由合作方或网友上传,本站不对文档的完整性、权威性及其观点立场正确性做任何保证或承诺!文档内容仅供研究参考,付费前请自行鉴别。
3、如文档内容存在违规,或者侵犯商业秘密、侵犯著作权等,请点击“违规举报”。

碎片内容

园林园路检验批

确认删除?
VIP
微信客服
  • 扫码咨询
会员Q群
  • 会员专属群点击这里加入QQ群
客服邮箱
回到顶部