电脑桌面
添加小米粒文库到电脑桌面
安装后可以在桌面快捷访问

第三章生物载体挂膜试验及机理分析

第三章生物载体挂膜试验及机理分析_第1页
1/22
第三章生物载体挂膜试验及机理分析_第2页
2/22
第三章生物载体挂膜试验及机理分析_第3页
3/22
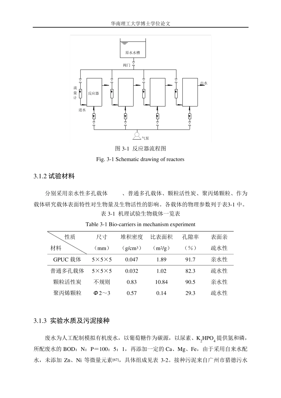
第三章 生物载体挂膜试验及机理分析 1 第三章 生物载体挂膜试验及机理分析 3.1 概述 微生物膜是由固定在其附着生长的生物载体上并经常镶嵌在有机多聚物结构中的细胞组成,具有纤维状的缠绕结构,对生物载体移动床性能有着重要的影响。因此,生物载体挂膜性能的好坏直接关系到生物反应器污水处理效果。本章采用GPUC 载体、普通多孔载体、颗粒活性炭、聚丙烯颗粒4种不同载体的生物挂膜实验,分析了生物载体材质、结构、表面特性、外部环境对生物载体挂膜过程的影响,探讨生物载体―生物膜界面作用,在此基础上讨论动态环境下生物载体吸附微生物机理。 3.1 实验材料与方法 3.1.1 实验装置 采用小型生物反应器进行实验研究,实验流程如图 2-1 所示。实验装置由四个小反应器、四个液体流量计、四个气体流量计、四个曝气器、水泵、气泵、控制阀门等组成。污水由水槽连续输送到四个小反应器,流量由液体流量计控制,保持各反应器污水流量相同;通过气泵向四个小反应器内曝气,曝气量由气体流量计控制,保持各反应器曝气量相同。曝气器位于反应器底部中央,污水进口位于反应器底部的一侧壁。实验装置的运行参数:每个反应器的有效容积为 2L,废水流量 80mL/min,曝气量 1L/min,每个反应器内充填生物载体的体积为 300mL。 华南理工大学博士学位论文 2 原水水槽量流计进水出水阀门气泵反应器 图3-1 反应器流程图 Fig. 3-1 Schematic drawing of reactors 3.1.2 试验材料 分别采用亲水性多孔载体-GPUC、普通多孔载体、颗粒活性炭、聚丙烯颗粒、作为载体研究载体表面特性对生物量及生物活性的影响。各载体的物理参数列于表3-1 中。 表3-1 机理试验生物载体一览表 Table 3-1 Bio-carriers in mechanism experiment 性质 材料 尺寸 (mm) 堆积密度 (g/cm3) 比表面积 (m2/g) 孔隙率 (%) 表面亲 疏水性 GPUC 载体 5×5×5 0.047 1.89 91.7 亲水性 普通多孔载体 5×5×5 0.032 1.02 82.3 疏水性 颗粒活性炭 不规则 0.83 10.84 90.5 亲水性 聚丙烯颗粒 Ф 2~3 0.57 0.14 29.3 疏水性 3.1.3 实验水质及污泥接种 废水为人工配制模拟有机废水,以葡萄糖作为碳源,以尿素、K2HPO4 提供氮和磷,所配废水的BOD:N:P=100:5:1,再添加一定的Ca、Mg、Fe,由于采用自来水配水,未添加 Zn、Ni 等微量元素[67],具体组成见表3-2。接种污泥来自广州市猎德污水第三章 生物载...

1、当您付费下载文档后,您只拥有了使用权限,并不意味着购买了版权,文档只能用于自身使用,不得用于其他商业用途(如 [转卖]进行直接盈利或[编辑后售卖]进行间接盈利)。
2、本站所有内容均由合作方或网友上传,本站不对文档的完整性、权威性及其观点立场正确性做任何保证或承诺!文档内容仅供研究参考,付费前请自行鉴别。
3、如文档内容存在违规,或者侵犯商业秘密、侵犯著作权等,请点击“违规举报”。

碎片内容

第三章生物载体挂膜试验及机理分析

小辰4+ 关注
实名认证
内容提供者

出售各种资料和文档

确认删除?
VIP
微信客服
  • 扫码咨询
会员Q群
  • 会员专属群点击这里加入QQ群
客服邮箱
回到顶部