电脑桌面
添加小米粒文库到电脑桌面
安装后可以在桌面快捷访问

30米梯形钢屋架钢课程设计计算书

30米梯形钢屋架钢课程设计计算书_第1页
1/15
30米梯形钢屋架钢课程设计计算书_第2页
2/15
30米梯形钢屋架钢课程设计计算书_第3页
3/15
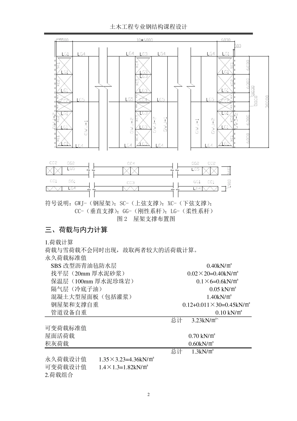
土木工程专业钢结构课程设计 1 钢结构课程设计 -、设计资料 1、已知条件:梯形钢屋架跨度30m,长度72m,柱距6m。该车间内设有两台200/50 kN 中级工作制吊车,轨顶标高为8.000 m。冬季最低温度为-20℃,地震设计烈度为6 度,设计基本地震加速度为0.1g。采用1.5m×6m 预应力混凝土大型屋面板,80mm 厚泡沫混凝土保温层,卷材屋面,屋面坡度i=1/10。屋面活荷载标准值为0.7 kN/m 2,雪荷载标准值为0.65 kN/m 2。屋架铰支在钢筋混凝土柱上,上柱截面为400 mm×400 mm,混凝土标号为C25。钢材采用Q235B 级,焊条采用E43 型。 2、屋架计算跨度: Lo=30 -2×0.15=29.7m , 3、跨中及端部高度: 端部高度:h`=1900mm (轴线处),h=1915mm (计算跨度处)。 屋架的中间高度h=3400mm ,屋架跨中起拱按 Lo/500 考虑,取 60mm。 二、结构形式与布置 屋架形式及几何尺寸见图 1 所示,支撑布置见图 2 所示。 图 1 屋架形式及几何尺寸 土木工程专业钢结构课程设计 2 符号说明:GWJ-(钢屋架);SC-(上弦支撑):XC-(下弦支撑); CC-(垂直支撑);GG-(刚性系杆);LG-(柔性系杆) 图2 屋架支撑布置图 三、荷载与内力计算 1.荷载计算 荷载与雪荷载不会同时出现,故取两者较大的活荷载计算。 永久荷载标准值 SBS 改型沥青油毡防水层 0.40kN/㎡ 找平层(20m m 厚水泥砂浆) 0.02×20=0.40kN/㎡ 保温层(100m m 厚水泥珍珠岩) 0.1×6=0.6kN/㎡ 隔气层(冷底子油) 0.05 kN/㎡ 混凝土大型屋面板(包括灌浆) 1.40kN/㎡ 钢屋架和支撑自重 0.12+0.011×30=0.45kN/㎡ 管道设备自重 0.10 kN/㎡ 总计 3.23kN/㎡` 可变荷载标准值 屋面活荷载 0.70 kN/㎡ 积灰荷载 0.60kN/㎡ 总计 1.3kN/㎡ 永久荷载设计值 1.35×3.23=4.36kN/㎡ 可变荷载设计值 1.4×1.3=1.82kN/㎡ 2.荷载组合 土木工程专业钢结构课程设计 3 设计屋架时,应考虑以下三种组合: ① 全跨永久荷载+全跨可变荷载 全跨节点永久荷载及可变荷载: F=(4.36+1.82) ×1.5×6=55.62kN ② 全跨永久荷载+半跨可变荷载 全跨节点永久荷载: F1=4.36×1.5×6=39.24 kN 半跨节点可变荷载: F2=1.82×1.5×6=16.38 kN ③ 全跨屋架及支撑自重+半跨大型屋面板重+半跨屋面活荷载 全跨节点屋架及支撑自重: F3 =0.45×1.35×1.5×6=5.47kN 半跨大型屋面板重及活荷载: F4=(1.4×1.35+0.7×1.4) ×1.5×6=...

1、当您付费下载文档后,您只拥有了使用权限,并不意味着购买了版权,文档只能用于自身使用,不得用于其他商业用途(如 [转卖]进行直接盈利或[编辑后售卖]进行间接盈利)。
2、本站所有内容均由合作方或网友上传,本站不对文档的完整性、权威性及其观点立场正确性做任何保证或承诺!文档内容仅供研究参考,付费前请自行鉴别。
3、如文档内容存在违规,或者侵犯商业秘密、侵犯著作权等,请点击“违规举报”。

碎片内容

30米梯形钢屋架钢课程设计计算书

小辰9+ 关注
实名认证
内容提供者

出售各种资料和文档

确认删除?
VIP
微信客服
  • 扫码咨询
会员Q群
  • 会员专属群点击这里加入QQ群
客服邮箱
回到顶部