电脑桌面
添加小米粒文库到电脑桌面
安装后可以在桌面快捷访问

635kV电缆参数VIP专享

635kV电缆参数_第1页
1/22
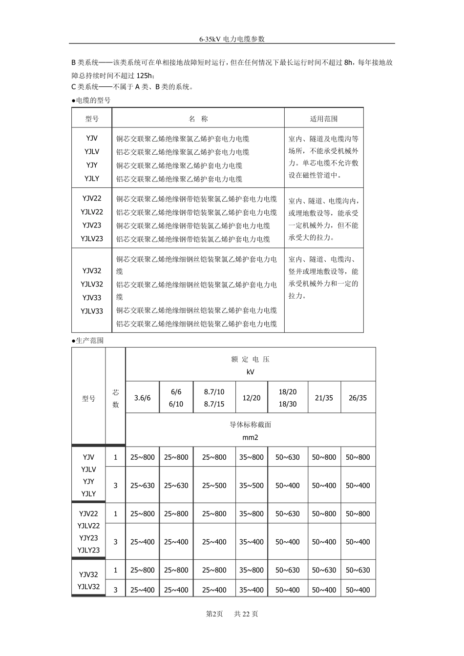
635kV电缆参数_第2页
2/22
635kV电缆参数_第3页
3/22
6-35kV 电力电缆参数 第1页 共22 页 6—35kV 交联聚乙烯绝缘电力电缆 ●产品标准 本产品按GB/T12706《额定电压1kV~35kV 挤出绝缘电力电缆及附件》标准生产,同时还可根据用户需要按国际电工委员会推荐标准IEC、英国标准、德国标准及美国标准生产。 ●适用范围 本产品适用于工频额定电压3.6/6kV~26/35kV 输配电线路作配送电能之用。 ●使用特性 · 工频额定电压U0/U 为3.6/6kV~26/35kV。 · 电缆导体的最高允许工作温度:90℃。 · 短路时(最长时间不超过 5s)电缆导体的最高温度不超过 250℃。 · 电缆敷设时环境温度应不低于0℃。 · 电缆弯曲直径:三芯电缆不小于电缆外径 15 倍;单芯电缆不小于电缆外径 20 倍。 ●电缆额定电压的选择 · 电缆的额定电压应适合于电缆系统的运行状况,用U0/U(Um) kV 表示。 U0-电缆设计用的导体对地或金属屏蔽之间的额定工频电压; U-电缆设计用的导体间的额定工频电压; Um-设备可承受的“最高系统电压”的最大值。 三相系统用电缆的U0 值推荐如下表: 系统电压(U) kV 系统最高电压(Um) kV 额定电压(U0)* kV A 和 B 类系统 C 类系统 6 10 15 20 30 35 7.2 12 17.5 24 36 40.5 3.6 6 8.7 12 18 21 6 8.7 12 18 - 26 *:A 类系统──该类系统任何一相导体与地和接地导体接触时,能在 1min 内与系统分离; 6-35kV 电力电缆参数 第2页 共22 页 B 类系统──该类系统可在单相接地故障短时运行,但在任何情况下最长运行时间不超过 8h,每年接地故障总持续时间不超过 125h; C 类系统──不属于 A 类、B 类的系统。 ●电缆的型号 型号 名 称 适用范围 YJV YJLV YJY YJLY 铜芯交联聚乙烯绝缘聚氯乙烯护套电力电缆 铝芯交联聚乙烯绝缘聚氯乙烯护套电力电缆 铜芯交联聚乙烯绝缘聚乙烯护套电力电缆 铝芯交联聚乙烯绝缘聚乙烯护套电力电缆 室内、隧道及电缆沟等场所,不能承受机械外力。单芯电缆不允许敷设在磁性管道中。 YJV22 YJLV22 YJV23 YJLV23 铜芯交联聚乙烯绝缘钢带铠装聚氯乙烯护套电力电缆 铝芯交联聚乙烯绝缘钢带铠装聚氯乙烯护套电力电缆 铜芯交联聚乙烯绝缘钢带铠装氯乙烯护套电力电缆 铝芯交联聚乙烯绝缘钢带铠装氯乙烯护套电力电缆 室内、隧道、电缆沟内,或埋地敷设等,能承受一定机械外力,但不能承受大的拉力。 YJV32 YJLV32 YJV33 YJLV33 铜芯交联聚乙烯绝缘细钢...

1、当您付费下载文档后,您只拥有了使用权限,并不意味着购买了版权,文档只能用于自身使用,不得用于其他商业用途(如 [转卖]进行直接盈利或[编辑后售卖]进行间接盈利)。
2、本站所有内容均由合作方或网友上传,本站不对文档的完整性、权威性及其观点立场正确性做任何保证或承诺!文档内容仅供研究参考,付费前请自行鉴别。
3、如文档内容存在违规,或者侵犯商业秘密、侵犯著作权等,请点击“违规举报”。

碎片内容

635kV电缆参数

确认删除?
VIP
微信客服
  • 扫码咨询
会员Q群
  • 会员专属群点击这里加入QQ群
客服邮箱
回到顶部