电脑桌面
添加小米粒文库到电脑桌面
安装后可以在桌面快捷访问

74LS138与74LS161组成流水灯数电课程设计

74LS138与74LS161组成流水灯数电课程设计_第1页
1/8
74LS138与74LS161组成流水灯数电课程设计_第2页
2/8
74LS138与74LS161组成流水灯数电课程设计_第3页
3/8
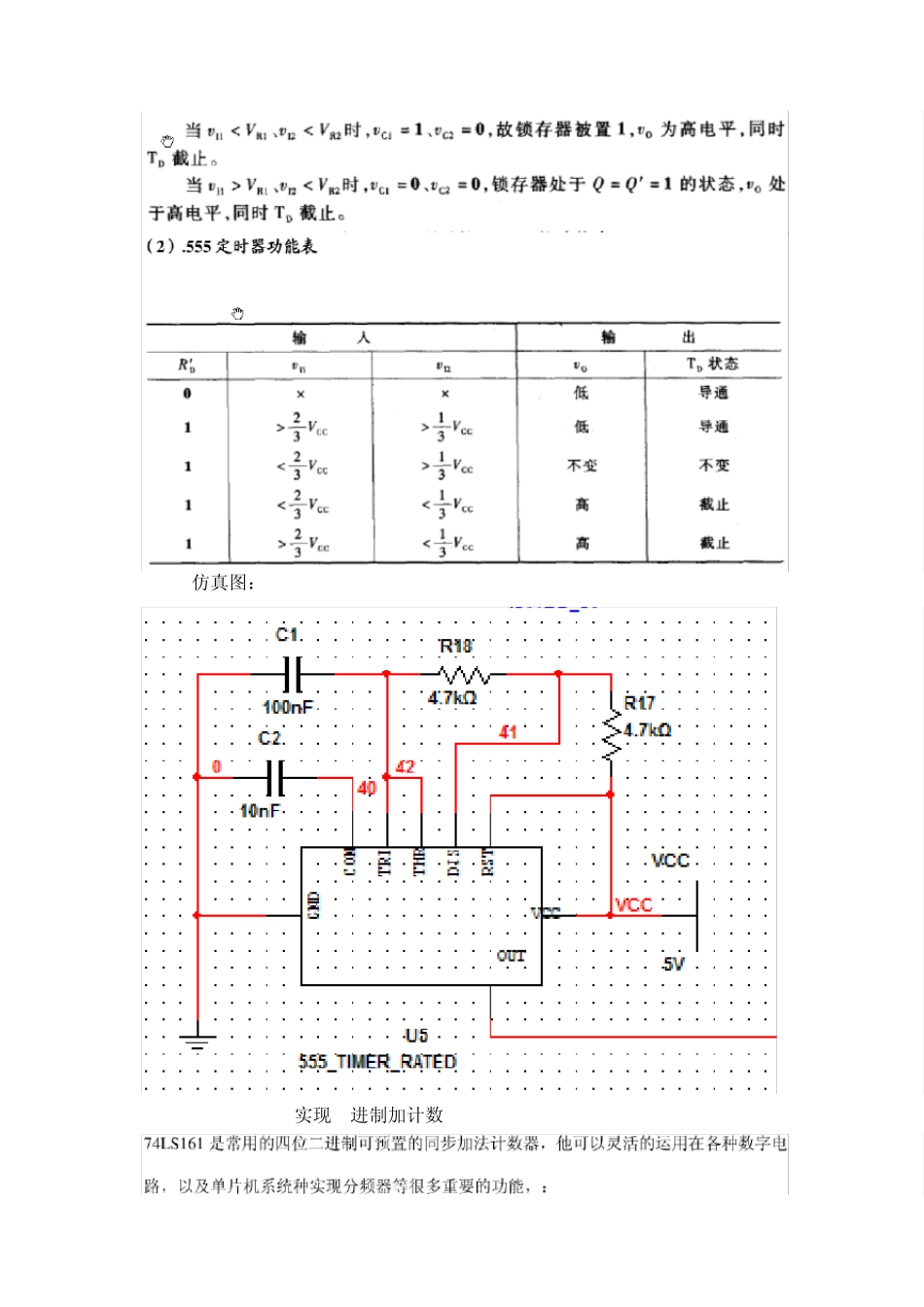
数字电子技术课程设计 流水灯 专业:电子信息技术及仪器 班级:电仪 09-3 班 姓名:*** 学号:*********** 一 设计目的 流水灯:一排灯按一定的顺序逐次点亮,设计流水灯的方法有很多种,我的设计思路是:NE555产生秒脉冲信号,74LS161组成8进制计数器,74LS138进行译码,通过三极管的带负载能力,点亮发光二极管。 二 设计方法 NE555仿真图: 2.74LS161实现 8进制加计数 然后对74LS161 进行8 进制改组,需要一个与非门,用到芯片74HC00 也就是奖74LS161 的输出端通过与非门,当输出为8 时为一的输出与非后接到74LS161 的清零段。 仿真图如下: 3.74LS138的译码 74LS138 为3 线-8 线译码器,共有 54/74S138 和 54/74LS138 两种线路结构型式。 其工作原理如下: ① 一个选通端(E1)为高电平,另两个选通端((/E2))和/(E3))为低电平时,可将地址端(A0、A1、A2)的二进制编码在 Y0 至 Y7 对应的输出端以低电平译出。比如:A2A1A0=110 时,则 Y6 输出端输出低电平信号。 ② 利用 E1、E2 和E3 可级联扩展成 24 线译码器;若外接一个反相器还可级联扩展成 32 线译码器。 ③ 若将选通端中的一个作为数据输入端时,74LS138 还可作数据分配器。 ④ 74LS138 的功能表如下: ⑤ 仿真图如下 4 . 三极管驱动发光二极管 使用 PNP 型三极管 仿真图如下: 4.译码驱动及显示单元电路 选择 CD4511作为显示译码电路;选择 LED数码管作为显示单元电路。由CD4511把输进来的二进制信号翻译成十进制数字,再由数码管显示出来。这里的 LED数码管是采用共阴的方法连接的。 计数器实现了对时间的累计并以 8421BCD码的形式输送到 CD4511芯片,再由4511芯片把 BCD码转变为十进制数码送到数码管中显示出来。 仿真图如下: 三、总电路图 仿真如下: 4 、总结 1. 实验过程中遇到的问题及解决方法 ① 面包板测试 测试面包板各触点是否接通。 ② 七段显示器与七段译码器的测量 把显示器与 CD4511相连,第一次接时,数码管完全没有显示数字,检查后发现是数码管未接地而造成的,接地后发现还是无法正确显示数字,用万用表检测后,发现是因芯片引脚有些接触不良而造成的,所以确认芯片是否接触良好是非常重要的一件事。 2. 设计体会 通过这次对流水灯的设计与制作,让我了解了设计电路的程序,要设计一个电路总要先用仿真仿真成功之后才实际接线的。但是最后的成品却不一定与仿真时...

1、当您付费下载文档后,您只拥有了使用权限,并不意味着购买了版权,文档只能用于自身使用,不得用于其他商业用途(如 [转卖]进行直接盈利或[编辑后售卖]进行间接盈利)。
2、本站所有内容均由合作方或网友上传,本站不对文档的完整性、权威性及其观点立场正确性做任何保证或承诺!文档内容仅供研究参考,付费前请自行鉴别。
3、如文档内容存在违规,或者侵犯商业秘密、侵犯著作权等,请点击“违规举报”。

碎片内容

74LS138与74LS161组成流水灯数电课程设计

您可能关注的文档

小辰5+ 关注
实名认证
内容提供者

出售各种资料和文档

确认删除?
VIP
微信客服
  • 扫码咨询
会员Q群
  • 会员专属群点击这里加入QQ群
客服邮箱
回到顶部