电脑桌面
添加小米粒文库到电脑桌面
安装后可以在桌面快捷访问

7588计算电梯导轨计算书

7588计算电梯导轨计算书_第1页
1/9
7588计算电梯导轨计算书_第2页
2/9
7588计算电梯导轨计算书_第3页
3/9
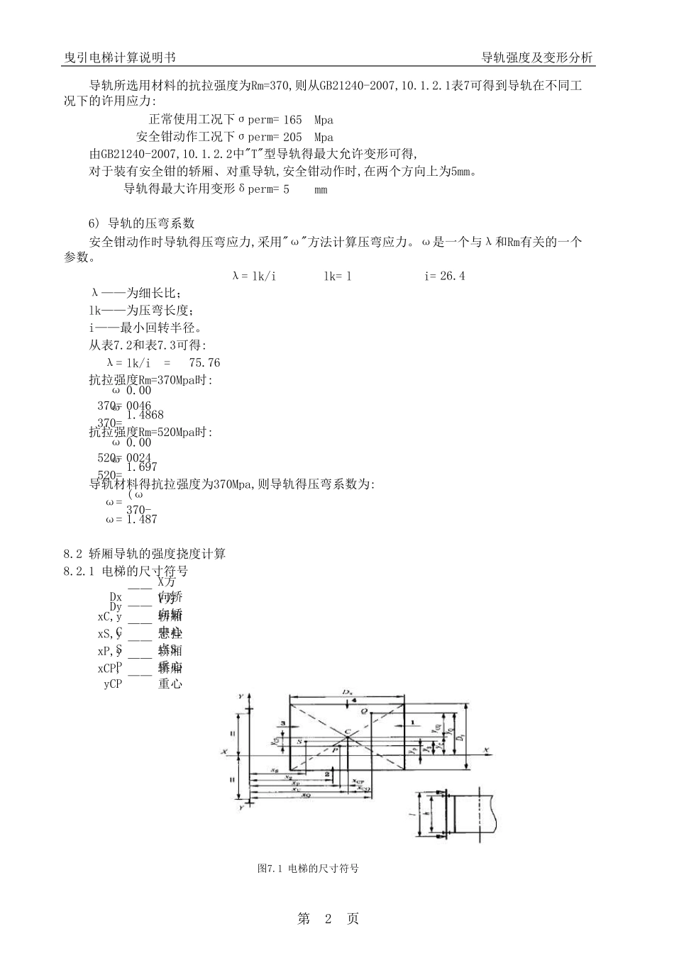
c10㎜k1= 2k2= 1.2第1页安全钳作用导轨数量 m2中心导向2228.1 导轨计算中,电梯所选用的参数m/s^2P%vQmmDxDym/smmKgKgmm201.702.64l31.17导轨支架的垂直间距表8.3 导轨截面参数T127-2/BIx渐进式安全钳参数名称cm^3AQ30Rm229.90安全钳型号导轨材料的延伸率轿厢导轨的数量28.72cm^3表8.4 电梯选用安全钳情况cm^4cmcm^4cm^2单位 3) 电梯选用安全钳导轨的抗拉强度轿厢上下导靴垂直距离Hg电梯导向T127-2/B 2) 电梯轿厢导轨的参数参数数值电梯的净深电梯的净宽gnEKg/㎜^2电梯轿厢导轨型号参数单位参数名称参数代号表8.2 计算中导轨的相关参数8 导轨强度及变形分析备注参数单位参数代号参数名称——计算依据:GB7588-2003 1) 电梯的基本参数表8.1 电梯基本参数参数数值2.83cm36.20电梯的额定速度电梯的额定载重电梯轿厢系统自重iyWy6270720002800IyA175023509.812.06E+05弹性模量重力加速度Mpa370型号参数 5) 导轨的许用应力,许用变形安全钳厂商东南电梯 安全钳为渐进式安全钳从GB21240-2007,表G2可查得,安全钳动作时的冲击系数为: 4) 导轨计算中所使用的冲击系数 从GB7588-2003,表G2可查得,正常运行时得冲击系数为:安全钳类型nixmm备注As2000Wx曳引电梯计算说明书导轨强度及变形分析165Mpa205Mpa5mmλ= lk/ilk= li=λ= lk/i =ω370=0.000046ω370=ω520=0.000024ω520=ω= (ω370-ω= Dx ——X方向轿Dy ——Y方向轿xC,yC ——轿厢中心xS,yS ——悬挂点SxP,yP ——轿厢重心xCP,yCP ——轿厢重心第2页26.4 λ——为细长比; 抗拉强度Rm=370Mpa时:1.4868 从表7.2和表7.3可得: 抗拉强度Rm=520Mpa时:8.2 轿厢导轨的强度挠度计算 导轨材料得抗拉强度为370Mpa,则导轨得压弯系数为:1.6971.4878.2.1 电梯的尺寸符号 导轨所选用材料的抗拉强度为Rm=370,则从GB21240-2007,10.1.2.1表7可得到导轨在不同工况下的许用应力: 由GB21240-2007,10.1.2.2中"T"型导轨得最大允许变形可得, 对于装有安全钳的轿厢、对重导轨,安全钳动作时,在两个方向上为5mm。安全钳动作工况下σperm= 安全钳动作时导轨得压弯应力,采用"ω"方法计算压弯应力。ω是一个与λ和Rm有关的一个参数。导轨得最大许用变形δperm=正常使用工况下σperm= 6) 导轨的压弯系数75.76 lk——为压弯长度; i——最小回转半径。曳引电梯计算说明书导轨强度及变形分析图7.1 电梯的尺寸符号S ——轿厢悬挂C ——轿厢中心P ——轿厢弯曲Q ——额定载重→...

1、当您付费下载文档后,您只拥有了使用权限,并不意味着购买了版权,文档只能用于自身使用,不得用于其他商业用途(如 [转卖]进行直接盈利或[编辑后售卖]进行间接盈利)。
2、本站所有内容均由合作方或网友上传,本站不对文档的完整性、权威性及其观点立场正确性做任何保证或承诺!文档内容仅供研究参考,付费前请自行鉴别。
3、如文档内容存在违规,或者侵犯商业秘密、侵犯著作权等,请点击“违规举报”。

碎片内容

7588计算电梯导轨计算书

小辰4+ 关注
实名认证
内容提供者

出售各种资料和文档

确认删除?
VIP
微信客服
  • 扫码咨询
会员Q群
  • 会员专属群点击这里加入QQ群
客服邮箱
回到顶部