电脑桌面
添加小米粒文库到电脑桌面
安装后可以在桌面快捷访问

8.平瓦屋面工程施工工艺标准

8.平瓦屋面工程施工工艺标准_第1页
1/6
8.平瓦屋面工程施工工艺标准_第2页
2/6
8.平瓦屋面工程施工工艺标准_第3页
3/6
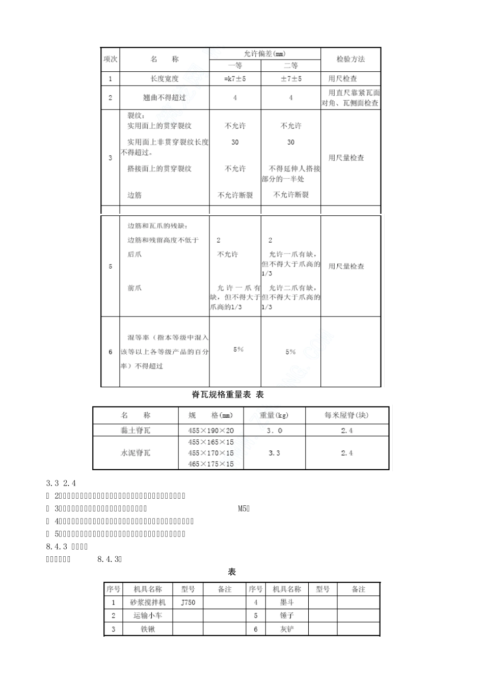
8 平瓦屋面工程施工工艺标准 8.1 总 则 8.1.1 适用范围 本工艺标准适用于防水等级为Ⅱ、Ⅲ级以及坡度不小于20%的屋面,采用黏土、水泥等材料制成的平瓦铺设在钢筋混凝土或木基层上进行屋面防水的工程。 8.1.2 编制参考标准及规范 ( 1)《屋面工程质量验收规范》 GB 50207— 2002 ( 2)《建筑工程施工质量验收统一标准》 GB 50300— 2001 8.2 术 语 平瓦屋面:采用黏土、水泥等材料制成的平瓦铺设在钢筋混凝土或木基层上进行防水的屋面。 8.3 基本规定 ( 1)平瓦必须铺置牢固,地震设防地区或坡度大于50%的屋面应采取固定加强措施。 ( 2)平瓦应铺成整齐的行列,彼此紧密搭接,并应瓦榫落槽,瓦脚挂牢;瓦头排齐,檐口应成一直线;靠近屋脊处的第一排瓦应用砂浆窝牢。 ( 3)平瓦屋面与山墙及突出屋面结构等交接处,均应做泛水处理。 ( 4)天沟、檐沟应根据工程的综合条件选用不同的防水材料做好防水层。 ( 5)瓦屋面完工后严禁上人任意走动、踩踏或堆放物品。 8.4 施工准备 8.4.1 技术准备 ( 1)根据设计图纸及相关施工验收规范编制施工方案(或作业指导书)。 ( 2)按照施工方案(或作业指导书)要求做好技术交底、安全交底。 8.4.2 材料要求 ( 1)平瓦和脊瓦的规格和质量见表8.4.2-1、表8.4.2-2、表8.4.2-3,材料进场后应进行外观检验,并按有关规定进行抽样复验。 平瓦规格表 表8.4.2-l 黏土平瓦外观质量等级表 表8.4.2—2 脊瓦规格重量表 表8.4.2-3 3.3 2.4 ( 2)钢筋规格及强度等级符合设计要求,进场前按规范要求进行复试。 ( 3)水泥砂浆具有良好的和易性,强度等级不低于M5。 ( 4)挂瓦条规格符合选定要求,材质符合相应标准要求,表面经防腐处理。 ( 5)钢钉材质符合相应标准要求,规格适用于选定的顺水条、挂瓦条。 8.4.3 主要机具 主要机具见表8.4.3。 表8.4.3 8.4.4 作业条件 ( 1)开放式钢、木屋架檩条、椽条结构完整质量应符合表8.4.4。 ( 2)现浇混凝土屋面板密实,表面平整。坡度符合设计防水要求,基层已验收合格。 檩条、椽条、封檐板质量检查表 表8.4.4 8.5 材料和质量要点 8 . 5 . 1 材料的关键要求 平瓦及其脊瓦应边缘整齐,表面光洁, 不得有分层、裂纹和露砂等缺陷。平瓦的瓦爪与瓦槽的尺寸应配合适当。 8.5.2 技术关键要求 挂瓦次序必须是从檐口由下到上、自左至右的方向进行。 8.5.3 质量关键要求 ( 1)...

1、当您付费下载文档后,您只拥有了使用权限,并不意味着购买了版权,文档只能用于自身使用,不得用于其他商业用途(如 [转卖]进行直接盈利或[编辑后售卖]进行间接盈利)。
2、本站所有内容均由合作方或网友上传,本站不对文档的完整性、权威性及其观点立场正确性做任何保证或承诺!文档内容仅供研究参考,付费前请自行鉴别。
3、如文档内容存在违规,或者侵犯商业秘密、侵犯著作权等,请点击“违规举报”。

碎片内容

8.平瓦屋面工程施工工艺标准

您可能关注的文档

确认删除?
VIP
微信客服
  • 扫码咨询
会员Q群
  • 会员专属群点击这里加入QQ群
客服邮箱
回到顶部