电脑桌面
添加小米粒文库到电脑桌面
安装后可以在桌面快捷访问

AD7865的交流采样技术及其应用

AD7865的交流采样技术及其应用_第1页
1/8
AD7865的交流采样技术及其应用_第2页
2/8
AD7865的交流采样技术及其应用_第3页
3/8
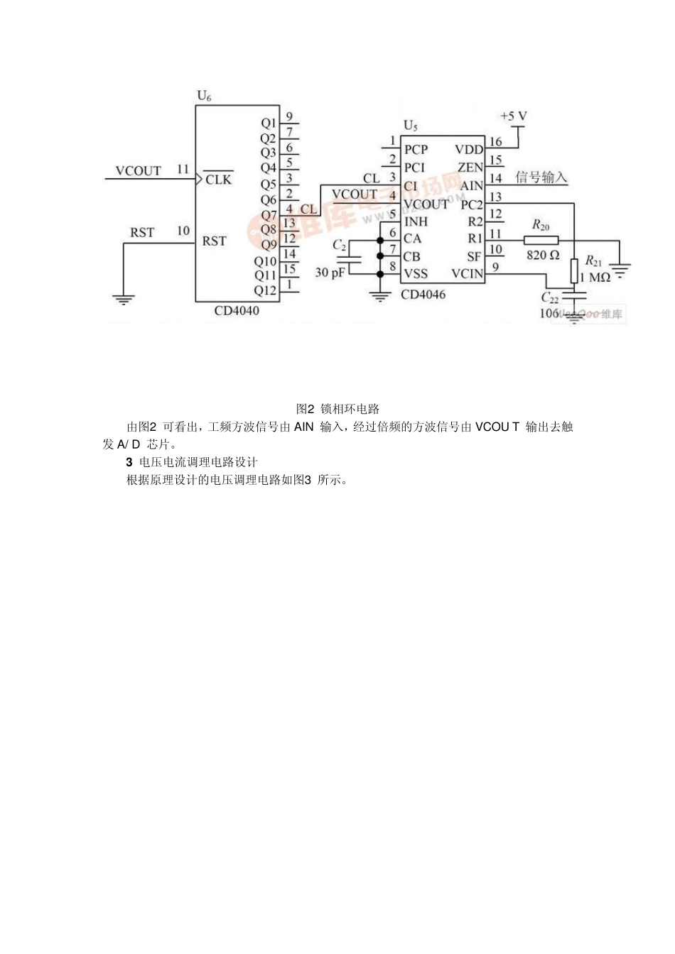
基于锁相环与双A D 7865的交流采样技术及其应用 收藏 | 分类: | 查看: 417 | 评论(0) 随着电力系统的快速发展,电网容量的扩大使其结构更加复杂,实时监控、调度的自动化显得尤为重要; 而在电力调度自动化系统中,对电力参数的测量是最基本的功能。如何快速、准确地采集各种电力参数则显得更加重要。在微型机应用的初期,电力系统的参数普遍采用直流采样的技术。 直流采样,即采样经过整流后的直流量,此方法软件设计简单,计算方便,对采样值只需作一次比例变换即可得到被测量的数值。但是直流采样方法存在一些问题,如: 测量精度直接受整流电路的精度和稳定性的影响; 整流电路参数调整困难,而且受波形因素的影响较大等。而采用交流采样方法进行数据采集,通过算法运算后获得的电压、电流、有功功率、功率因数等电力参数有着较好的精确度和稳定度。该系统采用高速DSP 芯片 T MS320LF2407 作为处理器,通过锁相环和 AD7865 对电力参数进行交流采样。 1 交流采样的设计思想 若将电压有效值公式: 离散化,以一个周期内有限个采样电压数字量来代替一个周期内连续变化的电压函数值,则式( 1) 变为: 式中: △Tm 为相邻两次采样的时间间隔; um 为第 m - 1个时间间隔的电压采样瞬时值; N 为一个周期内的采样点数。若相邻两次采样的时间间隔相等,即△T m 为常数△T ,考虑到 N = T/△,则有: 这就是根据一个周期内各采样瞬时值及每周期采样点数计算电压信号有效值的公式。同样,电流有效值计算公式: 计算一相有功功率的公式: 式中: im 和u m 为同一时刻的电流和电压采样值。 功率因数为: 2 工频信号锁相倍频原理及频率跟踪电路的实现 交流采样法包括同步采样法、准同步采样法、非整周期采样法、非同步采样法等几种,系统采用同步采样法。同步采样法就是整周期等间隔均匀采样,要求被测信号周期 T 与采样时间间隔△t 及一周内采样点数N 之间满足关系式T = N △t,即采样频率为被测信号频率的N 倍。根据提供采样信号方式不同,同步采样法又分为软件同步采样法和硬件同步采样法两种。本系统采用硬件同步采样。 硬件同步采样法是由专门的硬件电路产生同步于被测信号的采样脉冲。一种利用锁相环频率跟踪原理实现同步等间隔采样的电路如图1 所示。 图1 锁相环原理图 在相位比较器 PD、低通滤波器 LP、压控振荡器 VCO 构成的锁相环内加入 N 分频器,输入 f i 为被测信号...

1、当您付费下载文档后,您只拥有了使用权限,并不意味着购买了版权,文档只能用于自身使用,不得用于其他商业用途(如 [转卖]进行直接盈利或[编辑后售卖]进行间接盈利)。
2、本站所有内容均由合作方或网友上传,本站不对文档的完整性、权威性及其观点立场正确性做任何保证或承诺!文档内容仅供研究参考,付费前请自行鉴别。
3、如文档内容存在违规,或者侵犯商业秘密、侵犯著作权等,请点击“违规举报”。

碎片内容

AD7865的交流采样技术及其应用

您可能关注的文档

确认删除?
VIP
微信客服
  • 扫码咨询
会员Q群
  • 会员专属群点击这里加入QQ群
客服邮箱
回到顶部