电脑桌面
添加小米粒文库到电脑桌面
安装后可以在桌面快捷访问

AF003411电梯遥监终端设备日常使用说明V1.0

AF003411电梯遥监终端设备日常使用说明V1.0_第1页
1/6
AF003411电梯遥监终端设备日常使用说明V1.0_第2页
2/6
AF003411电梯遥监终端设备日常使用说明V1.0_第3页
3/6
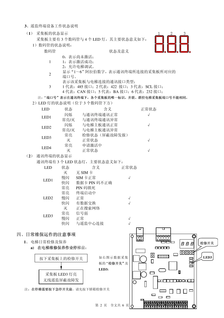
第 1 页 全文共 6 页 图1 遥监系统结构图 编 号 题 目 版本号 AF0034-11 电梯电梯无线无线无线遥监终端设备遥监终端设备遥监终端设备日常日常日常使用使用使用说明说明说明 V1.0 日立电梯日立电梯((中国中国))有限公司 营业工程统括总部 质量部 客户服务中心 编 制 校 对 审 核 抄送抄送::质量技术科、维保技术科(转相关保养站) 发至发至::全国各营分司工程部长、万科联系人(见附件清单)、邓忠英、何永添、麦志忠、陈志向、王文莉、曾雄辉、罗兴东 麦志忠 陈志向 何永添 邓忠英 一、目 的 随着无线遥监系统在万科楼盘的投入使用,为了使各营分司作业人员能正确使用及维护遥监终端,减少故障误发报,特编写本通知,说明加装无线遥监系统后,电梯保养作业时的注意事项。 二、适用范围 针对已安装及调试遥监的电梯(MCU B 系列、SCLA 系列)。 三、遥监系统介绍 1 、遥监系统简介 无线遥监系统是通过数据 采 集 板 收 集 电梯数据 、监测 电梯故障,然 后由 通讯 终端通过GPRS 或CDMA 通讯 网 络 把 故障发送到 遥监中心,实 现 电梯故障的快 速 检 测 。 2 、遥监系统终端设备组 成 图1 是遥监系统终端结构图,终端的主 要 组 成 部分包 括:采 集 板 、通讯 终端、电源 三部分。 采 集 板采 集 板 ::负 责 与 电梯主 板 通讯 ,收 集 电梯运 行 状 态 数据 ; 通讯 终端通讯 终端::将 采 集 板 收 集 到 的各类 信 息 发送到 总部遥监中心; 电源电源 ::负 责 向采 集 板 及通讯 终端供 电; 电梯1 电梯2 电梯6 采 集 板 电梯 主 板 电梯 控 柜 通讯 终端 电梯机 房 采 集 板 电源 通讯 终端 第 2 页 全文共 6 页 3、遥监终端设备工作状态说明 (1) 采集板的状态显示 采集板主要有3 个数码管与4 个LED 灯,其主要状态意义如下: 1)数码管的状态说明: 数码管 状态及意义 1 0:表示尚未激活; 1:表示激活成功; 2:允许电梯调试。 2 显示“1~6”阿拉伯数字,表示通讯终端所连接的采集板所对应的端口号。 3 表示该采集板与电梯连接的通讯接口类型: 1 代表:485 接口;2 代表:422 接口;3 代表:SCL 接口; 4 代表:CAN 接口;5 代表:BA 接口;6 代表:232 接口; 注:“端口号端口号””表示在通讯终端下表示在通讯终端下,,...

1、当您付费下载文档后,您只拥有了使用权限,并不意味着购买了版权,文档只能用于自身使用,不得用于其他商业用途(如 [转卖]进行直接盈利或[编辑后售卖]进行间接盈利)。
2、本站所有内容均由合作方或网友上传,本站不对文档的完整性、权威性及其观点立场正确性做任何保证或承诺!文档内容仅供研究参考,付费前请自行鉴别。
3、如文档内容存在违规,或者侵犯商业秘密、侵犯著作权等,请点击“违规举报”。

碎片内容

AF003411电梯遥监终端设备日常使用说明V1.0

确认删除?
VIP
微信客服
  • 扫码咨询
会员Q群
  • 会员专属群点击这里加入QQ群
客服邮箱
回到顶部