电脑桌面
添加小米粒文库到电脑桌面
安装后可以在桌面快捷访问

AT89S52中断系统及应用

AT89S52中断系统及应用_第1页
1/10
AT89S52中断系统及应用_第2页
2/10
AT89S52中断系统及应用_第3页
3/10
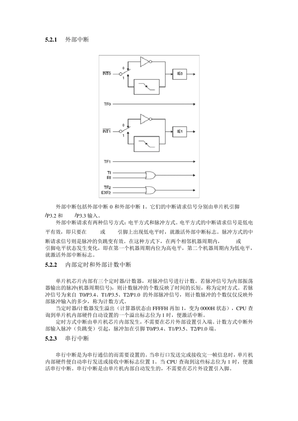
第5 章 AT89S52 中断系统及应用 本章要点: ➢ 了解中断的基本概念、中断的作用及中断请求方式 ➢ 掌握 AT89S52 单片机中断结构 ➢ 掌握 AT89S52 单片机 6 个中断源的中断请求、中断屏蔽、优先级设置等初始化编程方法 ➢ 掌握非接触式 IC 卡门禁系统的中断应用方法 5.1 中断的概念 为了提高 CPU 的工作效率以及对实时系统的快速响应,产生了中断控制方式的信息交换。 在日常生活中广泛存在着“中断”的例子。例如一个人正在看书,这时电话铃响了,于是他将书放下去接电话。为了在接完电话后继续看书,他必须记下当时的页号,接完电话后,将书取回,从刚才被打断的位置继续往下阅读。由此可见,中断是一个过程。计算机是这样处理的,当有随机中断请求后,CPU 暂停执行现行程序,转去执行中断处理程序,为相应的随机事件服务,处理完毕后 CPU 恢复执行被暂停的现行程序。 在这个过程中,应注意如下几方面: ✓ 外部或内部的中断请求是随机的,若 当前 程序允 许 处理应立 即 响应; ✓ 在内存中必须有处理该 中断的处理程序; ✓ 系统怎 样能 正确 地 由现行程序转去执行中断处理程序; ✓ 当中断处理程序执行完毕后怎 样能 正确 地 返 回。 现在再 从另 一方面分 析 ,整 个中断的处理过程就 像 子程序调 用,但 是本质 的差 异 是调 用的时间 是随机的,调 用的形 式是不 同 的。因 此,是否 可以认 为处理中断的过程是一种 特 殊 的子程序调 用。如图 5.1 和 图 5.2 所 示 。 中断有两 个重 要特 征 :程序切 换(控制权 的转移 )和 随机性 。 图 5.1 子程序调 用过程 图 5.2 中断的执行过程 5.2 AT89S52 中断源与 中断向 量 地 址 中断源就 是向 CPU 发 出 中断请求的来 源。AT89S52共 有六 个中断源:2个外部中断( INT0和 INT1) 、3 个定 时器 中断( 定 时器 0、1 和 2) 和 1 个串 行中断。如图 5.3 所 示 。 5 .2 .1 外部中断 外部中断包括外部中断0 和外部中断1。它们的中断请求信号分别由单片机引脚/P3.2 和/P3.3 输入。 外部中断请求有两种信号方式:电平方式和脉冲方式。电平方式的中断请求信号是低电平有效,即只要在或引脚上出现低电平时,就激活外部中断标志。脉冲方式的中断请求信号则是脉冲的负跳变有效。在这种方式下,在两个相邻机器周期内,或引脚电平状态发生变化,即...

1、当您付费下载文档后,您只拥有了使用权限,并不意味着购买了版权,文档只能用于自身使用,不得用于其他商业用途(如 [转卖]进行直接盈利或[编辑后售卖]进行间接盈利)。
2、本站所有内容均由合作方或网友上传,本站不对文档的完整性、权威性及其观点立场正确性做任何保证或承诺!文档内容仅供研究参考,付费前请自行鉴别。
3、如文档内容存在违规,或者侵犯商业秘密、侵犯著作权等,请点击“违规举报”。

碎片内容

AT89S52中断系统及应用

小辰+ 关注
实名认证
内容提供者

出售各种文档和资料

相关文档

确认删除?
VIP
微信客服
  • 扫码咨询
会员Q群
  • 会员专属群点击这里加入QQ群
客服邮箱
回到顶部