电脑桌面
添加小米粒文库到电脑桌面
安装后可以在桌面快捷访问

C6140普通车床的实验说明

C6140普通车床的实验说明_第1页
1/32
C6140普通车床的实验说明_第2页
2/32
C6140普通车床的实验说明_第3页
3/32
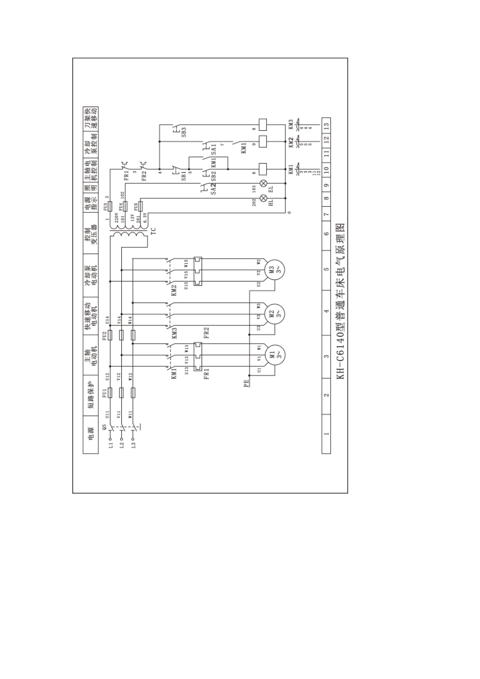
C 6140 普通车床的实验说明 一、C 6140 普通车床实验的基本组成 1、面板 1 面板上安装有机床的所有主令电器及动作指示灯、机床的所有操作都在这块面板上进行,指示灯可以指示机床的相应动作。 面板上印有 C6140普通车床立体示意图,可以很直观地看出 C6140普通车床的外形轮廓。 2、面板 22 面板上装有断路器、熔断器、接触器、热继电器、变压器等元器件,这些元器件直接安装在面板表面,可以很直观的看它们的动作情。 3、电动机 三个 380V三相鼠笼异步电动机,分别用作主轴电动机、进给电动机和冷却泵电动机。 4、故障开关箱 设有 32个开关,其中 K1到 K15用于故障设置;K16到 K31四个开关保留;K32用作指示灯开关,可以用来设置机床动作指示与不指示。 二、原理图 三、电气控制的特点 该机床主电路有 3 台控制电机。 一是主电机 M1,完成主轴主运动和刀具的纵横向进给运动的驱动。该电动机为不能调速的笼型感应电动机,主轴采用机械变速,正反向运动采用机械换向机构。 二是冷却泵电动机 M2,加工时提供冷却液,以防止刀具和工件的温升过高。 三是电动机 M3,为刀架快速移动电动机,可根据使用需要,随时手动控制启动或停止。 电动机均采用全压直接启动,皆为接触器控制的单向运行控制电路。三相交流电源通过低压断路器 QS 引入,接触器 KM1 的主触头控制 M1 的启动和停止。接触器 KM2 的主触头控制 M2 的启动和停止。接触器 KM3 的主触头控制 M3 的启动和停止。KM1 有按钮 SB1、SB2 控制,KM3 有 SB3 进行点动控制。KM2 由开关 SA1 控制。主轴正反向运行由摩擦离合器实现。 M1、M2 为连续运动的电动机,分别利用热继电器 FR1、FR2 作过载保护;M3 为短时工作电动机。因此未设过载保护。熔断器 FU1~FU2 分别对主电路、控制电路和辅助电路实行短路保护。 四、电气控制线路的分析 控制电路的电源为制变压器 TC 次级输出 220V 电压。 (1)主轴电动机的控制 采用了具有过载保护全压启动控制的典型环节。按下启动按钮 SB2,接触器 KM1 得电吸合,其动辅助动断触头 KM1(5-6)闭合自锁,KM1 的主触头闭合,主轴电动机 M1 启动;同时其辅助动合触头 KM1(5-8)闭合。作为 KM2 得电的先决条件。按下停止按钮 SB1,接触器 KM1 失电释放,电动机 M1 停转。 (2)冷却泵电动机 M2 的控制 采用两台电动机 M1、M2 顺序连锁控制的典型环节,以满足生产要求,使...

1、当您付费下载文档后,您只拥有了使用权限,并不意味着购买了版权,文档只能用于自身使用,不得用于其他商业用途(如 [转卖]进行直接盈利或[编辑后售卖]进行间接盈利)。
2、本站所有内容均由合作方或网友上传,本站不对文档的完整性、权威性及其观点立场正确性做任何保证或承诺!文档内容仅供研究参考,付费前请自行鉴别。
3、如文档内容存在违规,或者侵犯商业秘密、侵犯著作权等,请点击“违规举报”。

碎片内容

C6140普通车床的实验说明

小辰9+ 关注
实名认证
内容提供者

出售各种资料和文档

确认删除?
VIP
微信客服
  • 扫码咨询
会员Q群
  • 会员专属群点击这里加入QQ群
客服邮箱
回到顶部