电脑桌面
添加小米粒文库到电脑桌面
安装后可以在桌面快捷访问

电力系统概述VIP免费

电力系统概述_第1页
1/83
电力系统概述_第2页
2/83
电力系统概述_第3页
3/83
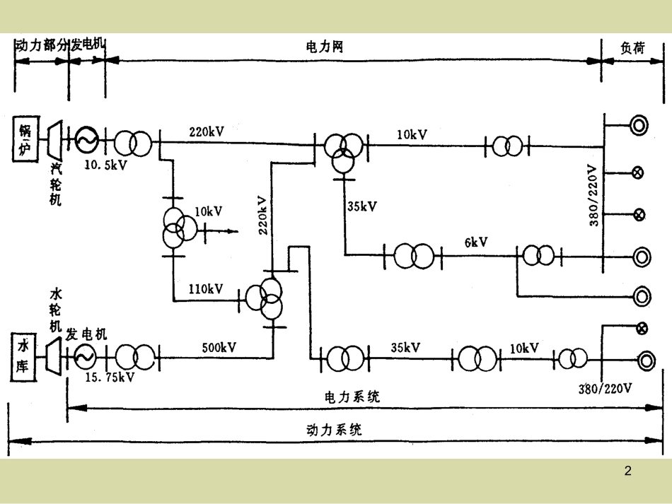
1第一章供电系统概述第一节电力系统与供电系统一、电力系统的构成由发电厂的发电机、升压及降压变电设备、电力网及电能用户(用电设备)组成的系统统称为电力系统。231.发电厂(1)功能:发电厂是生产电能的场所。把自然界中的一次能源转换为用户可以直接使用的二次能源——电能。(2)种类:火力发电厂、水利发电厂、核能发电厂、潮汐发电、地热发电、太阳能发电、风力发电等。(3)发电设备:发电机。4火力发电厂5火力发电一般是指利用石油、煤炭和天然气等燃料燃烧时产生的热能来加热水,使水变成高温、高压水蒸气,然后再由水蒸气推动发电机来发电的方式的总称。火力发电根据使用的燃料不同,可分为石油火力发电、煤炭火力发电和液化天然气火力发电等种类。火力发电6火力发电的组成火力发电站的主要设备系统包括:燃料共给系统给水系统蒸汽系统冷却系统电气系统及其他一些辅助处理设备。789张家口发电厂汽轮机房1011汽轮机发电机升压变压器减压罐调相机12131415161718张发口发电总厂19水力发电厂20212223242526日本核电站27秦山核电站282930法国朗斯潮汐发电3132333435363738392.电力网(1)功能:变换电压、传送电能。(2)组成:由升压和降压变电所和与之对应的电力线路组成。4041大同-房山500kV输电线路42房山-昌平紧凑型输电线路43大同-房山串补站44453.电力用户(用电设备)消耗电能的场所,将电能通过用电设备转换为满足用户需求的其他形式的能量例如:电动机将电能转换为机械能、电热设备将电能转换为热能、照明设备将电能转换为光能等。46电动机电热炉47二、电力系统运行特点和基本要求1.电能的特点(1)电能不能储存电能的生产、输送、分配和使用同时完成。(2)暂态过程非常迅速电能以电磁波的形式传播,传播速度为300km/ms。(3)和国民经济各部门间的关系密切。2.对电力系统提出的要求(1)保证供电可靠性(2)保证电能质量(3)提高电力系统运行的经济性(4)环境保护问题48第二节供配电系统1.供电电源配电系统的电源可以取自电力系统的电力网或企业、用户的自备发电机。2.配电网(1)作用:接受电能、变换电压、分配电能。(2)组成:由企业或用户的总降压变电所(或高压配电所)、高压输电线路、车间降压变电所(或配电所)、低压配电线路组成。4950515253543.用电设备(1)作用:用电设备是指专门消耗电能的电气设备。据统计用电设备中70%是电动机类设备,20%左右是照明用电设备。(2)结构:与电力系统是极其相似的,所不同的是配电系统的电源是电力系统中的电力网,电力系统的用户实际上就是配电系统。(3)分类:高压用电设备:额定电压在1kV以上。低压用电设备:额定电压在1kV以下。5556第三节电能质量一、电压偏移1.定义:电压偏移指用电设备的实际端电压偏离其额定电压的百分数。用公式表示为式中——用电设备的额定电压,kV;——用电设备的实际端电压,kV。%100%NNUUUUNUU572.原因:是系统滞后的无功负荷所引起的系统电压损失。3.用电设备端子处电压偏移允许值(以额定电压百分数表示):(1)一般电动机5%,特殊情况下-10%~+5%。(2)电梯电动机7%。(3)照明:在一般工作场所为5%;在视觉要求较高的屋内场所为-2.5%~+5%;远离变电所的小面积一般工作场所,可为-5%~+10%;应急照明、道路照明和警卫照明为-10%~+5%。(4)其他用电设备,当无特殊要求时为5%。584.改善方法(1)正确设计配电系统的运行方式,减少电网或变压器电压降。在条件许可时,对大型企业可采取高压线路深入负载中心及降压变电所分散设置;在技术经济合理的条件下,采用多回路并联供电;使用灵活的联络系统,使系统在不同的运行方式下,做到合理供电;必要时对户外照明及事故照明设置专用小型变压器。(2)按照允许电压降来选择导线截面,是减少电压降、调节电压的有效措施之一。例如用电缆代替导线、用低电压母线槽、用大截面的导线代替小截面导线等方法。59(3)合理选择变压器,利用设备自身特性减少电压降损耗。选择变压器的分接头。一般降压变压器的一次侧,根据容量不同都设有若干个分接头。小容量变压器有5%,0%;大容量变压器有5%、...

1、当您付费下载文档后,您只拥有了使用权限,并不意味着购买了版权,文档只能用于自身使用,不得用于其他商业用途(如 [转卖]进行直接盈利或[编辑后售卖]进行间接盈利)。
2、本站所有内容均由合作方或网友上传,本站不对文档的完整性、权威性及其观点立场正确性做任何保证或承诺!文档内容仅供研究参考,付费前请自行鉴别。
3、如文档内容存在违规,或者侵犯商业秘密、侵犯著作权等,请点击“违规举报”。

碎片内容

电力系统概述

您可能关注的文档

确认删除?
VIP
微信客服
  • 扫码咨询
会员Q群
  • 会员专属群点击这里加入QQ群
客服邮箱
回到顶部