电脑桌面
添加小米粒文库到电脑桌面
安装后可以在桌面快捷访问

CL9901250mA稳压芯片

CL9901250mA稳压芯片_第1页
1/10
CL9901250mA稳压芯片_第2页
2/10
CL9901250mA稳压芯片_第3页
3/10
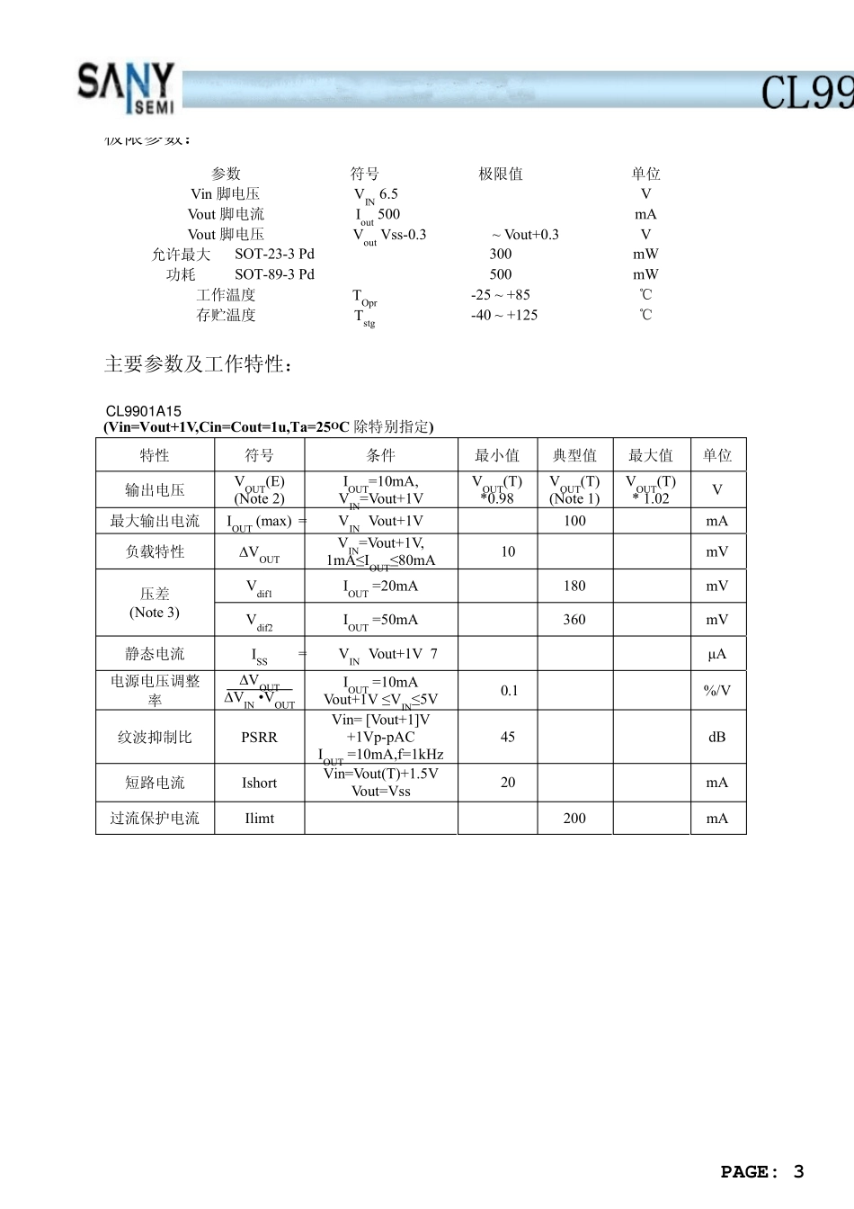
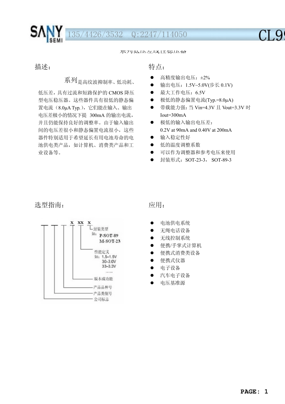
系列低压差线性稳压器 描述: 特点: 选型指南: 应用: 系列是高纹波抑制率、低功耗、低压差,具有过流和短路保护的 CMOS 降压型电压稳压器。这些器件具有很低的静态偏置电流(8.0μA Typ.),它们能在输入、输出电压差极小的情况下提 300mA 的输出电流,并且仍能保持良好的调整率。由于输入输出间的电压差很小和静态偏置电流很小,这些器件特别适用于希望延长有用电池寿命的电池供电类产品,如计算机、消费类产品和工业设备等。 z 高精度输出电压:±2% z 输出电压:1.5V~5.0V(步长 0.1V) z 最大工作电压:6.5V z 极低的静态偏置电流(Typ.=8.0μA) z 带载能力强:当 Vin=4.3V 且 Vout=3.3V 时 Iout=300mA z 极低的输入输出电压差: 0.2V at 90mA and 0.40V at 200mA z 输入稳定性好 z 低的温度调整系数 z 可以作为调整器和参考电压来使用 z 封装形式:SOT-23-3, SOT-89-3 z 电池供电系统 z 无绳电话设备 z 无线控制系统 z 便携/手掌式计算机 z 便携式消费类设备 z 便携式仪器 z 电子设备 z 汽车电子设备 z 电压基准源 CL9901CL9901 PAGE: 1CL 99 01 引脚排列图: 引脚分配图: 引脚号 M3 P P1 符号 引脚描述 SOT-23-3 SOT-89-3 SOT-89-3 1 1 2 Vss 接地引脚 2 3 1 Vou t 电压输出端 3 2 3 Vin 电压输入端 功能块框图: 型号 后缀 封装 CE端特点 M3 SOT-23-3 P SOT-89-3 P1 SOT-89-3 No CL9901AxxCL9901Axx PAGE: 2极限参数: 参数 符号 极限值 单位 Vin 脚电压 VIN 6.5 V Vout 脚电流 Iout 500 mA Vout 脚电压 Vout Vss-0.3 ~ Vout+0.3 V SOT-23-3 Pd 300 mW 允许最大功耗 SOT-89-3 Pd 500 mW 工作温度 TOpr -25 ~ +85 ℃ 存贮温度 Tstg -40 ~ +125 ℃ 主要参数及工作特性: (Vin=Vou t+1V,Cin=Cou t=1u ,Ta=25OC 除特别指定) 特性 符号 条件 最小值 典型值 最大值 单位输出电压 VOUT(E) (Note 2) IOUT=10mA, VIN=Vout+1V VOUT(T) *0.98 VOUT(T)(Note 1)VOUT(T) * 1.02 V 最大输出电流 IOUT (max) VIN=Vout+1V 100 mA 负载特性 ∆VOUT VIN=Vout+1V, 1mA≤IOUT≤80mA 10 mV Vdif1 IOUT =20mA 180 mV 压差 (Note 3) Vdif2 IOUT =50mA 360 mV 静态电流 ISS VIN=Vout+1V 7 μA 电源电压调整率 ∆VOUT ∆VIN •VOUT IOUT =...

1、当您付费下载文档后,您只拥有了使用权限,并不意味着购买了版权,文档只能用于自身使用,不得用于其他商业用途(如 [转卖]进行直接盈利或[编辑后售卖]进行间接盈利)。
2、本站所有内容均由合作方或网友上传,本站不对文档的完整性、权威性及其观点立场正确性做任何保证或承诺!文档内容仅供研究参考,付费前请自行鉴别。
3、如文档内容存在违规,或者侵犯商业秘密、侵犯著作权等,请点击“违规举报”。

碎片内容

CL9901250mA稳压芯片

确认删除?
VIP
微信客服
  • 扫码咨询
会员Q群
  • 会员专属群点击这里加入QQ群
客服邮箱
回到顶部