电脑桌面
添加小米粒文库到电脑桌面
安装后可以在桌面快捷访问

DATIAT设计简介VIP专享

DATIAT设计简介_第1页
1/20
DATIAT设计简介_第2页
2/20
DATIAT设计简介_第3页
3/20
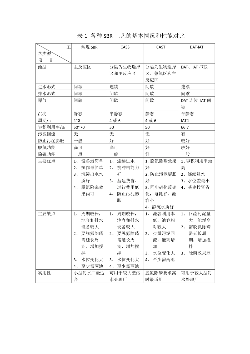
DAT-IAT(连续间歇曝气序批式活性污泥法)设计简介 1. DAT-IAT 工艺概述 DAT—IAT 的主体处理构筑物由需氧池 DAT 和间歇曝气池 IAT 组成,一般情况下 DAT 池连续进水,连续曝气,其出水进入 IAT 池,在此完成曝气、沉淀、滗水和排泥程序,其典型工艺流程图如图 4 所示。由于进水工序只发生在 DAT 池,排水工序只发生在 IAT 地,提高了整个工艺的稳定性,从而使整个生物处理工序的可调节性进一步增强。有利于去除难降解有机物。与 CAST 和 ICEAS 相比,DAT 是一种更灵活、完备的预反应池,从而使 DAT 池和 IAT 池能够保持较长的污泥龄和很高的 MLSS 浓度,对有机物和毒物有较强的抗冲击能力。 DAT-IAT 工艺的主要特点如下: ⑴工艺稳定性高。由于 DAT 池连续进水,连续曝气起到了水力均 衡作用,提高了工艺处理的稳定性。 ⑵处理构筑物少,使处理流程大大简化。 ⑶可脱氮除磷,通过调节 IAT 池的曝气时间和间歇时间,使污水在池中交替处于好氧、缺氧和厌氧的状态,为脱氮除磷创造了首要条件。 DAT—IAT 工艺同时具备 SBR 工艺和传统活性污泥法的优点。与其他工艺相比 DAT—IAT 的容积比是最高的,达到 66.7%,可以说是一种节省投资的工艺。表1 各种SBR 工艺的基本情况和性能对比 工艺类型 项 目 常规SBR CASS CAST DAT-IAT 池型 主反应区 分隔为生物选择区和主反应区 分隔为生物选择区、兼氧区和主反应区 DAT、IAT 串联 进水形式 间歇 连续 间歇 连续 排水形式 间歇 间歇 间歇 间歇 曝气 间歇 间歇 间歇 DAT 连续 IAT 间歇 沉淀 静态 半静态 静态 半静态 周期/h 4~8 4 或 6 4 或 6 IAT4 容积利用率/% 50~70 50 50 66.7 污泥回流 无 无 无 有 防止污泥膨胀 一般 好 好 较好 脱氮功能 尚可 尚可 好 较好 除磷功能 一般 一般 好 一般 主要优点 1、 设备最简单 2、 操作最简单 3、 沉淀出水水质好 4、 脱氮除磷效果尚可 1、 连续进水 2、 抗冲击能力好 3、 基建费省、运行费用低 4、 防止污泥膨胀 1、脱氮除磷效果好 2、防止污泥膨胀好 3、同步硝化反硝化,电耗省,池容小 4、静沉水质好 1、容积利用率最高 2、连续进水 3、水位差最小 4、基建投资省 主要缺点 1、 周期较长,池容和排水设备较大 2、 要脱氮除磷需延长周期、增加搅拌 3、 水位变化大 4、 至少需两池 1、 周期较长,池容...

1、当您付费下载文档后,您只拥有了使用权限,并不意味着购买了版权,文档只能用于自身使用,不得用于其他商业用途(如 [转卖]进行直接盈利或[编辑后售卖]进行间接盈利)。
2、本站所有内容均由合作方或网友上传,本站不对文档的完整性、权威性及其观点立场正确性做任何保证或承诺!文档内容仅供研究参考,付费前请自行鉴别。
3、如文档内容存在违规,或者侵犯商业秘密、侵犯著作权等,请点击“违规举报”。

碎片内容

DATIAT设计简介

确认删除?
VIP
微信客服
  • 扫码咨询
会员Q群
  • 会员专属群点击这里加入QQ群
客服邮箱
回到顶部