电脑桌面
添加小米粒文库到电脑桌面
安装后可以在桌面快捷访问

DDF数配架说明书

DDF数配架说明书_第1页
1/13
DDF数配架说明书_第2页
2/13
DDF数配架说明书_第3页
3/13
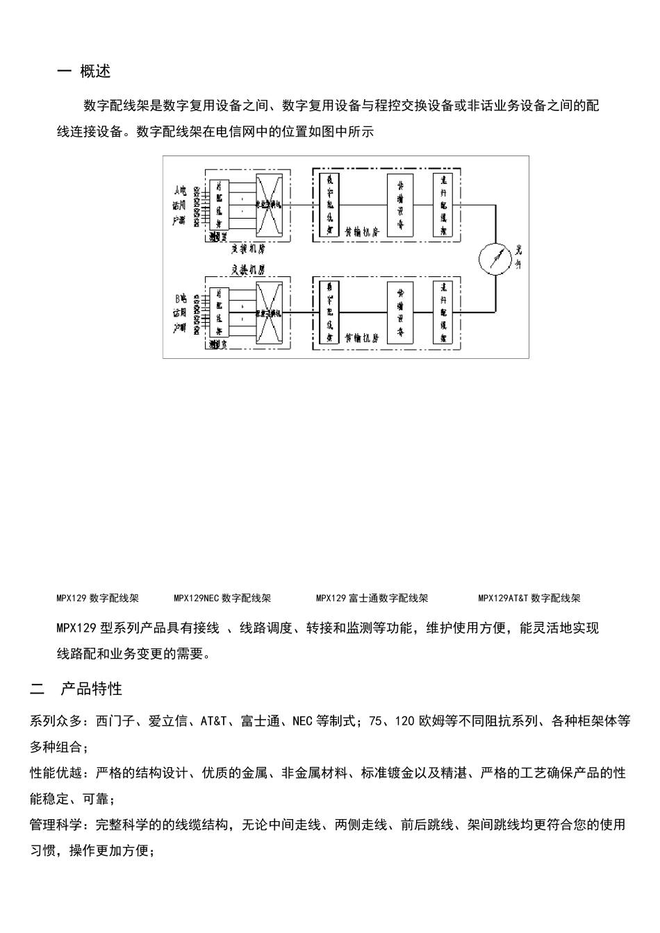
数字配线架 使用说明书 一 概述 数字配线架是数字复用设备之间、数字复用设备与程控交换设备或非话业务设备之间的配线连接设备。数字配线架在电信网中的位置如图中所示 MPX129 数字配线架 MPX129NEC 数字配线架 MPX129 富士通数字配线架 MPX129AT&T 数字配线架 MPX129 型系列产品具有接线 、线路调度、转接和监测等功能,维护使用方便,能灵活地实现线路配和业务变更的需要。 二 产品特性 系列众多:西门子、爱立信、AT&T、富士通、NEC 等制式;75、120 欧姆等不同阻抗系列、各种柜架体等多种组合; 性能优越:严格的结构设计、优质的金属、非金属材料、标准镀金以及精湛、严格的工艺确保产品的性能稳定、可靠; 管理科学:完整科学的的线缆结构,无论中间走线、两侧走线、前后跳线、架间跳线均更符合您的使用习惯,操作更加方便; 注重细节:完整的接地系统、多样的固定方式、90 度旋转的单元体等细节完美的设计,确保客户使用更加方便。 三 技术参数: 环境温度:-25℃~+40℃ 相对湿度: ≤85%(+30℃) 储运温度: -25℃~+55℃ 大气压力:70 kPa~106kPa 特性阻抗:75Ω、120Ω、75Ω/120Ω 120Ω-120Ω 工作速率:2Mb/s、8Mb/s、34Mb/s、45Mb/s、140Mb/s、155Mb/s 同轴连接器接触电阻:外导体≤2.5mΩ, 内导体≤10mΩ成端接触簧片:≤0.5mΩ 簧片间接触电阻:≤4mΩ 绝缘电阻:>1000MΩ(500VDC) 抗电强度:≥1000VAC(50Hz)/min,不击穿,无飞弧 回线间串音防卫度: ≥70dB(50KHz~233MHz) 介入损耗:≤0.3dB(50KHz~233MHz) 回波损耗:≥18dB(50KHz~233MHz) 拉脱力:>50N 同轴连接器寿命:≥1000 次 连接器卡接寿命:≥200 次 设备标准:符合 YD/T778-1999 的相关规定 塑料零件燃烧性能符合:GB/T5169.7-1985 的相关规定 各式电缆符合:GB/T12269-1990 的相关规定 导体弹性材料:铍青铜 镀金层厚度: ≥2 um 四 工作原理 数字配线架的信号传输原理示意 注 1:R代表接收信号,S代表发送信号; 注 2:线路由S R 称一(个)回路 ,线路 S R ,S R 形成了两个回路,称一个系统; 注 3:原则上,一个系统的收发回线应在相邻位置; 数字配线架的线路配线原理示意图 数字配线架的线路配线原理示意图 数字配线架的线路固定调线、转接原理示意图 数字配线架的固定调线、转接原理示意图 监控测试 将测试塞绳插入插头上的测试孔 数字配线架的线路...

1、当您付费下载文档后,您只拥有了使用权限,并不意味着购买了版权,文档只能用于自身使用,不得用于其他商业用途(如 [转卖]进行直接盈利或[编辑后售卖]进行间接盈利)。
2、本站所有内容均由合作方或网友上传,本站不对文档的完整性、权威性及其观点立场正确性做任何保证或承诺!文档内容仅供研究参考,付费前请自行鉴别。
3、如文档内容存在违规,或者侵犯商业秘密、侵犯著作权等,请点击“违规举报”。

碎片内容

DDF数配架说明书

确认删除?
VIP
微信客服
  • 扫码咨询
会员Q群
  • 会员专属群点击这里加入QQ群
客服邮箱
回到顶部