电脑桌面
添加小米粒文库到电脑桌面
安装后可以在桌面快捷访问

工程现场签证单实用模板VIP专享

工程现场签证单实用模板_第1页
1/9
工程现场签证单实用模板_第2页
2/9
工程现场签证单实用模板_第3页
3/9
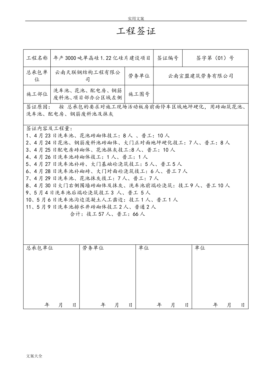
实用文案工程签证工程名称年产 3000 吨单晶硅 1.22 亿硅片建设项目签证编号总承包单位施工部位云南天联钢结构工程有限公司劳务单位签字第(01)号云南宣盟建筑劳务有限公司洗车池、花池、配电房、钢筋施工图号废料池、项目部办公区域左侧签证原因:按 总承包的要求对施工现场活动板房前面停车区域地坪硬化,用砖砌筑花池、洗车池、配电房、钢筋废料池及抹灰签证内容及工程量:1、4 月 23 日洗车池、花池砖砌体技工:8 人 、普工:10 人2、4 月 24 日花池、钢筋废料池砖砌体、大门正对面地坪硬化技工:7 人、普工:8 人3、4 月 25 日配电房砖砌体、花池抹灰技工:8 人、普工:10 人4、4 月 26 日洗车池砖砌体技工:1 人、普工:1 人5、4 月 27 日洗车池补砖、大门基础砼浇筑技工:5 人、普工 5 人6、4 月 28 日洗车池补砌砖、大门对面砼浇筑技工:6 人、普工 7 人7、4 月 29 日洗车池、花池抹灰技工:7 人、普工:7 人8、4 月 30 日大门右侧围墙砖砌体及抹灰、洗车池前端砼浇筑:技工 9 人、普工 10 人9、5 月 4 日洗车池后端砼浇筑技工 3 人、普工 5 人10、5 月 6 日洗车池沟边混凝土人工凿边:技工 1 人、普工 1 人11、5 月 9 日洗车池排水井砖砌体技工 2 人、普通 2 人合计:技工 57 人、普工:66 人总承包单位年月日文案大全劳务单位年月日单位年月日单位年月日实用文案工程签证工程名称年产 3000 吨单晶硅 1.22 亿硅片建设项目签证编号总承包单位施工部位云南天联钢结构工程有限公司进场大门劳务单位施工图号签字第(02)号云南宣盟建筑劳务有限公司签证原因:按总承包的要求对进场大门进行焊接制作与安装。签证内容及工程量:1、4 月 22 日大门基础人工清土:普工 2 人;2、4 月 24 日大门焊接作业:技工 2 人;3、4 月 25 日大门焊接作业:技工 2 人;4、4 月 26 日大门焊接作业:技工 1 人;5、4 月 27 日大门焊接作业:技工 3 人;6、4 月 28 日大门焊接作业大门基础浇筑:技工 3 人,普工 2 人;7、4 月 29 日大门焊接作业:技工 3 人;8、4 月 30 日大门焊接作业与安装:技工 3 人,普工 2 人;合计:技工 19 人、普工:4 人材料:鑚尾螺丝:5 包,焊条 1 件,角钢 16 根,钢板(1000*1000*100)2 块,角铁:7 支。总承包单位年月日文案大全劳务单位年月日单位年月日单位年月日实用文案工程签证工...

1、当您付费下载文档后,您只拥有了使用权限,并不意味着购买了版权,文档只能用于自身使用,不得用于其他商业用途(如 [转卖]进行直接盈利或[编辑后售卖]进行间接盈利)。
2、本站所有内容均由合作方或网友上传,本站不对文档的完整性、权威性及其观点立场正确性做任何保证或承诺!文档内容仅供研究参考,付费前请自行鉴别。
3、如文档内容存在违规,或者侵犯商业秘密、侵犯著作权等,请点击“违规举报”。

碎片内容

工程现场签证单实用模板

确认删除?
VIP
微信客服
  • 扫码咨询
会员Q群
  • 会员专属群点击这里加入QQ群
客服邮箱
回到顶部