电脑桌面
添加小米粒文库到电脑桌面
安装后可以在桌面快捷访问

基于PLC控制的快递公司包裹自动识别与分拣系统研究

基于PLC控制的快递公司包裹自动识别与分拣系统研究_第1页
1/4
基于PLC控制的快递公司包裹自动识别与分拣系统研究_第2页
2/4
基于PLC控制的快递公司包裹自动识别与分拣系统研究_第3页
3/4
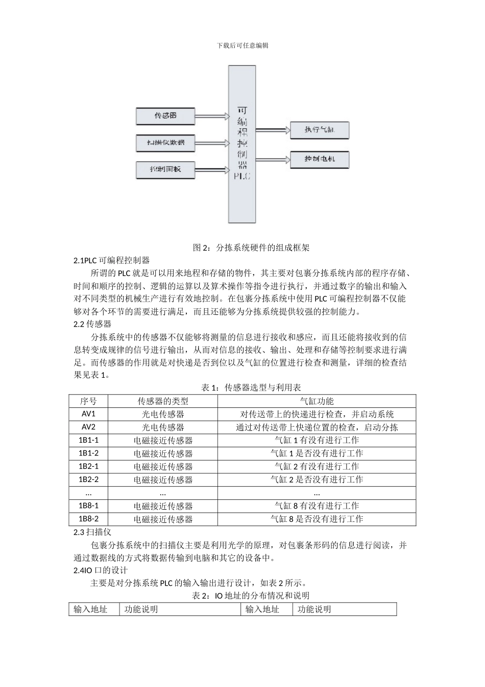
下载后可任意编辑基于 PLC 控制的快递公司包裹自动识别与分拣系统讨论【摘要】随着我国科学技术的快速进展,网络购物已经在全球得到了全面的普及,快递公司也应运而生。现如今,消费者对快递公司送货的要求也越来越高,为了满足消费者的要求,许多快递公司已经将发货和送货的速度作为工作中的重中之重,并采纳 PLC 控制下的包裹自动识别以及分拣系统来提高发货送货的速度。文章通过对快递公司包裹自动识别及分拣系统的分析和讨论,对系统的结构以及使用效果进行详细的阐述。【关键词】PLC 控制;快递;包裹;自动;识别;分拣;系统随着网上购物的快速普及,快递公司的业务也在日益增长,面临着大量的包裹以及消费者的高要求,许多的快递公司采纳了来自于欧洲的包裹自动识别和分拣系统。而所谓的自动识别以及分拣系统就是在大量的数据和信息中对数据进行识别和选择[1]。其中快递公司的包裹自动识别和分拣系统不仅可以将大量的包裹进行准确的地理位置分类,而且降低公司的运营成本。由此可见,快递公司采纳包裹的自动识别以及分拣系统是其进展的重要技术[2]。1 包裹自动识别与分拣系统的结构设计快递公司包裹的自动识别与分拣系统的设计是根据我国各省份、行政区之间的地理位置进行设计的,主要是利用该系统将公司堆积如山的包裹进行快速的区分和发送,当货物发送到各省区和行政区时,又可以通过包裹的自动识别以及分拣系统将货物发送到各省区的下面地区[3]。文章以我国的八大地区为例,将 PLC 控制下的包裹自动识别以及分拣系统进行执行模块和电控模块的设计。其中自动识别与分拣系统的执行模块主要由长距离的输送带、货物的扫描仪、气缸和传感器组成的;而 PLC、操作面板等物件组成了系统的电控模块。如图 1 所示。根据图 1 我们可以知道,传送带的另一边是用来堆放快递的,在传送带与货物堆放区之间有一个滚动式的滑坡,当系统开始运行时,就对每个包裹进行保护,以防出现损坏,同时在每个地区的对面都会有相对应的气缸和扫描仪,对货物进行扫码识别。图 1:自动识别与分拣系统的结构图2 快递公司包裹分拣系统的硬件设计包裹分拣系统的硬件主要由 PLC 可编程控制器、传感器、接口电路、扫描仪、气缸、控电机等物件组成的,如图 2 所示:下载后可任意编辑图 2:分拣系统硬件的组成框架2.1PLC 可编程控制器所谓的 PLC 就是可以用来地程和存储的物件,其主要对包裹分拣系统内部的程序存储、时间和顺序的控制、逻辑的运算以及...

1、当您付费下载文档后,您只拥有了使用权限,并不意味着购买了版权,文档只能用于自身使用,不得用于其他商业用途(如 [转卖]进行直接盈利或[编辑后售卖]进行间接盈利)。
2、本站所有内容均由合作方或网友上传,本站不对文档的完整性、权威性及其观点立场正确性做任何保证或承诺!文档内容仅供研究参考,付费前请自行鉴别。
3、如文档内容存在违规,或者侵犯商业秘密、侵犯著作权等,请点击“违规举报”。

碎片内容

基于PLC控制的快递公司包裹自动识别与分拣系统研究

确认删除?
VIP
微信客服
  • 扫码咨询
会员Q群
  • 会员专属群点击这里加入QQ群
客服邮箱
回到顶部