电脑桌面
添加小米粒文库到电脑桌面
安装后可以在桌面快捷访问

EDA课程设计八位数码管扫描显示电路的设计

EDA课程设计八位数码管扫描显示电路的设计_第1页
1/20
EDA课程设计八位数码管扫描显示电路的设计_第2页
2/20
EDA课程设计八位数码管扫描显示电路的设计_第3页
3/20
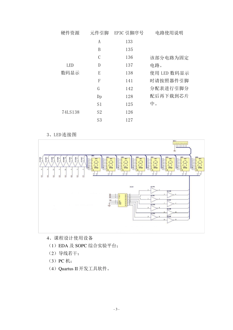
- 1 - 《EDA 技术及应用》 课程设计报告 题 目: 八位数码管扫描显示电路的设计 院 (系): 机电与自动化学院 专业班级: 电气自动化技术 1 0 0 1 学生姓名: 学 号: *********** 指导教师: ** 2 0 1 2 年 6 月 1 0 日至 2 0 1 2 年 6 月 2 3 日 - 2 - 《EDA 技术及应用》课程设计任务书 一 、 设 计 题 目 八 位 数 码 管 扫 描 显 示 电 路 的 设 计 二 、 设 计 主 要 内 容 本 课 题 要 求 掌 握 使 用Qu artu s II 设 计 数 字 系 统 的 设 计 思 路 和 设 计 方 法 。 学 习VHDL 基 本 逻 辑 电 路 的 综 合 设 计 应 用 。 掌 握VHDL 语 言 的 语 法 规 范 , 掌 握 时 序 电路 描 述 方 法 。 掌 握 多 个 数 码 管 动 态 扫 描 显 示 的 原 理 及 设 计 方 法 。 设 计 一 个 八 位 数 码 管 共 阴 极 动 态 扫 描 显 示 控 制 电 路 , 要 求 显 示 学 生 自 己 的 学号 。 利 用 实 验 室 设 备 完 成 系 统 设 计 并 进 行 运 行 调 试 。 1、 具 体 设 计 内 容 如 下 : ( 1) 静 止 显 示 学 号 ; ( 2) 动 态 循 环 显 示 学 号 。 2、 提 供 设 计 报 告 , 报 告 要 求 包 括 以 下 内 容 : 设 计 思 路 、 设 计 输 入 文 件 、 设 计与 调 试 过 程 、 模 拟 仿 真 结 果 和 设 计 结 论 。 三 、 原 始 资 料 1、 LED 显 示 模 块 原 理 LED 有 段 码 和 位 码 之 分 , 所 谓 段 码 就 是让LED 显 示 出“8.”的 八 位 数 据, 一 般情况下 要 通过 一 个 译码 电 路 , 将输 入 的 4 位 2 进 制 数 转换为与 LED 显 示 对应 的 8 位段 码 。 位 码 也就 是LED 的 显 示 使 能端, 对于共 阳级的 LED 而言 , 高电 平使 能。 要 让8 个 LED 同时 工作, 显 示 数 据, 就 是要 不停的 循 环 扫 描 每一 个LED, 并 在使 能每一个 LED 的 同时 , 输 入 所 需 显 示 的 数 据对应 的8 位 段 码 。 虽 然8 个 LED 是依 次 显 示 ,但 是受 视 觉 分 辨...

1、当您付费下载文档后,您只拥有了使用权限,并不意味着购买了版权,文档只能用于自身使用,不得用于其他商业用途(如 [转卖]进行直接盈利或[编辑后售卖]进行间接盈利)。
2、本站所有内容均由合作方或网友上传,本站不对文档的完整性、权威性及其观点立场正确性做任何保证或承诺!文档内容仅供研究参考,付费前请自行鉴别。
3、如文档内容存在违规,或者侵犯商业秘密、侵犯著作权等,请点击“违规举报”。

碎片内容

EDA课程设计八位数码管扫描显示电路的设计

小辰3+ 关注
实名认证
内容提供者

出售各种资料和文档

确认删除?
VIP
微信客服
  • 扫码咨询
会员Q群
  • 会员专属群点击这里加入QQ群
客服邮箱
回到顶部