电脑桌面
添加小米粒文库到电脑桌面
安装后可以在桌面快捷访问

EMC电磁兼容

EMC电磁兼容_第1页
1/22
EMC电磁兼容_第2页
2/22
EMC电磁兼容_第3页
3/22
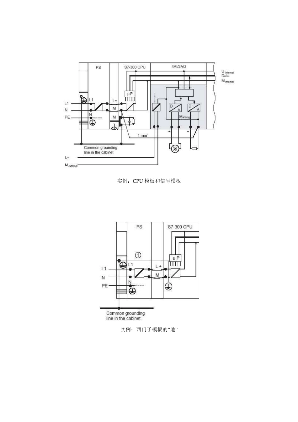
EMC—电磁兼容 1 EMC 基本概念 2 电控系统的电磁干扰与防护 3 变频器的干扰问题 1 EMC 基本概念 1.1 接地(接参考地) “接地”一词在不同场合有不同理解:一种是真正意义上的接地(也就是我们平常所说的接大地);另一种是接参考地(设备里的一个公共参考电位点)。 设备接大地不一定是必须的,之所以让设备接大地,这更多的是与设备的安全以及与人员的安全联系在一起。 设备接参考地则是必须的,以便在设备里建立一个稳定可靠的基准电位点。 1.1.1 参考地的概念 理想的参考地是一个零电位、零阻抗的物理实体,任何电流通过它时 都不会产生压降。因此,理想的参考地可以为设备中的任何信号提供公共的参考电位,而不必担心各接地点之间是否存在电位差。 理想的参考地并不存在,但参考地的概念对于设备的电磁兼容性仍有 重要意义。 在实用中,设备的参考地可以是一块金属薄板(在实际设备中,往往是一块大面积的金属板,如设备的底板、专用接地铜排、甚至是由设备的框架来担当的)。这块金属板在设备里作为部分或全部电路的信号参考平面。 1.1.2 设备参考地的接法 设备有三种基本的参考接地方法:即浮地、单点接地和多点接地。及 由单点接地和多点接地派生出来的混合接地。 Ⅰ.浮地 采用浮地的目的是将设备或电路与公共地或可能引起环流的公共导体隔离开来。浮地还可以使不同电位的电路间配合(通过光耦或变压器)变得容易。 浮地方式的最大优点是抗干扰性能好。 浮地的主要缺点是设备不与公共地直接连接,容易产生静电积累,当电荷积累到一定程度,会在设备与公共地之间的电位差会引起强烈的 静电放电,成为破坏性很强的干扰源。作为折衷,可在采用浮地的设备与公共地之间接进一个阻值很大的电阻,以便泄放掉所积累的电荷。 实例:西门子模板的“地” 实例:西门子模板的“地” 实例:CPU 模板和信号模板 实例:西门子模板的“地” 实例:ET200iSP Ⅱ.单点接地 单点接地是在一个电路或设备中,只有一个物理点被定义为参考接地点,其他凡是需要接地的点都被连接到这一点上。如果在一个系统中包含有许多机柜,则每个机柜的“ 地” 都是独立的(即机柜内的电路采 用自己的单点接地),然后各机柜的“ 地” 再被连到系统中唯一的参考点上。 单点接地的优点是简单。 但是单点接地的最大缺点是,当系统工作频率很高,以致波长小到与系统接地线长度可以比拟时(如达到λ/4 时),就不能再用单点接地了。此...

1、当您付费下载文档后,您只拥有了使用权限,并不意味着购买了版权,文档只能用于自身使用,不得用于其他商业用途(如 [转卖]进行直接盈利或[编辑后售卖]进行间接盈利)。
2、本站所有内容均由合作方或网友上传,本站不对文档的完整性、权威性及其观点立场正确性做任何保证或承诺!文档内容仅供研究参考,付费前请自行鉴别。
3、如文档内容存在违规,或者侵犯商业秘密、侵犯著作权等,请点击“违规举报”。

碎片内容

确认删除?
VIP
微信客服
  • 扫码咨询
会员Q群
  • 会员专属群点击这里加入QQ群
客服邮箱
回到顶部