电脑桌面
添加小米粒文库到电脑桌面
安装后可以在桌面快捷访问

GB50174电子信息系统机房设计规范(附表)VIP专享

GB50174电子信息系统机房设计规范(附表)_第1页
1/8
GB50174电子信息系统机房设计规范(附表)_第2页
2/8
GB50174电子信息系统机房设计规范(附表)_第3页
3/8
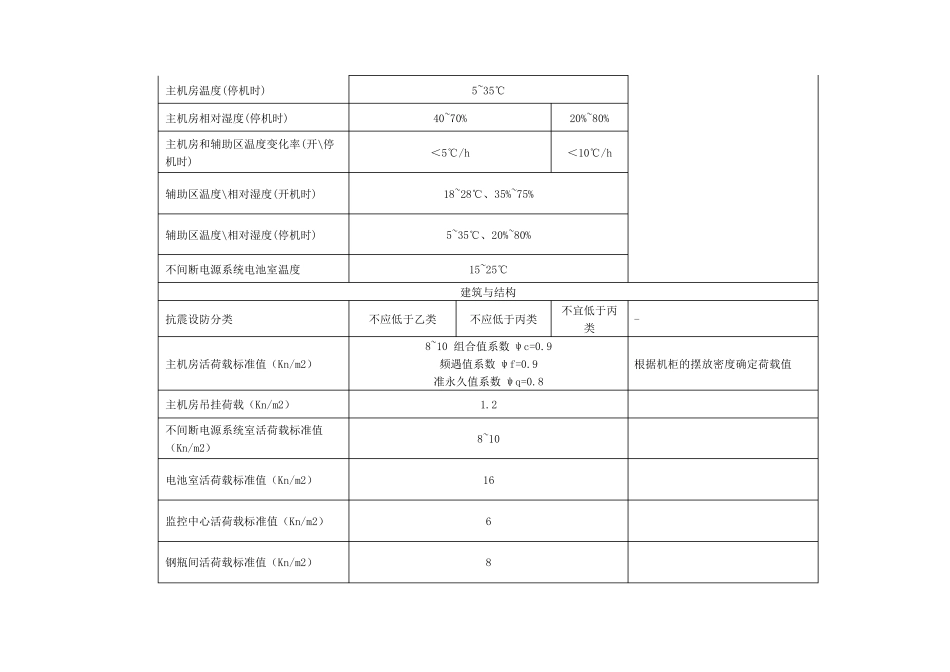
GB50174-2008 电子信息系统机房设计规范(附表) 附录A 各级电子信息系统机房技术要求 项目 技术要求 备注 A 级 B 级 C 级 机房位置选择 距离停车场 不宜小于20 米 不宜小于10 米 - 距离铁路或高速公路的距离 不宜小于800 米 不宜小于100 米 - 不包括各场所各自身使用的机房 距离飞机场 不宜小于8000 米 不宜小于1600 米 不包括各场所各自身使用的机房 距离化学工厂中的危险区域\垃圾填埋场 不宜小于400 米 不包括化学工厂所各自身使用的机房 距离军火库 不应小于1600 米 不宜小于1600 米 不包括军火库所各自身使用的机房 距离核电站的危险区域 不宜小于1600 米 不宜小于1600 米 不包括核电站所各自身使用的机房 有可能发生洪水的地区 不应设置机房 不宜设置机房 - 地震断层附近或有滑坡危险区域 不宜设置机房 - 高犯罪率的地区 不应设置机房 不宜设置机房 - - 环境要求 主机房温度(开机时) 23±1℃ 18~28℃ 不得结露 主机房相对湿度(开机时) 40%~55% 35%~75% 主机房温度(停机时) 5~35℃ 主机房相对湿度(停机时) 40~70% 20%~80% 主机房和辅助区温度变化率(开\停机时) <5℃/h <10℃/h 辅助区温度\相对湿度(开机时) 18~28℃、35%~75% 辅助区温度\相对湿度(停机时) 5~35℃、20%~80% 不间断电源系统电池室温度 15~25℃ 建筑与结构 抗震设防分类 不应低于乙类 不应低于丙类 不宜低于丙类 - 主机房活荷载标准值(Kn/m2) 8~10 组合值系数ψc=0.9 频遇值系数ψf=0.9 准永久值系数ψq=0.8 根据机柜的摆放密度确定荷载值 主机房吊挂荷载(Kn/m2) 1.2 不间断电源系统室活荷载标准值(Kn/m2) 8~10 电池室活荷载标准值(Kn/m2) 16 监控中心活荷载标准值(Kn/m2) 6 钢瓶间活荷载标准值(Kn/m2) 8 电磁屏蔽室活荷载标准值(Kn/m2) 8~10 主机房外墙设采光窗 不宜 防静电活动地板的高度 不宜小于400mm 作为空调静压箱时 防静电活动地板的高度 不宜小于250mm 仅作为电缆布线使用时 屋面的防水等级 Ⅰ Ⅰ Ⅱ / 空气调节 主机房和辅助区设置空气调节系统 应 可 不间断电源系统电池室设置空调降温系统 宜 可 主机房保持正压 应 可 冷冻机组、冷冻和冷却水泵 N+X 冗余(X=1~N) N +1 冗余 N 机房专用空调 N+X 冗余(X=1~N) 主机房中每个区域冗余 X 台 N+1 冗余 主机房中每个区域冗余一台 N 主机房设置采...

1、当您付费下载文档后,您只拥有了使用权限,并不意味着购买了版权,文档只能用于自身使用,不得用于其他商业用途(如 [转卖]进行直接盈利或[编辑后售卖]进行间接盈利)。
2、本站所有内容均由合作方或网友上传,本站不对文档的完整性、权威性及其观点立场正确性做任何保证或承诺!文档内容仅供研究参考,付费前请自行鉴别。
3、如文档内容存在违规,或者侵犯商业秘密、侵犯著作权等,请点击“违规举报”。

碎片内容

GB50174电子信息系统机房设计规范(附表)

小辰6+ 关注
实名认证
内容提供者

出售各种资料和文档

确认删除?
VIP
微信客服
  • 扫码咨询
会员Q群
  • 会员专属群点击这里加入QQ群
客服邮箱
回到顶部