电脑桌面
添加小米粒文库到电脑桌面
安装后可以在桌面快捷访问

GB502072012屋面工程施工质量验收规范检验批质量验收记录表格

GB502072012屋面工程施工质量验收规范检验批质量验收记录表格_第1页
1/8
GB502072012屋面工程施工质量验收规范检验批质量验收记录表格_第2页
2/8
GB502072012屋面工程施工质量验收规范检验批质量验收记录表格_第3页
3/8
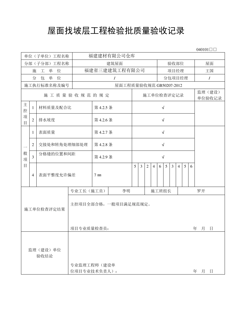
屋面找坡层工程检验批质量验收记录 040101□□ 单位(子单位)工程名称 福建建材有限公司仓库 分部(子分部)工程名称 建筑屋面 验收部位 屋面 施 工 单 位 福建省三建建筑工程有限公司 项目经理 王国 分 包 单 位 / 分包项目经理 / 施工执行标准名称及编号 屋面工程质量验收规范 GB50207-2012 施 工 质 量 验 收 规 范 的 规 定 施工单位检查评定记录 监理(建设)单位验收记录 主控项目 1 材料质量及配合比 第 4.2.5 条 √ 2 排水坡度 第 4.2.6 条 √ 一般项目 1 表面质量 第 4.2.7 条 √ 2 交接处和转角处理细部处理 第 4.2.8 条 √ 3 分格缝的位置和间距 第 4.2.9 条 √ 4 表面平整度允许偏差 7 ㎜ 5 3 2 4 6 5 3 4 5 6 施工单位检查评定结果 专业工长(施工员) 李明 施工班组长 罗开 主控项目全部合格,一般项目满足规范规定。 项目专业质量检查员: 年 月 日 监理(建设)单位 验收结论 专业监理工程师(建设单 位项目专业技术负责人): 年 月 日 屋面找平层工程检验批质量验收记录 040101□□ 单位(子单位)工程名称 福建建材有限公司仓库 分部(子分部)工程名称 建筑屋面 验收部位 屋面 施 工 单 位 福建省三建建筑工程有限公司 项目经理 王国 分 包 单 位 / 分包项目经理 / 施工执行标准名称及编号 屋面工程质量验收规范 GB50207-2012 施 工 质 量 验 收 规 范 的 规 定 施工单位检查评定记录 监理(建设)单位验收记录 主控项目 1 材料质量及配合比 第 4.2.5 条 √ 2 排水坡度 第 4.2.6 条 √ 一般项目 1 表面质量 第 4.2.7 条 √ 2 交接处和转角处理细部处理 第 4.2.8 条 √ 3 分格缝的位置和间距 第 4.2.9 条 √ 4 表面平整度允许偏差 5 ㎜ 2 5 4 2 1 3 2 4 2 3 施工单位检查评定结果 专业工长(施工员) 李明 施工班组长 主控项目全部合格,一般项目满足规范规定。 项目专业质量检查员: 年 月 日 监理(建设)单位 验收结论 专业监理工程师(建设单 位项目专业技术负责人): 年 月 日 屋面保护层工程检验批质量验收记录 040201□□ 单位(子单位)工程名称 福建建材有限公司仓库 分部(子分部)工程名称 建筑屋面 验收部位 屋面 施 工 单 位 福建省三建建筑工程有限公司 项目经理 王国 分 包 ...

1、当您付费下载文档后,您只拥有了使用权限,并不意味着购买了版权,文档只能用于自身使用,不得用于其他商业用途(如 [转卖]进行直接盈利或[编辑后售卖]进行间接盈利)。
2、本站所有内容均由合作方或网友上传,本站不对文档的完整性、权威性及其观点立场正确性做任何保证或承诺!文档内容仅供研究参考,付费前请自行鉴别。
3、如文档内容存在违规,或者侵犯商业秘密、侵犯著作权等,请点击“违规举报”。

碎片内容

GB502072012屋面工程施工质量验收规范检验批质量验收记录表格

确认删除?
VIP
微信客服
  • 扫码咨询
会员Q群
  • 会员专属群点击这里加入QQ群
客服邮箱
回到顶部