电脑桌面
添加小米粒文库到电脑桌面
安装后可以在桌面快捷访问

GBT503752016建筑工程施工质量评价标准(表格)最新VIP专享

GBT503752016建筑工程施工质量评价标准(表格)最新_第1页
1/54
GBT503752016建筑工程施工质量评价标准(表格)最新_第2页
2/54
GBT503752016建筑工程施工质量评价标准(表格)最新_第3页
3/54
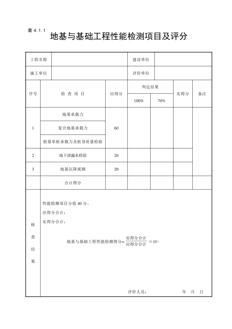
表4.1.1 地基与基础工程性能检测项目及评分 工程名称 建设单位 施工单位 评价单位 序号 检 查 项 目 应得分 判定结果 实得分 备注 100% 70% 1 地基承载力 60 复合地基承载力 桩基单桩承载力及桩身质量检验 2 地下渗漏水检验 20 3 地基沉降观测 20 合计得分 核 查 结 果 性能检测项目分值40 分。 应得分合计: 实得分合计: 地基与基础工程性能检测得分= ×40= 评价人员: 年 月 日 实得分合计 应得分合计 表4.2.1 地基与基础工程质量记录项目及评分 工程名称 建设单位 施工单位 评价单位 序号 检 查 项 目 应得分 判定结果 实得分 备注 100% 70% 1 材料合格证、进场验收记录及复试报告 钢筋、水泥、外加剂合格证、进场验收记录及复试报告,混凝土进场塌落度测试记录 30 预制桩合格证及进场验收记录、桩强度试验报告 防水材料合格证、进场验收记录及复试报告 2 施工记录 地基处理、验槽、钎探施工记录 30 预制桩接头施工记录 打(压)桩及试桩施工记录 灌注桩成孔、钢筋笼、混凝土灌注桩浇筑施工记录 防水层施工记录及隐蔽工程验收记录 3 施工试验 有关地基材料配合比试验报告 压实系数、桩体及桩间土干密度试验报告 40 钢筋连接试验报告 混凝土试件强度评定报告 预制桩龄期及试件强度试验报告 防水材料配合比试验报告 合计得分 核 查 结 果 质量记录项目分值40 分。 应得分合计: 实得分合计: 地基与基础工程质量记录得分= ×40= 评价人员: 年 月 日 实得分合计 应得分合计 表4.3.1 地基及基础工程允许偏差项目及评分 工程名称 建设单位 施工单位 评价单位 序号 检 查 项 目 应得分 判定结果 实得分 备注 100% 70% 1 天然地基标高及基槽尺寸偏差 80 复合地基桩位偏差 打(压)桩桩位偏差 灌注桩桩位偏差 2 防水卷材、塑料板搭接宽度偏差 20 合计得分 核 查 结 果 允许偏差项目分值10 分。 应得分合计: 实得分合计: 地基与基础工程允许偏差得分= ×10= 评价人员: 年 月 日 实得分合计 应得分合计 表4.4.1 地基与基础工程观感质量项目及评分 工程名称 建设单位 施工单位 评价单位 序号 检 查 项 目 应得分 判定结果 实得分 备注 100% 70% 1 地基、复合地基 标高、表面平整、边坡 80 桩基 桩头、桩顶标高、场地平整 2 地下防水 表面质量、细部处理(施工缝、变形...

1、当您付费下载文档后,您只拥有了使用权限,并不意味着购买了版权,文档只能用于自身使用,不得用于其他商业用途(如 [转卖]进行直接盈利或[编辑后售卖]进行间接盈利)。
2、本站所有内容均由合作方或网友上传,本站不对文档的完整性、权威性及其观点立场正确性做任何保证或承诺!文档内容仅供研究参考,付费前请自行鉴别。
3、如文档内容存在违规,或者侵犯商业秘密、侵犯著作权等,请点击“违规举报”。

碎片内容

GBT503752016建筑工程施工质量评价标准(表格)最新

确认删除?
VIP
微信客服
  • 扫码咨询
会员Q群
  • 会员专属群点击这里加入QQ群
客服邮箱
回到顶部