电脑桌面
添加小米粒文库到电脑桌面
安装后可以在桌面快捷访问

GSK928TE数控车床编程说明书

GSK928TE数控车床编程说明书_第1页
1/21
GSK928TE数控车床编程说明书_第2页
2/21
GSK928TE数控车床编程说明书_第3页
3/21
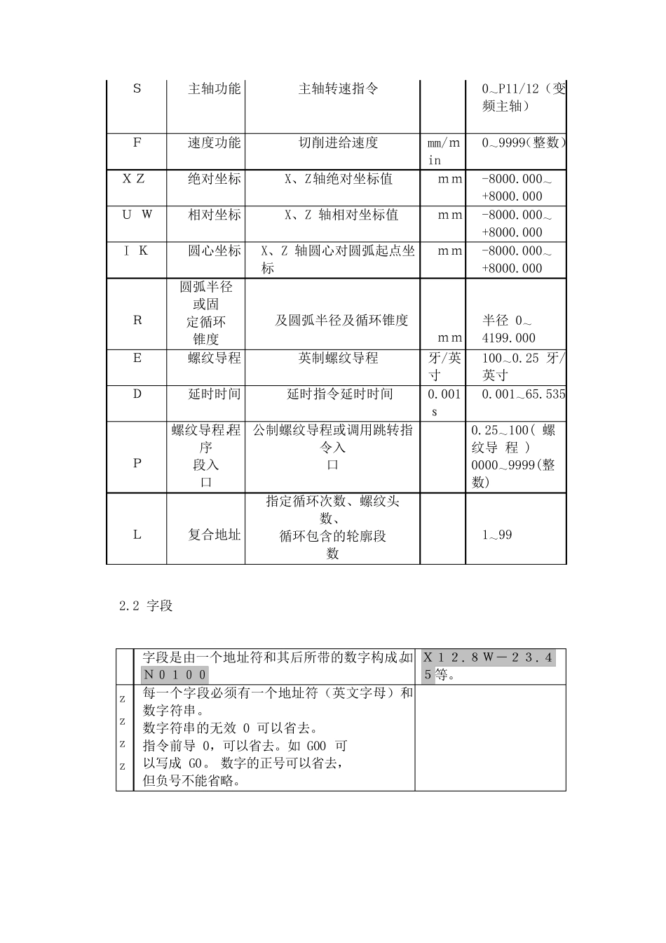
编程篇 第一章 编程概要 数控机床的自动加工过程,就是按照事先编写好的零件程序自动运行的过程。所谓编程,就是 根据加工零件的图纸和工艺要求,把它用数控语言描述出来,编制成零件的加工程序。 本篇主要说明本数控系统加工程序的指令含义及编制方式,在编制程序之前,请先详细阅读本篇内容。 1.1 坐标轴及其运动方向的定义 本数控系统按照 JB/T3051-1999 《数字控制机床坐标和运动命名》中关于普通车床的坐标和 命名定义了系统的控制轴及运动。本系统对可控制的两个坐标轴定义为 X 、Z 轴,两个坐标轴相 互垂直构成 X—Z 平面直角坐标系.如图 1: X 坐标:X 坐标定义为与主轴旋转中心线相垂直,X 正方向为刀具离开主轴旋转中心方向。 Z 坐标:Z 坐标定义为与主轴旋转中心线重合,Z 正方向为刀具远离主轴箱方向。 1.2 机械原点 机械原点为机床上固定位置的一点,通常数控车床的机械原点设置在 X 轴和 Z 轴的正方向最 大行程处,并安装相应的机械原点开关和撞块,如果机床上没有安装机械原点开关和撞块,请不 要使用本系统中回机械原点功能,或将 P12 参数的MZRO设置成 0 . 1.3 编程坐标 本系统编程可用绝对坐标(X、Z 字段 ),相对坐标(U、W 字段 ) 或混 合坐标(X/W、U/Z 字段 ) 进行编程。对于 X 轴坐标,本系统使用直径编程(所有 X 轴方向的尺寸和参数均用直径量表示)。 第二章 程序结构 为使机床能按要求运动而编写的 CNC 指令集合称之为程序,数控系统按指令顺序使刀具沿线圆弧运动或使主轴启动停止,冷却液开关等,程序中的指令顺序就是按工件工艺要求的顺序而编制的。 2.1 字符 字符是构成程序的最基本的元素。本系统字符包括英文字母,数字和一些符号。 z 英文字母是每一个指令或数据的地址符,共有 17 个:D E F G I K L M N P R S TUW X Z z 数字是每个地址符的具体数据: 0,1,2,3,4,5,6,7,8,9 z 符号:% — . % :仅作为程序号的开始符 —:表示负的数据 . :表示小数点 地址符定义及数据范围如下表所示 地址符 功能 意义 单位 数据范围 % 工件号 加工工件的程序号 00~99(整数) N 程序段号 程序段的程序段号 0000~9999(整数) G 准备功能 指令执行的方式 00~99(整数) M 辅助功能 辅助动作指令 00~99(整数) T 刀具功能 选择刀具号及刀补号 00~89(整数) 0~4...

1、当您付费下载文档后,您只拥有了使用权限,并不意味着购买了版权,文档只能用于自身使用,不得用于其他商业用途(如 [转卖]进行直接盈利或[编辑后售卖]进行间接盈利)。
2、本站所有内容均由合作方或网友上传,本站不对文档的完整性、权威性及其观点立场正确性做任何保证或承诺!文档内容仅供研究参考,付费前请自行鉴别。
3、如文档内容存在违规,或者侵犯商业秘密、侵犯著作权等,请点击“违规举报”。

碎片内容

GSK928TE数控车床编程说明书

您可能关注的文档

确认删除?
VIP
微信客服
  • 扫码咨询
会员Q群
  • 会员专属群点击这里加入QQ群
客服邮箱
回到顶部