电脑桌面
添加小米粒文库到电脑桌面
安装后可以在桌面快捷访问

HA17358运算放大器

HA17358运算放大器_第1页
1/6
HA17358运算放大器_第2页
2/6
HA17358运算放大器_第3页
3/6
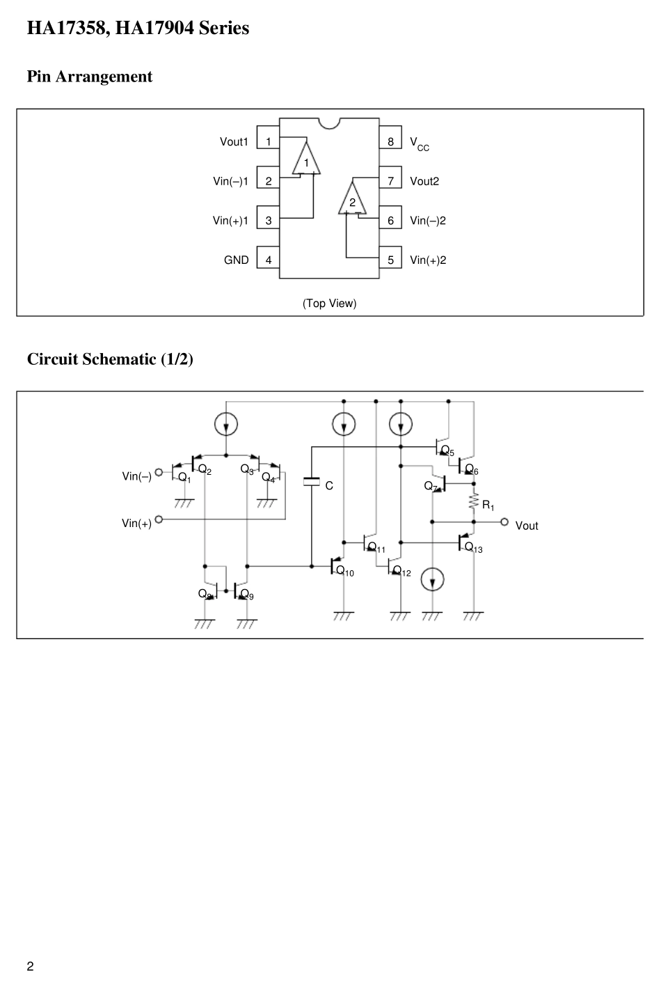
HA17358, HA17904 SeriesDual Operational AmplifierDescriptionHA17904 and HA17358 are dual operational amplifiers which, provide internal phase compensation andhigh gain, and mono power source operation is possible. It can be widely applied to control equipment andto general use.Featu res• Wide range of operating supply voltage and mono power source operation is possible.• Wide range of common mode input voltage possible to operate with an input around 0V, and outputaround 0V is available.• Frequency characteristics and input bias currrent are temperature compensated.Ordering InformationTy pe No.ApplicationPackageHA17904PSJCar u seDP-8HA17904FPJCar u seFP-8DHA17904FPKCar u seHA17904PSIndu strial u seDP-8HA17904FPIndu strial u seFP-8DHA17358Commercial u seDP-8HA17358FCommercial u seFP-8DHA17358, HA17904 Series2Pin Arrangement– +Vout1Vin(–)1Vin(+)1GNDVCCVout2Vin(–)2Vin(+)2+ –87651234(Top View)12Circu it Schematic (1/2)Q1Q4Q2Q3Q5Q6Q7Q13Q12Q11Q10Q8Q9VoutR1Vin(+)Vin(–)CHA17358, HA17904 Series3Absolute Maximum Ratings (Ta = 25°C)RatingsItemSy mbolHA17358HA17358FHA17904PSHA17904FPHA17904PSJHA17904FPJHA17904FPKUnitSupplyvoltageVCC32323232323232VOutput sinkcurrentIO sink50505050505050mACommon-mode inputvoltageVCM–0.3 toVCC–0.3 toVCC–0.3 toVCC–0.3 toVCC–0.3 toVCC–0.3 toVCC–0.3 toVCCVCommon-modedifferentialvoltageV IN(diff)±VCC±VCC±VCC±VCC±VCC±VCC±VCCVPowerdissipationPT570*1385*2570*1385*2570*1385*2385*2mWOperatingtemperaturerangeTopr–20 to+75–20 to+75–20 to+75–20 to+75–40 to+85–40 to+85–40 to+125°CStoragetemperaturerangeTstg–55 to+125–55 to+125–55 to+125–55 to+125–55 to+125–55 to+125–55 to+150°CNotes: 1. These are the allowable values up to Ta = 55 °C. Derate by 8.3mW/°C above that temperature.2. These are the allowable values up to Ta = 45 °C mounting on 30% wirin...

1、当您付费下载文档后,您只拥有了使用权限,并不意味着购买了版权,文档只能用于自身使用,不得用于其他商业用途(如 [转卖]进行直接盈利或[编辑后售卖]进行间接盈利)。
2、本站所有内容均由合作方或网友上传,本站不对文档的完整性、权威性及其观点立场正确性做任何保证或承诺!文档内容仅供研究参考,付费前请自行鉴别。
3、如文档内容存在违规,或者侵犯商业秘密、侵犯著作权等,请点击“违规举报”。

碎片内容

HA17358运算放大器

小辰4+ 关注
实名认证
内容提供者

出售各种资料和文档

相关文档

确认删除?
VIP
微信客服
  • 扫码咨询
会员Q群
  • 会员专属群点击这里加入QQ群
客服邮箱
回到顶部