电脑桌面
添加小米粒文库到电脑桌面
安装后可以在桌面快捷访问

HTA11072003大型空分设备安装技术要求VIP专享

HTA11072003大型空分设备安装技术要求_第1页
1/19
HTA11072003大型空分设备安装技术要求_第2页
2/19
HTA11072003大型空分设备安装技术要求_第3页
3/19
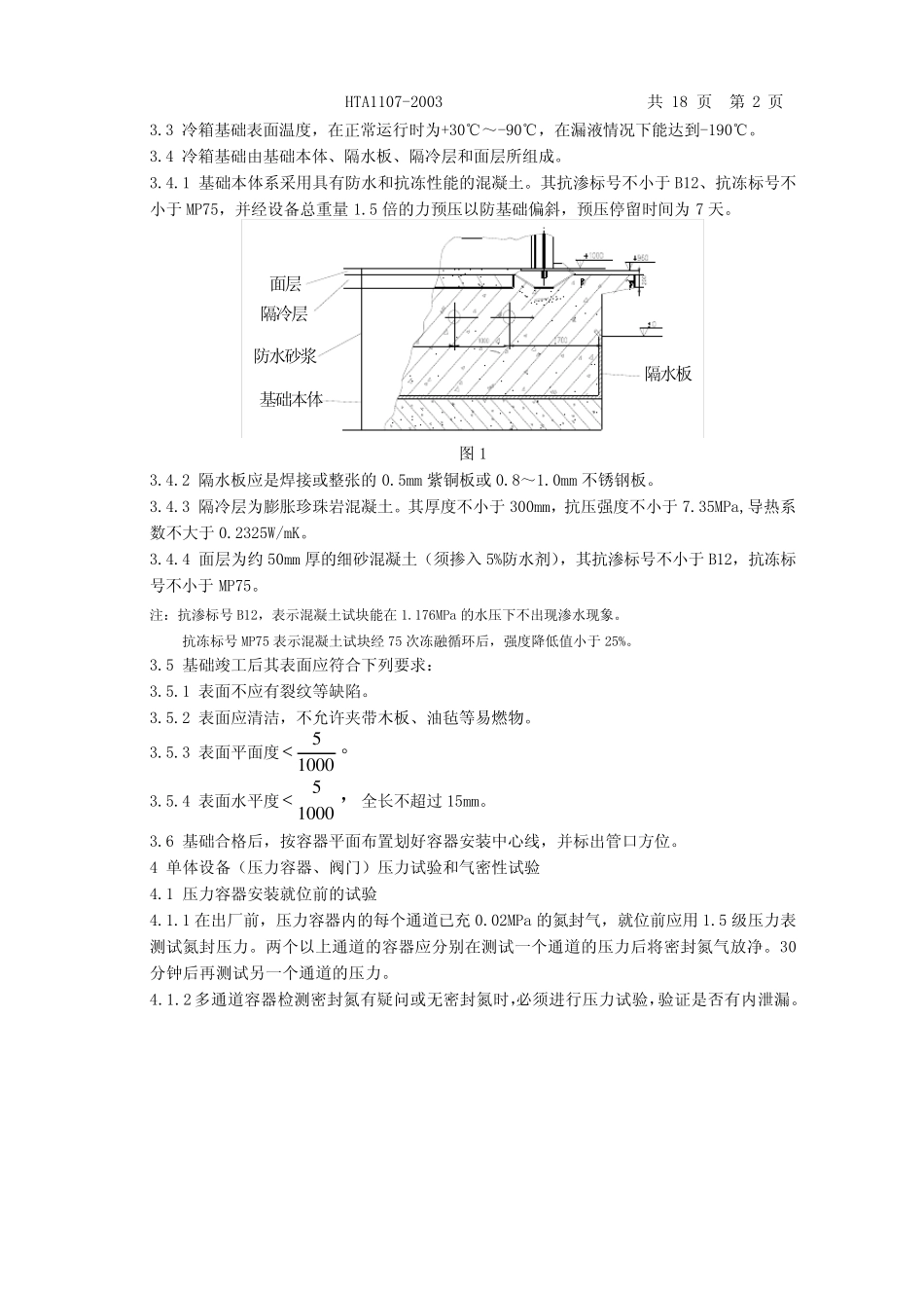
工 厂 标 准 HTA1107-2003 大型空分设备安装 技术要求 代 替 HTA1107-93 共18 页 第 1 页 1 适用范围 1.1 本标准规定了杭州杭氧股份有限公司(简称杭氧)设计、制造的空分设备的安装技术要求。 1.2 本标准适用于杭氧设计、制造的切换式流程、分子筛净化吸附式(含增压型)流程、规整填料精馏塔及全精馏制氩流程、氧气(氮气)内压缩流程和液体空分设备流程的空分设备现场安装。 1.3 本标准不适用压缩机、透平膨胀机、泵及液化气体贮存系统和稀有气体提取设备及相应的净化系统安装,这些设备、机器的安装,应按各相应的安装标准或技术文件进行。 1.4 产品图样和技术文件对产品安装有特殊要求时,应按相应的产品图样和技术文件规定执行。安装单位可根据本标准要求拟订安装细则。 2 规范性引用文件 压力容器安全技术监察规程(原国家质量技术监督局1999 年颁布) GB150-1998 钢制压力容器 JB/T4734-2002 铝制焊接容器规定 JB/T5902-2001 空气分离设备用氧气管道技术条件 HTA5411-2001 铝制空分设备安装焊接技术条件 GB50231-1998 机械设备安装工程施工及验收通用规范 GB50274-1998 制冷设备、空气分离设备安装工程施工及验收规范 GB50235-1997 工业金属管道工程施工及验收规范 JB4730-94 压力容器无 损 检 测 HT8009-88 金属制件的除 油 清 洗 HT7075-83 矿 渣 棉 HT7012-82 膨胀珍 珠 岩 3 冷箱 基 础 3.1 空分塔冷箱 基 础 ,除 具 有足 够 强 度 和防 止 沉 陷 倾 斜 等 要求外 ,尚 需 特别 考 虑 它 所 承 载 的设备是 处 于低 温 下 工作 的特点 。 3.2 冷箱 基 础 所 承 载 的负 荷 主 要由 冷箱 、平台 梯 子、阀 门 、管道、塔器、容器、珠 光 砂 、液体介 质等 构 成 。 拟 制 周 家建 2003.12 标准化组 批 准 朱 朔 元 2004.01校 对 萧 晓 明 2004.01 徐 星 2004.01 实 施日 期 2004.02.01 审 核 周 智 勇 2004.01 提出 单位 杭氧设计院 HTA1107-2003 共18 页 第2 页3.3 冷箱基础表面温度,在正常运行时为+30℃~-90℃,在漏液情况下能达到-190℃。 3.4 冷箱基础由基础本体、隔水板、隔冷层和面层所组成。 3.4.1 基础本体系采用具有防水和抗冻性能的混凝土。其抗渗标号不小于 B12、抗冻标号不小于 MP75,并经设备总重量 1.5 倍的力预压以防基础偏斜,预...

1、当您付费下载文档后,您只拥有了使用权限,并不意味着购买了版权,文档只能用于自身使用,不得用于其他商业用途(如 [转卖]进行直接盈利或[编辑后售卖]进行间接盈利)。
2、本站所有内容均由合作方或网友上传,本站不对文档的完整性、权威性及其观点立场正确性做任何保证或承诺!文档内容仅供研究参考,付费前请自行鉴别。
3、如文档内容存在违规,或者侵犯商业秘密、侵犯著作权等,请点击“违规举报”。

碎片内容

HTA11072003大型空分设备安装技术要求

确认删除?
VIP
微信客服
  • 扫码咨询
会员Q群
  • 会员专属群点击这里加入QQ群
客服邮箱
回到顶部