电脑桌面
添加小米粒文库到电脑桌面
安装后可以在桌面快捷访问

JC4762001混凝土膨胀剂

JC4762001混凝土膨胀剂_第1页
1/6
JC4762001混凝土膨胀剂_第2页
2/6
JC4762001混凝土膨胀剂_第3页
3/6
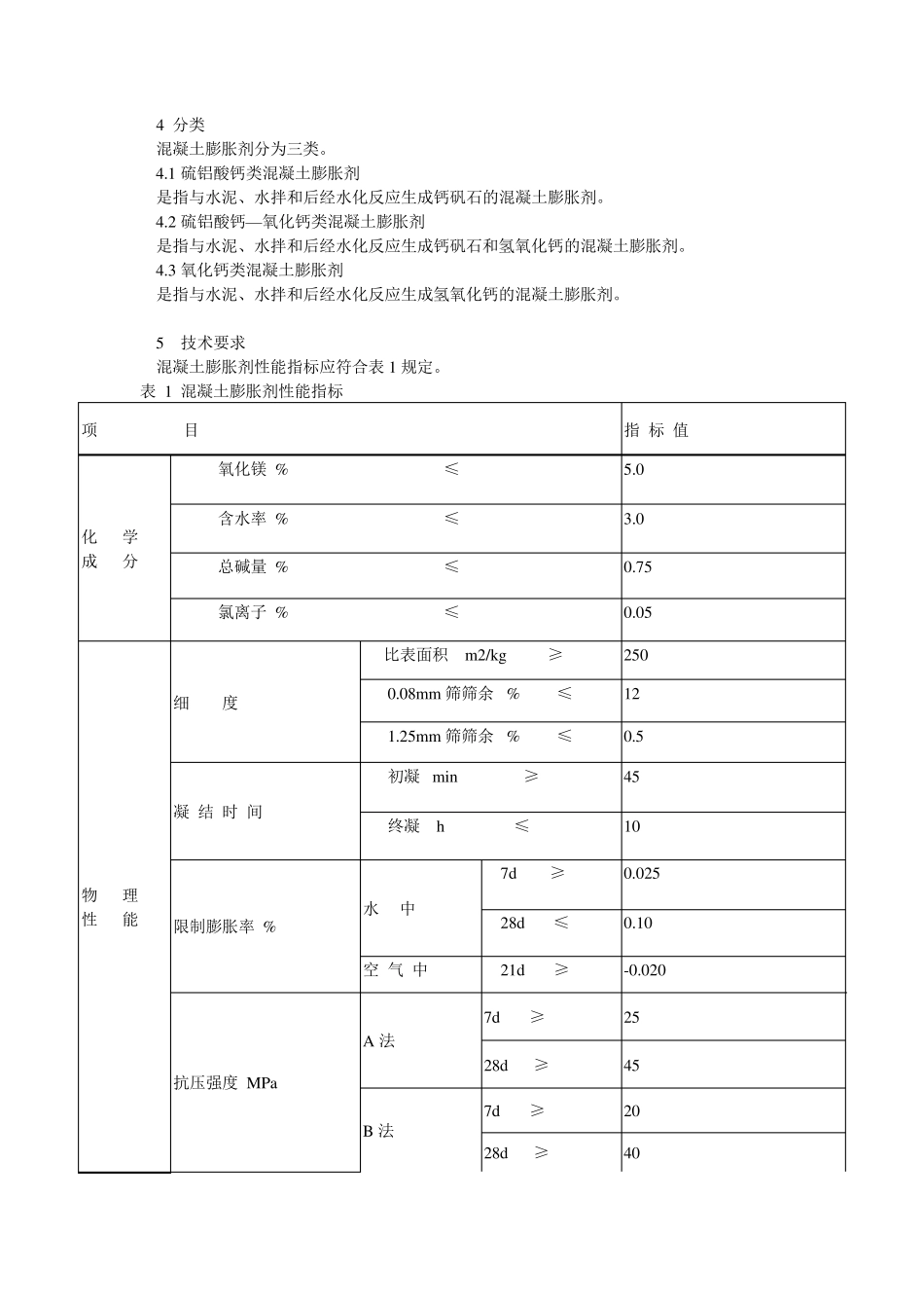
混凝土膨胀剂JC476-2001 前 言 本标准是在jc476—1998《混凝土膨胀剂》的基础上进行修订的。修订内容为混凝土膨胀剂限制膨胀率龄期、试验方法、仪器设备,取消了原标准中的复合型混凝土膨胀剂。 2002 年发第一号修改单,对检验水泥进行修改,规定 A、B 两种检验方法。 本标准从生效日起,代替 jc476—1998《混凝土膨胀剂》。 本标准的附录 a 为本标准的附录。 本标准由全国水泥制品标准化技术委员会归口。 本标准负责起草单位:中国建筑材料科学研究院水泥科学与新型建筑材料研究所 本标准参加起草单位:北京中岩特种工程材料公司、天津豹鸣股份有限公司、北京利力新技术开发公司、重庆市江北特种建材厂。 本标准主要起草人:赵顺增 刘 立 吴万春 游宝坤 李乃珍 雷秀英 包科祥 潘先文 本标准委托中国建筑材料科学研究院水泥科学与新型建筑材料研究所负责解释。 本标准首次发布于 1992 年,1998 年为第一次修订,本次为第二次修订。 1 范围 本标准规定了混凝土膨胀剂的定义、技术要求、试验方法、检验规则及包装、标志、运输和贮存。 本标准适用于硫铝酸钙类、硫铝酸钙-氧化钙类与氧化钙类粉状混凝土膨胀剂。 2 引用标准 下列标准包含的条文,通过在本标准中引用而构成本标准的条文。在标准出版时,所示版本均为有效。所有标准都会被修订,使用本标准的各方应探讨使用下列标准最新版本的可能性。 GB 175-1999 硅酸盐水泥、普通硅酸盐水泥 GB/T 176—1996 水泥化学分析方法(eqv ISO 680:1990) GB/T 1345—1991 水泥细度检验方法(80mm 筛筛析法) GB/T 1346—1989 水泥标准稠度用水量、凝结时间、安定性检验方法(neq ISO/DIS 9597) GB 4357—1989 碳素弹簧钢丝 GB/T 8074—1987 水泥比表面积测定方法(勃氏法) GB 8076—1997 混凝土外加剂 GB/T 12573—1990 水泥取样方法 GB/T 17671—1999 水泥胶砂强度检验方法(ISO 法) JC/T 420—1991 水泥原料中氯的化学分析方法 JC/T 477—1992(1996)——喷射混凝土用速凝剂 JGJ 63—1989 混凝土拌和用水标准 3 定义 混凝土膨胀剂是指与水泥、水拌和后经水化反应生成钙矾石、钙矾石和氢氧化钙或氢氧化 钙,使混凝土产生膨胀的外加剂。 4 分类 混凝土膨胀剂分为三类。 4.1 硫铝酸钙类混凝土膨胀剂 是指与水泥、水拌和后经水化反应生成钙矾石的混凝土膨胀剂。 4.2 硫铝酸钙—氧化钙类混凝土膨胀剂 是指与水泥、水拌...

1、当您付费下载文档后,您只拥有了使用权限,并不意味着购买了版权,文档只能用于自身使用,不得用于其他商业用途(如 [转卖]进行直接盈利或[编辑后售卖]进行间接盈利)。
2、本站所有内容均由合作方或网友上传,本站不对文档的完整性、权威性及其观点立场正确性做任何保证或承诺!文档内容仅供研究参考,付费前请自行鉴别。
3、如文档内容存在违规,或者侵犯商业秘密、侵犯著作权等,请点击“违规举报”。

碎片内容

JC4762001混凝土膨胀剂

您可能关注的文档

确认删除?
VIP
微信客服
  • 扫码咨询
会员Q群
  • 会员专属群点击这里加入QQ群
客服邮箱
回到顶部