电脑桌面
添加小米粒文库到电脑桌面
安装后可以在桌面快捷访问

JGJ2152010施工升降机规程—附表VIP专享

JGJ2152010施工升降机规程—附表_第1页
1/13
JGJ2152010施工升降机规程—附表_第2页
2/13
JGJ2152010施工升降机规程—附表_第3页
3/13
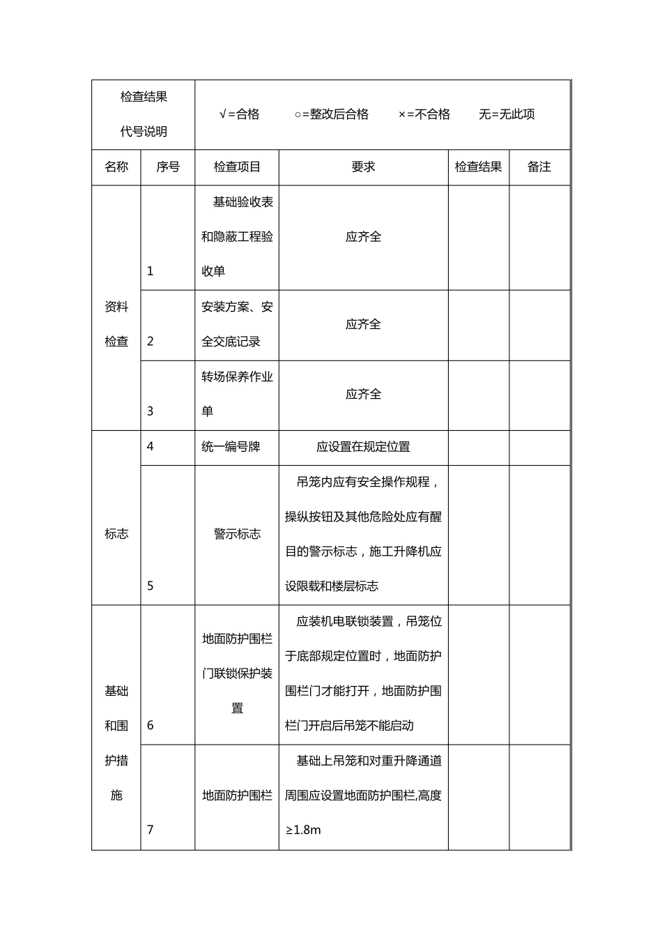
施 工 升降机基础验收表 工 程 名 称 工 程 地 址 使 用 单 位 安 装 单 位 设 备 型 号 备 案 登 记 号 序 号 检 查 项 目 检 查 结 论 ( 合 格 √ 不 合 格 ×) 备 注 1 地 基 承 载 力 2 基 础 尺 寸 偏 差 ( 长 ×宽 ×厚 )( mm) 3 基 础 混 凝 土 强 度 报 告 4 基 础 表 面 平 整 度 5 基 础 顶 部 标 高 偏 差 ( mm) 6 预 埋 螺 栓 、预 埋 件位 置偏 差 ( mm) 7 基 础 周边排水措施 8 基 础 周边与架空输电线安 全距离 其他需说明的内容 总承 包单 位 参加人员签字 使 用 单 位 参加人员签字 安 装 单 位 参加人员签字 监理单 位 参加人员签字 验 收 结 论 : 施 工 总 承 包 单 位(盖章): 年 月 日 附录 B 施 工 升降机安装自检表 工 程名称 工 程地址 安装单 位 安装资质等级 制造单 位 使用单 位 设备型号 备案登记号 安装日期 初始安装高度 最高安装高度 检 查 结 果 代 号 说 明 √=合 格 ○=整 改 后 合 格 ×=不 合 格 无 =无 此 项 名 称 序 号 检 查 项 目 要 求 检 查 结 果 备 注 资 料 检 查 1 基 础 验 收 表和 隐 蔽 工 程 验收 单 应 齐 全 2 安 装 方 案 、安全 交 底 记 录 应 齐 全 3 转 场 保 养 作 业单 应 齐 全 标 志 4 统 一 编 号 牌 应 设 置 在 规 定 位 置 5 警 示 标 志 吊 笼 内 应 有 安 全 操 作 规 程 ,操 纵 按 钮 及 其 他 危 险 处 应 有 醒目 的 警 示 标 志 , 施 工 升 降 机 应设 限 载 和 楼 层 标 志 基 础 和 围 护 措 施 6 地 面 防 护 围 栏门 联 锁 保 护 装置 应 装 机 电 联 锁 装 置 , 吊 笼 位于 底 部 规 定 位 置 时 , 地 面 防 护围 栏 门 才 能 打 开 , 地 面 防 护 围栏 门 开 启 后 吊 笼 不 能 启 动 7 地 面 防 护 围 栏 基 础 上 吊 笼 和 对 重 升 降 通 道周 围 应 设 置 地 面 防 护 围 栏 ,高 度≥ 1.8m 8 安 全 防 护 区 当 施 工 升 降 机 基 础 下 方 有 施工 作 业 区 时 , 应 加...

1、当您付费下载文档后,您只拥有了使用权限,并不意味着购买了版权,文档只能用于自身使用,不得用于其他商业用途(如 [转卖]进行直接盈利或[编辑后售卖]进行间接盈利)。
2、本站所有内容均由合作方或网友上传,本站不对文档的完整性、权威性及其观点立场正确性做任何保证或承诺!文档内容仅供研究参考,付费前请自行鉴别。
3、如文档内容存在违规,或者侵犯商业秘密、侵犯著作权等,请点击“违规举报”。

碎片内容

JGJ2152010施工升降机规程—附表

确认删除?
VIP
微信客服
  • 扫码咨询
会员Q群
  • 会员专属群点击这里加入QQ群
客服邮箱
回到顶部