电脑桌面
添加小米粒文库到电脑桌面
安装后可以在桌面快捷访问

JRD22型电动机综合保护器样本06版

JRD22型电动机综合保护器样本06版_第1页
1/12
JRD22型电动机综合保护器样本06版_第2页
2/12
JRD22型电动机综合保护器样本06版_第3页
3/12
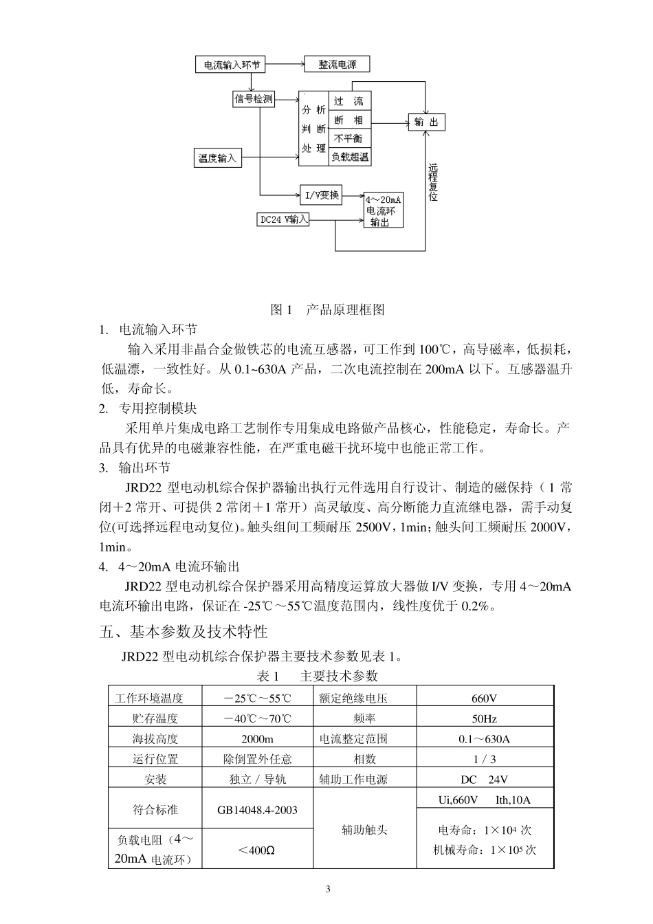
JR D22 型电动机综合保护器 (原 JR D22 型电子式热继电器) 西安开民电子电器新技术应用研究所 2 一、概述 JRD22 型电动机综合保护器(原 JRD22 型电子式热继电器)是西安开民电子 电器新技术应用研究所自行研制、设计并独家生产的替代传统双金属片热继电器的新产品。产品已获得国家两项专利(专利号:ZL95 2 01182.4,ZL96 2 36026.0),符合 GB14048.4—2003 及 IEC60947-4-1:2000 标准;通过国家低压电器产品质量监督检测中心检测,并首家经过国家机电产品电磁兼容性检测中心检测。通过了国内著名专家主持的省部级新产品投产鉴定,得到了低压电器归口管理单位机械工业上海电器科学研究所认定并颁发了产品型号证书;97 年度被列入国家级重点新产品试产计划项目,98 年被列入国家第十八批节能机电产品推广项目,99 年 6 月被陕西省人民政府列入陕西省重大科技产业化项目,2001 年获得全国工业产品生产许可证,2003年通过了ISO9001—2000质量管理体系认证。已入选《民用建筑电气设备手册》、《民用建筑电气设计手册》、《西北五省消防系统图集》、《工厂常用电气设备手册》。被国家建设部编入标准图集《常用电机控制电路图》(D303-2~3)及《全国民用建筑工程设计技术措施 建筑产品选用技术 电气》等。 二、用途与适用范围 JRD22 型电动机综合保护器应用于额定绝缘电压 660V,额定工作电压至 660V,交流 50Hz,额定工作电流从 0.1~630A 的三相异步(单相)电动机回路中,对电动机的过载、过流、断/缺相、三相不平衡等故障进行保护。 三、型号及含义 四、工作原理及特点 3 图 1 产品原理框图 1. 电流输入环节 输入采用非晶合金做铁芯的电流互感器,可工作到 100℃,高导磁率,低损耗,低温漂,一致性好。从 0.1~630A 产品,二次电流控制在 200mA 以下。互感器温升低,寿命长。 2. 专用控制模块 采用单片集成电路工艺制作专用集成电路做产品核心,性能稳定,寿命长。产品具有优异的电磁兼容性能,在严重电磁干扰环境中也能正常工作。 3. 输出环节 JRD22 型电动机综合保护器输出执行元件选用自行设计、制造的磁保持( 1 常闭+2 常开、可提供 2 常闭+1 常开)高灵敏度、高分断能力直流继电器,需手动复位(可选择远程电动复位)。触头组间工频耐压2500V,1min;触头间工频耐压2000V,1min。 4. 4~20mA 电流环输出 JRD22 型电动机综合保护器采用高精度运算放大器做 I/V 变换...

1、当您付费下载文档后,您只拥有了使用权限,并不意味着购买了版权,文档只能用于自身使用,不得用于其他商业用途(如 [转卖]进行直接盈利或[编辑后售卖]进行间接盈利)。
2、本站所有内容均由合作方或网友上传,本站不对文档的完整性、权威性及其观点立场正确性做任何保证或承诺!文档内容仅供研究参考,付费前请自行鉴别。
3、如文档内容存在违规,或者侵犯商业秘密、侵犯著作权等,请点击“违规举报”。

碎片内容

JRD22型电动机综合保护器样本06版

确认删除?
VIP
微信客服
  • 扫码咨询
会员Q群
  • 会员专属群点击这里加入QQ群
客服邮箱
回到顶部