电脑桌面
添加小米粒文库到电脑桌面
安装后可以在桌面快捷访问

截止阀工艺文件通用版

截止阀工艺文件通用版_第1页
1/11
截止阀工艺文件通用版_第2页
2/11
截止阀工艺文件通用版_第3页
3/11
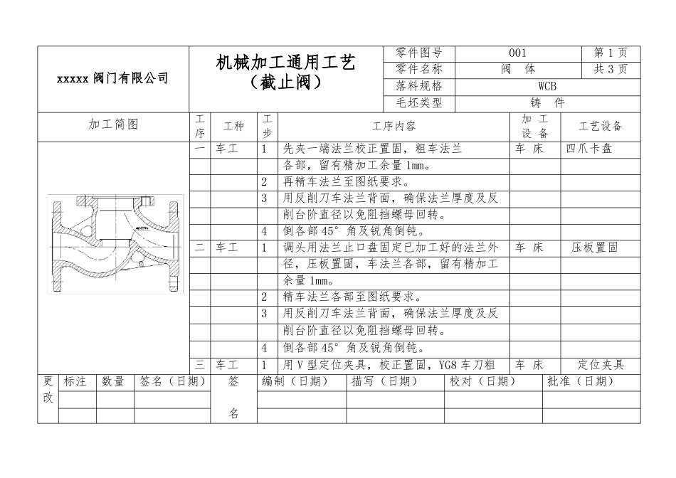
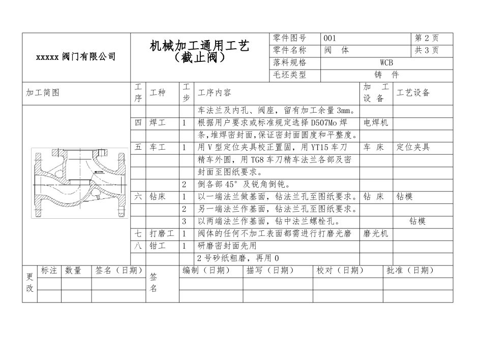
xxxxx 阀门有限公司截止阀通用工艺技 术 部编 制:审 核:批 准:xxxxx 阀门有限公司机械加工通用工艺(截止阀)工工工种序步零件图号零件名称落料规格毛坯类型工序内容001阀体WCB铸件加 工设 备第 1 页共 3 页加工简图工艺设备一 车工二 车工三 车工更 标注数量签名(日期)签改名1先夹一端法兰校正置固,粗车法兰车 床四爪卡盘各部,留有精加工余量 1mm。2再精车法兰至图纸要求。3用反削刀车法兰背面,确保法兰厚度及反削台阶直径以免阻挡螺母回转。4倒各部 45°角及锐角倒钝。1调头用法兰止口盘固定已加工好的法兰外车 床压板置固径,压板置固,车法兰各部,留有精加工余量 1mm。2精车法兰各部至图纸要求。3用反削刀车法兰背面,确保法兰厚度及反削台阶直径以免阻挡螺母回转。4倒各部 45°角及锐角倒钝。1用 V 型定位夹具,校正置固,YG8 车刀粗车 床定位夹具编制(日期)描写(日期)校对(日期)批准(日期)WCB铸件工工加工加工简图工种工序内容工艺设备序步设 备车法兰及内孔、阀座,留有加工余量 3mm。四 焊工1根据用户要求或标准规定选择 D507Mo 焊电焊机条,堆焊密封面,保证密封面圆度和平整度。五 车工1用 V 型定位夹具校正置固,用 YT15 车刀车 床定位夹具精车外圆,用 TG8 车刀精车法兰各部及密封面至图纸要求。2倒各部 45°及锐角倒钝。六 钻床1以一端法兰做基面,钻法兰孔至图纸要求。 钻 床钻模2另一端法兰作基面,钻法兰孔至图纸要求。3以两端法兰作基面,钻中法兰螺栓孔。钻模七 打磨工1阀体的任何不加工表面都需进行打磨光磨磨光机八 钳工1研磨密封面先用2 号砂纸粗磨,再用 0标注数量签名(日期)编制(日期)描写(日期)校对(日期)批准(日期)更签改名xxxxx 阀门有限公司机械加工通用工艺(截止阀)零件图号零件名称落料规格毛坯类型001阀体第 2 页共 3 页xxxxx 阀门有限公司机械加工通用工艺(截止阀)工工工种序步零件图号零件名称落料规格毛坯类型工序内容002阀盖WCB铸件加 工设 备第 1 页共 1 页加工简图工艺设备一车工二车工三车工四钻工五打磨工标注数量签名(日期)更签 名改1先用 YG8 车刀粗车法兰端的外圆,端面及车 床四爪卡盘校正钻孔。2用 YT15 车刀精车法兰至图纸要求。3用镗孔刀内圆刀精车上密封座孔至图纸要求。1调头车配铜螺母处的内螺纹、端面及填料车 床三爪卡盘孔至图纸要求。1配入铜螺母钻止头螺丝孔并攻丝,把铜螺车 床母与...

1、当您付费下载文档后,您只拥有了使用权限,并不意味着购买了版权,文档只能用于自身使用,不得用于其他商业用途(如 [转卖]进行直接盈利或[编辑后售卖]进行间接盈利)。
2、本站所有内容均由合作方或网友上传,本站不对文档的完整性、权威性及其观点立场正确性做任何保证或承诺!文档内容仅供研究参考,付费前请自行鉴别。
3、如文档内容存在违规,或者侵犯商业秘密、侵犯著作权等,请点击“违规举报”。

碎片内容

截止阀工艺文件通用版

您可能关注的文档

确认删除?
VIP
微信客服
  • 扫码咨询
会员Q群
  • 会员专属群点击这里加入QQ群
客服邮箱
回到顶部