电脑桌面
添加小米粒文库到电脑桌面
安装后可以在桌面快捷访问

投影机RS-232接口大全

投影机RS-232接口大全_第1页
1/10
投影机RS-232接口大全_第2页
2/10
投影机RS-232接口大全_第3页
3/10
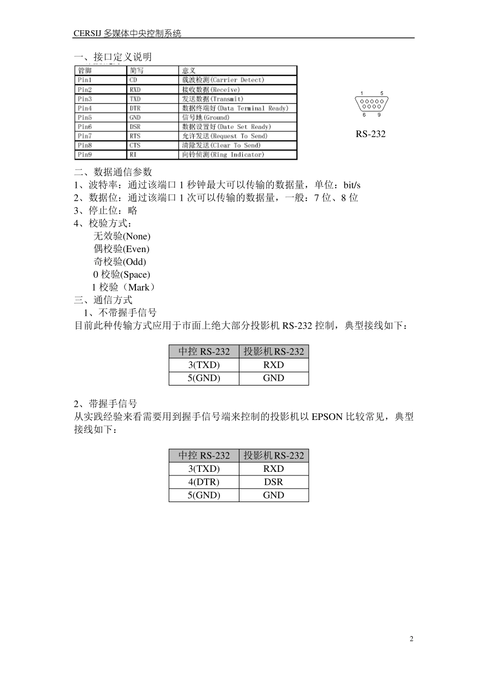
多媒体中央控制系统投影机 RS-232接口大全1CERSIJ串口CERSIJ 多媒体中央控制系统一、接口定义说明RS-232二、数据通信参数1、波特率:通过该端口 1 秒钟最大可以传输的数据量,单位:bit/s2、数据位:通过该端口 1 次可以传输的数据量,一般:7 位、8 位3、停止位:略4、校验方式:无效验(None)偶校验(Even)奇校验(Odd)0 校验(Space)1 校验(Mark)三、通信方式1、不带握手信号目前此种传输方式应用于市面上绝大部分投影机 RS-232 控制,典型接线如下:中控 RS-232投影机RS-2323(TXD)RXD5(GND)GND2、带握手信号从实践经验来看需要用到握手信号端来控制的投影机以 EPSON 比较常见,典型接线如下:中控 RS-232投影机RS-2323(TXD)RXD4(DTR)DSR5(GND)GND2CERSIJ 多媒体中央控制系统三、投影机 RS-232 接口厂商EPSONEPSON型号EMP600EMP800EMP811EMP820EMP5600EMP6010EMP6100EMP7600EMP7700EMP8000EMP9000EMP7300EMP5350EMP5550EMP7250EMP7350EMP7550EMP8100EMP8150EMP8200EMP9100XU-358CXU-35XU-30XU-37XU-31XU-32XP-40XP-41XP-41LPLV70SW10XP-10NXP-21NXP-35XP-45EF10NX9000NX接口类型接口定义2RXD、5GND6DSR备注波特率9600N8母头RS-232C母头母头Prot9RXD13GND11DSR、波特率9600N8随机附带有RS-232转接线SANYO1RXD、4GND波特率19200N8随机附带转接线1RXD不通,需另做线波特率19200N8波特率19200N83RXD、5GND2RXD、5GND母头RS-232C3CERSIJ 多媒体中央控制系统ASKASKC5C20C60C80C85C90C95C100C105A8+A9+A10+C300PLUSU2-1130U2-815C母头RS-232C母头Mouse母头Mouse6RXD、8GND6RXD、8GND6RXD、8GND2RXD、5GND波特率9600N8波特率9600N8波特率1200N8波特率9600N8波特率9600N83RXD、5GND随机带 RS-232 转接线2RXD、5GND波特率38400N8PX11 校验:偶SONYPROXIMAPX11PX32PX31FE100UDP6100DP6155DP6150DP6105DP8000S540X540DP9270DP9290DP9259DP6800DP6870Prot母头6RXD、8GND波特率9600N81RXD、4GND5CTS波特率19200N8母头 RS-232C13RXD、10GND波特率19200N84CERSIJ 多媒体中央控制系统NECDP9240DP9260DP9260+DP9280AV9400AV9400+AV9410AV9500AV9550MT850MT840MT840EMT1040MT1040EMT1045MT1045EMT1050MT1055GT950LT84LT85LT140LT150LT150ZLT75ZLT156VT540VT440VT54VT6503MMP7640MP8670MP8725MP8730MP8740MP8745MP8746MP8747MP8770MP8650MP86602RXD、5GND波特率19200N8母头RS-232C母头Prot1RXD、4GND波特率38400N81RXD、4GND13RXD、10GND波特...

1、当您付费下载文档后,您只拥有了使用权限,并不意味着购买了版权,文档只能用于自身使用,不得用于其他商业用途(如 [转卖]进行直接盈利或[编辑后售卖]进行间接盈利)。
2、本站所有内容均由合作方或网友上传,本站不对文档的完整性、权威性及其观点立场正确性做任何保证或承诺!文档内容仅供研究参考,付费前请自行鉴别。
3、如文档内容存在违规,或者侵犯商业秘密、侵犯著作权等,请点击“违规举报”。

碎片内容

投影机RS-232接口大全

确认删除?
VIP
微信客服
  • 扫码咨询
会员Q群
  • 会员专属群点击这里加入QQ群
客服邮箱
回到顶部