电脑桌面
添加小米粒文库到电脑桌面
安装后可以在桌面快捷访问

拖拉机驾驶人各科目考试内容与评定标准

拖拉机驾驶人各科目考试内容与评定标准_第1页
1/7
拖拉机驾驶人各科目考试内容与评定标准_第2页
2/7
拖拉机驾驶人各科目考试内容与评定标准_第3页
3/7
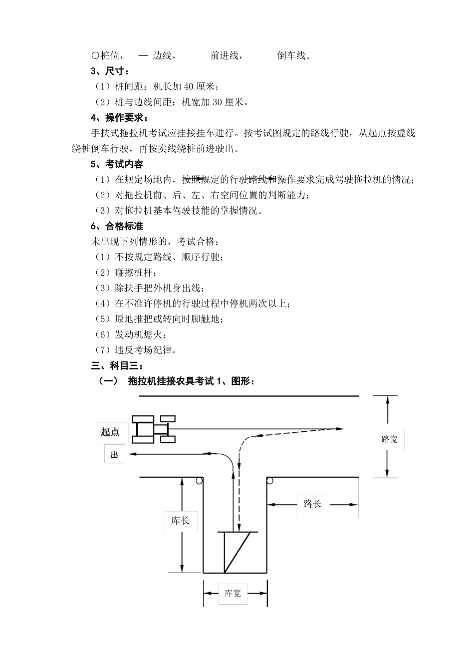
附件:拖拉机驾驶人各科目考试内容与评定标准一、科目一(一)考试内容1、道路交通安全法律、法规和农机安全监理法规、规章;2、拖拉机及常用配套农具的总体构造,主要组成结构和功用,维护保养知识,常见故障的判断和排除方法,操作规程等安全驾驶相关知识。(二)考试要求试题分为选择题与判断题,试题量为 100 题,每题 1 分。其中,全国统一试题不低于 80%;交通、农机安全法规与机械常识、操作规程试题各占 50%。采用笔试或计算机考试,考试时间为 90 分钟。(三)合格标准成绩在 80 分以上的为合格。二、科目二(一)方向盘式拖拉机场地驾驶考试1、图形:路宽起点库长乙库库宽甲库库宽2、图例:○ 桩位, ─ 边线,前进线,倒车线。3、尺寸:(1)起点:距甲库外边线 1.5 倍机长;(2)路宽:机长的 1.5 倍;(3)库长:机长的 2 倍;(4)库宽:大中型拖拉机为机宽加 60 厘米,小型拖拉机为机宽加 50 厘米。4、操作要求:采用单机进行,从起点倒车入乙库停正,然后两进两退移位到甲库停正,前进穿过乙库至路上,倒入甲库停正,前进返回起点。5、考试内容(1)在规定场地内,按照规定的行驶路线和操作要求完成驾驶拖拉机的情况;(2)对拖拉机前、后、左、右空间位置的判断能力;(3)对拖拉机基本驾驶技能的掌握情况。6、合格标准未出现下列情形的,考试合格:(1)不按规定路线、顺序行驶;(2)碰擦桩杆;(3)机身出线;(4)移库不入;(5)在不准许停机的行驶过程中停机两次以上;(6)发动机熄火;(7)原地打方向;(8)使用半联动离合器或者单边制动器;(9)违反考场纪律。(二)手扶式拖拉机场地驾驶考试1、图形:2、图例:起点桩与边线间距桩间距○桩位,─ 边线,前进线,倒车线。3、尺寸:(1)桩间距:机长加 40 厘米;(2)桩与边线间距:机宽加 30 厘米。4、操作要求:手扶式拖拉机考试应挂接挂车进行。按考试图规定的路线行驶,从起点按虚线绕桩倒车行驶,再按实线绕桩前进驶出。5、考试内容(1)在规定场地内,按照规定的行驶路线和操作要求完成驾驶拖拉机的情况;(2)对拖拉机前、后、左、右空间位置的判断能力;(3)对拖拉机基本驾驶技能的掌握情况。6、合格标准未出现下列情形的,考试合格:(1)不按规定路线、顺序行驶;(2)碰擦桩杆;(3)除扶手把外机身出线;(4)在不准许停机的行驶过程中停机两次以上;(5)原地推把或转向时脚触地;(6)发动机熄火;(7)违反考场纪律。三、...

1、当您付费下载文档后,您只拥有了使用权限,并不意味着购买了版权,文档只能用于自身使用,不得用于其他商业用途(如 [转卖]进行直接盈利或[编辑后售卖]进行间接盈利)。
2、本站所有内容均由合作方或网友上传,本站不对文档的完整性、权威性及其观点立场正确性做任何保证或承诺!文档内容仅供研究参考,付费前请自行鉴别。
3、如文档内容存在违规,或者侵犯商业秘密、侵犯著作权等,请点击“违规举报”。

碎片内容

拖拉机驾驶人各科目考试内容与评定标准

确认删除?
VIP
微信客服
  • 扫码咨询
会员Q群
  • 会员专属群点击这里加入QQ群
客服邮箱
回到顶部