电脑桌面
添加小米粒文库到电脑桌面
安装后可以在桌面快捷访问

除洁器制作与安装施工交底记录VIP专享

除洁器制作与安装施工交底记录_第1页
1/10
除洁器制作与安装施工交底记录_第2页
2/10
除洁器制作与安装施工交底记录_第3页
3/10
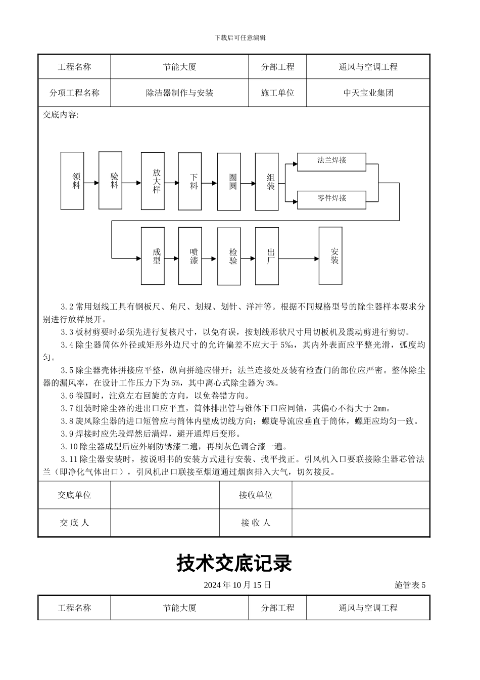
下载后可任意编辑技术交底记录2024 年 10 月 15 日施管表 5工程名称节能大厦分部工程通风与空调工程分项工程名称除洁器制作与安装施工单位中天宝业集团交底内容:1、依据标准:《建筑工程施工质量验收统一标准》 GB50300-2001《通风与空调工程施工质量验收法律规范》 GB50243-20242、施工准备2.1 材料要求及主要机具:2.1.1 所使用的主要材料应具有出厂合格证明书或质量鉴定文件,板材应薄厚均匀,板面光滑。2.1.2 除尘器制作的板厚应按设计要求、标准样本材料明细表执行。2.1.3 龙门剪板机、震动式曲线剪板机、卷圆机、型钢切割机、角钢卷圆机、冲孔机、台钻、电焊设备、油漆喷枪、小吊车、倒链、扳手、水平尺、线坠等。2.2 作业条件:2.2.1 除尘器制作应有宽敞、明亮、洁净、地面平整、不潮湿的厂房。2.2.2 加施工场地点要有相应加工工艺的机具、设施及电源安装防护装置、消防器材等。2.2.3 除尘器制作应有设计图纸、大样图,并有施工员书面的技术、质量、安全交底。2.2.4 土建施工完毕已具备安装条件,无障碍及杂物。3、操作工艺3.1 艺流程: 交底单位接收单位交 底 人接 收 人技术交底记录2024 年 10 月 15 日施管表 5下载后可任意编辑工程名称节能大厦分部工程通风与空调工程分项工程名称除洁器制作与安装施工单位中天宝业集团交底内容:3.2 常用划线工具有钢板尺、角尺、划规、划针、洋冲等。根据不同规格型号的除尘器样本要求分别进行放样展开。3.3 板材剪要时必须先进行复核尺寸,以免有误,按划线形状尺寸用切板机及震动剪进行剪切。3.4 除尘器筒体外径或矩形外边尺寸的允许偏差不应大于 5‰,其内外表面应平整光滑,弧度均匀。3.5 除尘器壳体拼接应平整,纵向拼缝应错开;法兰连接处及装有检查门的部位应严密。整体除尘器的漏风率,在设计工作压力下为 5%,其中离心式除尘器为 3%。3.6 卷圆时,注意左右回旋的方向,以免卷错方向。3.7 组装时除尘器的进出口应平直,筒体排出管与锥体下口应同轴,其偏心不得大于 2mm。3.8 旋风除尘器的进口短管应与筒体内壁成切线方向;螺旋导流应垂直于筒体,螺距应均匀一致。3.9 焊接时应先段焊然后满焊,避开通焊后变形。3.10 除尘器成型后应外刷防锈漆二遍,再刷灰色调合漆一遍。3.11 除尘器安装时,按说明书的安装方式进行安装、找平找正。引风机入口要联接除尘器芯管法兰(即净化气体出口),引风机出口联接至烟道通过烟囱排入大气,切勿接反。交底单位接...

1、当您付费下载文档后,您只拥有了使用权限,并不意味着购买了版权,文档只能用于自身使用,不得用于其他商业用途(如 [转卖]进行直接盈利或[编辑后售卖]进行间接盈利)。
2、本站所有内容均由合作方或网友上传,本站不对文档的完整性、权威性及其观点立场正确性做任何保证或承诺!文档内容仅供研究参考,付费前请自行鉴别。
3、如文档内容存在违规,或者侵犯商业秘密、侵犯著作权等,请点击“违规举报”。

碎片内容

除洁器制作与安装施工交底记录

确认删除?
VIP
微信客服
  • 扫码咨询
会员Q群
  • 会员专属群点击这里加入QQ群
客服邮箱
回到顶部