电脑桌面
添加小米粒文库到电脑桌面
安装后可以在桌面快捷访问

《高压直流输电原理与运行》复习提纲及答案VIP专享

《高压直流输电原理与运行》复习提纲及答案_第1页
1/8
《高压直流输电原理与运行》复习提纲及答案_第2页
2/8
《高压直流输电原理与运行》复习提纲及答案_第3页
3/8
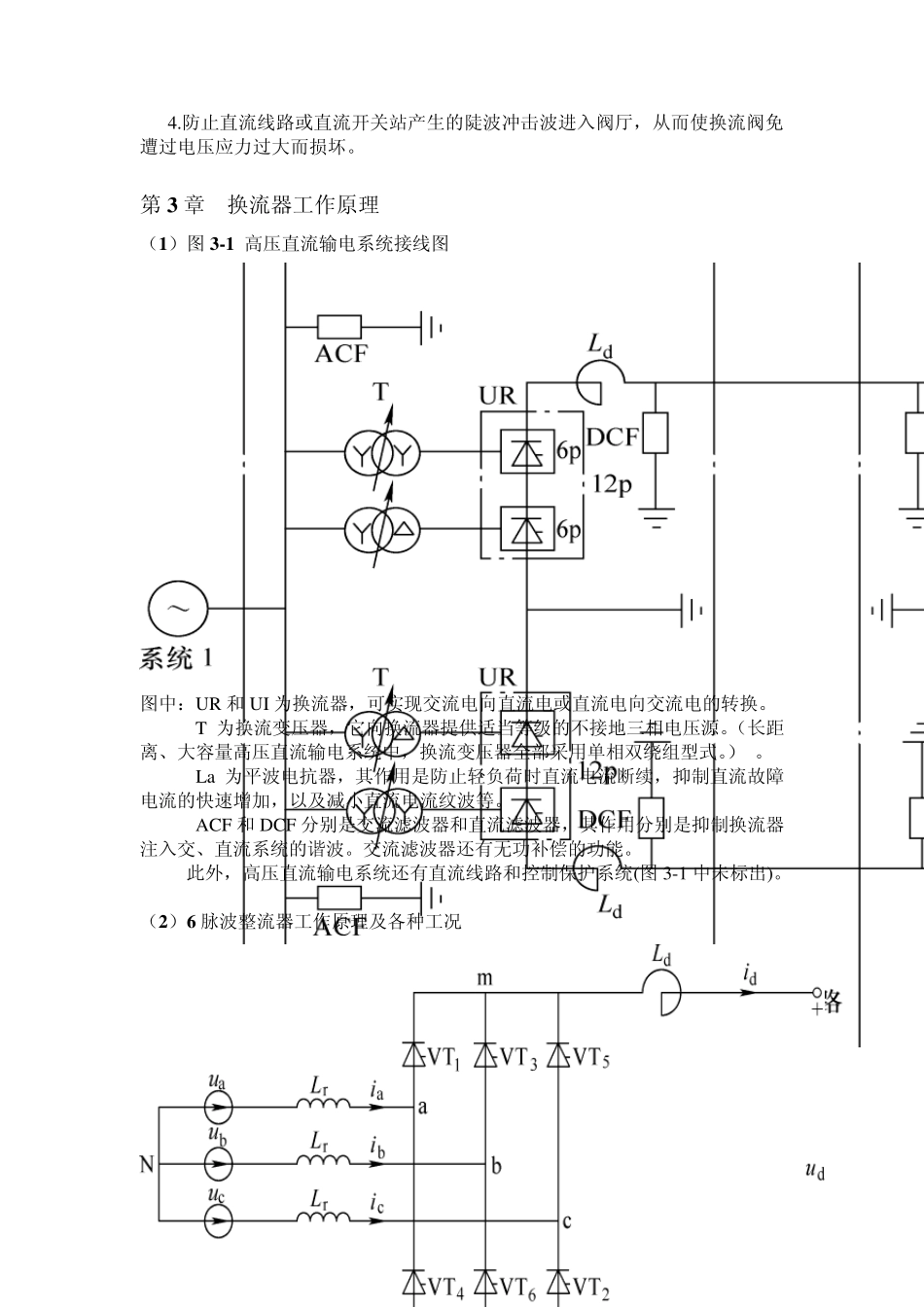
《高压直流输电原理与运行》复习提纲 第 1 章 (1)高压直流输电的概念和分类 概念:高压直流输电由将交流电变换为直流电的整流器、高压直流输电线路以及将直流电变换为交流电的逆变器三部分组成。 高压直流输电是交流-直流-交流形式的电力电子换流电路。 常规高压直流输电:半控型的晶闸管,采取电网换相。 VSC 高压直流输电:全控型电力电子器件,采用器件换相。 分类:长距离直流输电(两端直流输电),背靠背(BTB)直流输电方式,交、直流并联输电方式,交、直流叠加输电方式,三级直流输电方式。 (2)直流系统的构成 1.直流单级输电:大地或海水回流方式,导体回流方式。 2.直流双极输电:中性点两端接地方式,中性点单端接地方式,中性线方式。 3.直流多回线输电:线路并联多回输电方式,换流器并联的多回线输电方式。 4.多端直流输电:并联多端直流输电方式,串联多端直流输电方式。 (3)高压直流输电的特点 优点:经济性:高压直流输电的合理性和适用性体现在远距离、大容量输电中。 互连性:可实现电网的非同步互连,可实现不同频率交流电网的互连。 控制性:具有潮流快速可控的特点 缺点: ①直流输电换流站的设备多、结构复杂、造价高、损耗大、运行费用高、可靠性也较差。 ②换流器工作时会产生大量的谐波,处理不当会对电网运行造成影响,必须通过设置大量、成组的滤波器消除这些谐波。 ③电网换相方式的常规直流输电在传送有功功率的同时,会吸收大量无功功率,可达有功功率的 50%~60%,需要大量的无功功率补偿装置及相应的控制策略。 ④直流输电的接地极和直流断路器问题都存在一些没有很好解决的技术难点 。 (4)目前已投运 20 个直流输电工程(详见p14) 2010 年,我国已建成世界上第一条±800KV的最高直流电压等级的特高压直流输电工程。 五直:天-广工程(±500,2000年),三-广工程(2004 年),贵-广 I 回工程(2004年),贵-广 II 回工程(2008 年),云广特高压工程(±800KV) (5)轻型直流输电 特点: 1.电压源换流器为无源逆变,对受端系统没有要求,故可用于向小容量系统或不含旋转电机的负荷供电。 2.电压源换流器产生的谐波大为削弱,对无功功率的需要也大大减少,同时只需要在交流母线上安装一组高通滤波器即可满足谐波标准要求;无须安装直流滤波器和平波电抗器。 3.不用出现换相失败故障(低电压大电流)。 4.模块化设计使 V SC 直流输电工程缩短工期。 5...

1、当您付费下载文档后,您只拥有了使用权限,并不意味着购买了版权,文档只能用于自身使用,不得用于其他商业用途(如 [转卖]进行直接盈利或[编辑后售卖]进行间接盈利)。
2、本站所有内容均由合作方或网友上传,本站不对文档的完整性、权威性及其观点立场正确性做任何保证或承诺!文档内容仅供研究参考,付费前请自行鉴别。
3、如文档内容存在违规,或者侵犯商业秘密、侵犯著作权等,请点击“违规举报”。

碎片内容

《高压直流输电原理与运行》复习提纲及答案

确认删除?
VIP
微信客服
  • 扫码咨询
会员Q群
  • 会员专属群点击这里加入QQ群
客服邮箱
回到顶部