电脑桌面
添加小米粒文库到电脑桌面
安装后可以在桌面快捷访问

施工机具及配件检查维修保养记录表要点

施工机具及配件检查维修保养记录表要点_第1页
1/15
施工机具及配件检查维修保养记录表要点_第2页
2/15
施工机具及配件检查维修保养记录表要点_第3页
3/15
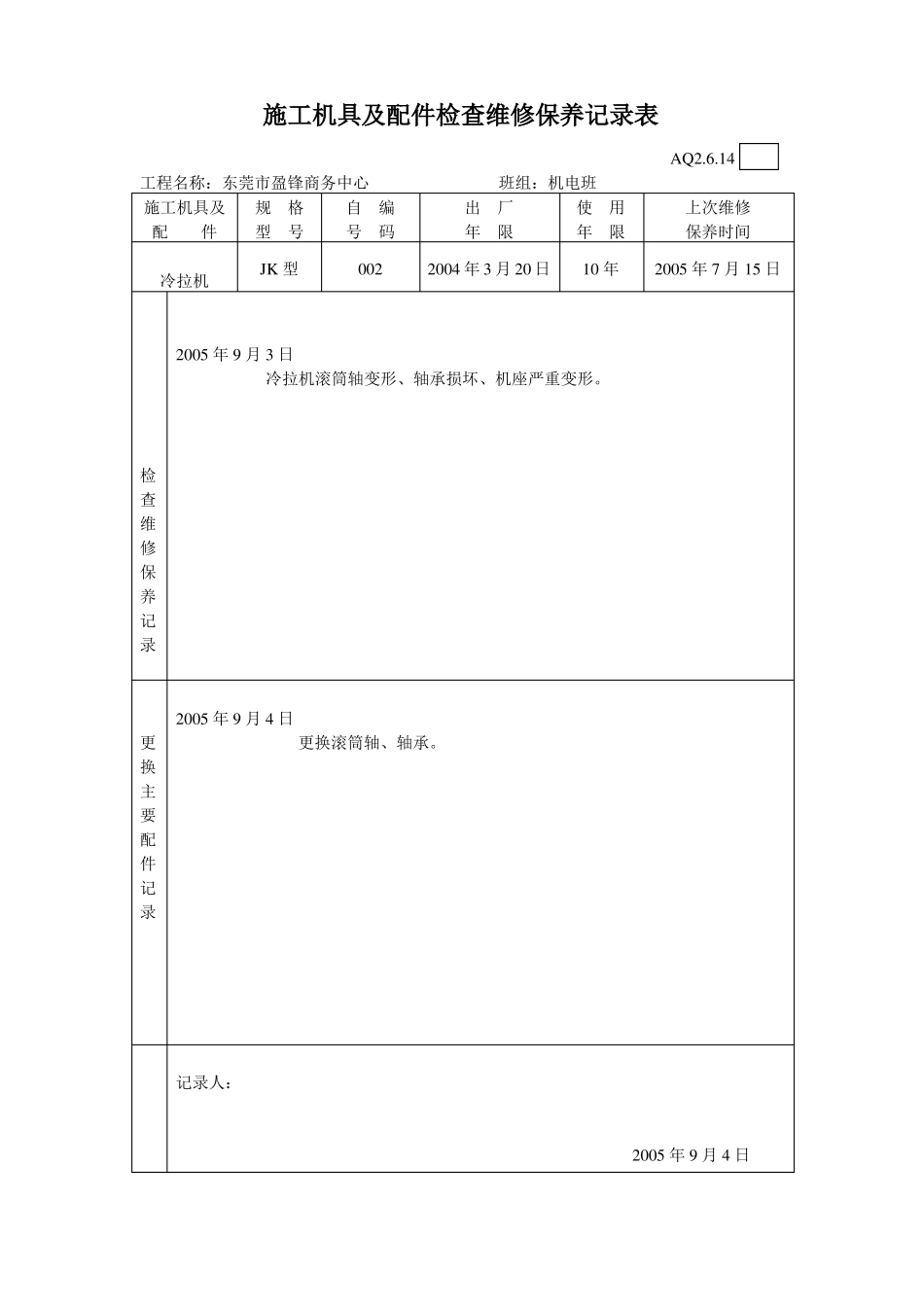
施工机具及配件检查维修保养记录表AQ2.6.14工程名称:湖景·壹号庄园班组:机电班施工机具及配件检查维修保养记录更换主要配件记录规格型号自 编号 码出厂年限使用年限1上次维修保养时间记录人:年月 日施工机具及配件检查维修保养记录表AQ2.6.14工程名称:东莞市盈锋商务中心班组:机电班施工机具及配件冷拉机检查维修保养记录更换主要配件记录规格型号JK 型自编号码002出厂年限2004 年 3 月 20 日使用年限10 年上次维修保养时间2005 年 7 月 15 日2005 年 9 月 3 日冷拉机滚筒轴变形、轴承损坏、机座严重变形。2005 年 9 月 4 日更换滚筒轴、轴承。记录人:2005 年 9 月 4 日施工机具及配件检查维修保养记录表AQ2.6.14工程名称:东莞市盈锋商务中心班组:机电班施工机具及配件切断机检查维修保养记录规格型号GG-40自编号码003出厂年限2004 年 2 月 28 日使用年限10 年上次维修保养时间2005 年 9 月 15 日1.检查切断机齿轮及变速箱是否有磨损,并重新更换机油。2.检查耐磨片和刀片。1.更换耐磨片和刀片。记录人:2005 年 10 月 12 日更换主要配件记录施工机具及配件检查维修保养记录表AQ2.6.14工程名称:东莞市盈锋商务中心班组:机电班施工机具及配件弯曲机检查维修保养记录规格型号GJ-40自编号码004、005出厂年限2004 年 4 月 28 日使用年限10 年上次维修保养时间2005 年 8 月 23 日1、检查液压弯曲机液压油、液压管、齿轮及自动控制器;2、检查弯曲机三角带、桩头、挡板;3、检查弯曲机接触器、控制按扭是否灵敏。1.更换耐磨片和刀片。记录人:2005 年 10 月 12 日更换主要配件记录施工机具及配件检查维修保养记录表AQ2.6.14工程名称:东莞市盈锋商务中心班组:机电班施工机具及配件搅拌机检查维修保养记录更换主要配件记录规格型号JZC-350型自编号码001出厂年限2004 年 4 月使用年限5 年上次维修保养时间2005 年 9 月 10 日1、 保养搅拌机、清理沙浆、打润滑油2、 重新安装搅拌机机座1.更换水泵及止水阀。2、 更换钢丝绳记录人:2005 年 9 月 15 日施工机具及配件检查维修保养记录表AQ2.6.14工程名称:东莞市盈锋商务中心班组:机电班施工机具及配件切断机检查维修保养记录更换主要配件记录规格型号GG-40自编号码003出厂年限2004 年 2 月使用年限10 年上次维修保养时间2005 年 10 月 21 日切断机密封圈磨损严重,齿轮油外漏以及磨片磨损严重,切断...

1、当您付费下载文档后,您只拥有了使用权限,并不意味着购买了版权,文档只能用于自身使用,不得用于其他商业用途(如 [转卖]进行直接盈利或[编辑后售卖]进行间接盈利)。
2、本站所有内容均由合作方或网友上传,本站不对文档的完整性、权威性及其观点立场正确性做任何保证或承诺!文档内容仅供研究参考,付费前请自行鉴别。
3、如文档内容存在违规,或者侵犯商业秘密、侵犯著作权等,请点击“违规举报”。

碎片内容

施工机具及配件检查维修保养记录表要点

确认删除?
VIP
微信客服
  • 扫码咨询
会员Q群
  • 会员专属群点击这里加入QQ群
客服邮箱
回到顶部