电脑桌面
添加小米粒文库到电脑桌面
安装后可以在桌面快捷访问

基于LabVIEW的摄像头视频图像实时采集

基于LabVIEW的摄像头视频图像实时采集_第1页
1/7
基于LabVIEW的摄像头视频图像实时采集_第2页
2/7
基于LabVIEW的摄像头视频图像实时采集_第3页
3/7
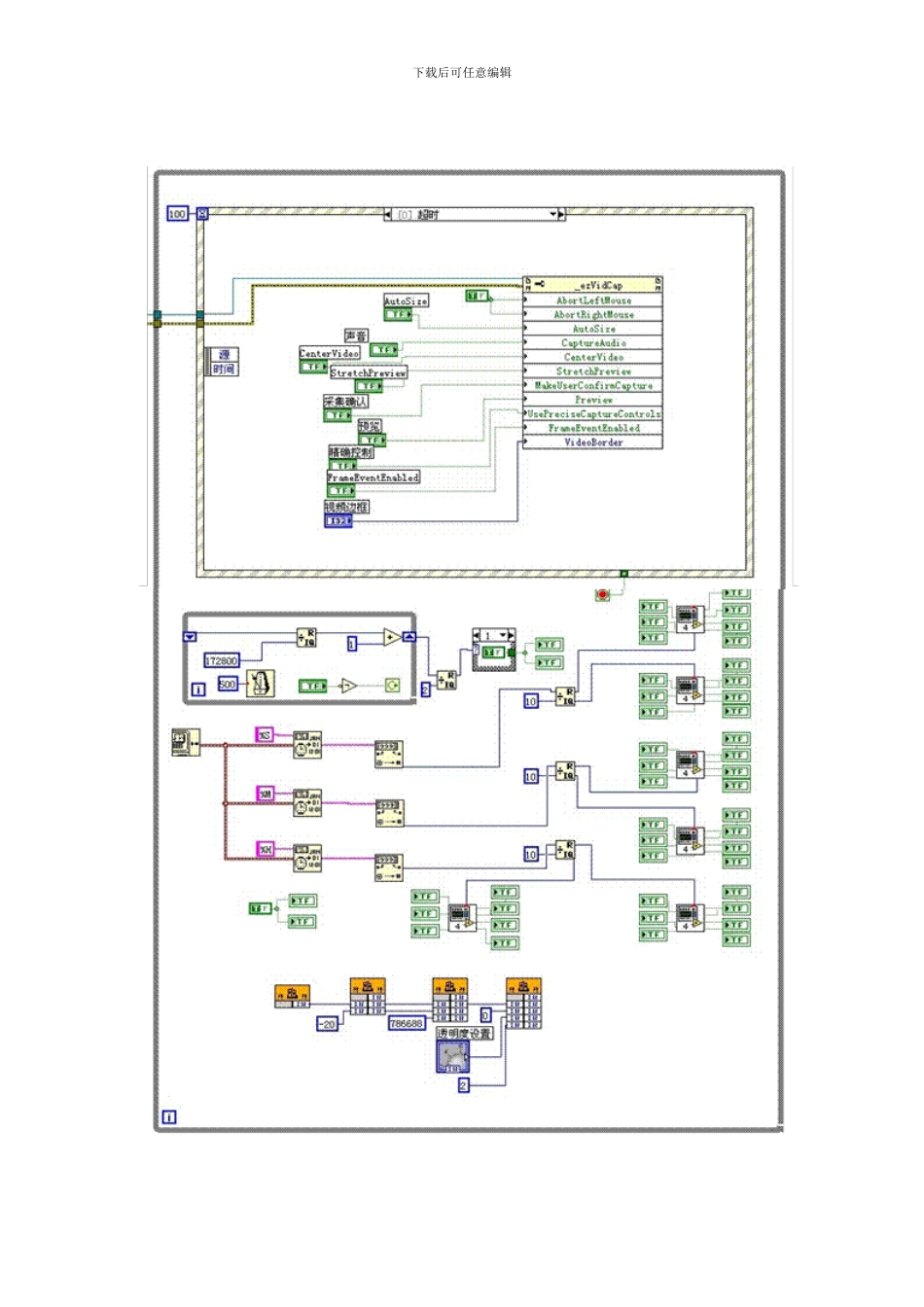
下载后可任意编辑基于 LabVIEW 的摄像头视频图像实时采集 指导老师:李茂奎 小组成员:李化松 李雷 李成 康乐 [摘 要] 介绍了 USB 摄像头视频图像实时采集系统的基本原理及组成。该系统以 LABVIEW 为核心,通过调用 windows 平台的 OCX 控件完成系统的数据采集任务。整个系统结构清楚,构思新颖,具有一定的可操作性。 [关键词] USB 摄像头;LabVIEW;视频图像实时采集 一、设计任务 1 设计目标 设计一个基于 LabVIEW 的 USB 摄像头视频图像实时采集系统 2 设计基本要求及发挥 1.能够实时地采集视频,并在电脑上显示出来 2.可以进行录像,拍照 3.美化程序界面,添加同步时间数码管显示功能。 二、方案论证 1.视频采集部分 方案一:采纳 vb 语言编写的 ovfw.ocx 控件实现视频的实时猎取,优点是使用方便,设置简单明了,同步性好,无延迟。 缺点是无法实现录像功能。 方案二:采纳 windows 平台的 ezvidcap.ocx 控件实现视频的实时猎取,可以实现录像功能,缺点是设置繁琐,程序复杂。 鉴于此,我们选用了方案二。 2.LABVIEW 程序设计 采纳 usb 接口的摄像头读入数据,并在程序中显示出来。利用控件本身的摄像录像功能实现数据的采集存储。 3.界面美化 增加了数码管样式的时间同步显示功能,同时增加了界面透明度可调旋钮,是界面产生玻璃状的美妙效果。 三、总体方案 1.工作原理:利用现有的摄像头猎取图像,通过调用 windows 平台的 ezvidcap.ocx 控件实现图像实时显示采集存储。 2.程序设计 LABVIEW 从摄像头读入数据,通过空间调用,使图像在程序界面显示,并进行拍照录像等功能。 下载后可任意编辑程序: 图一:子 VI 数码管 图二:程序总图(一) 下载后可任意编辑 下载后可任意编辑 图三:程序总图(二) 3.运行界面: 下载后可任意编辑下载后可任意编辑 四、总结 通过此次对图像实时采集系统学习和设计,了解到计算机 LabVIEW 控制系统的设计流程、应用设计的基本的要求和外部硬件的调用的应用。在参考了相关网络及课本资料的同时了解了现时流行的设计思路和时下广泛应用的元器件。该系统综合的应用了 LABVIEW 的编程、硬件连接等。 五、参考资料 1.《LabVIEW 程序设计与应用(第二版) 》????? 电子工业出版社 下载后可任意编辑2.《 LabVIEW 讲义》?? ????????????????????山东大学物理与微电子学院 3.《labview 虚拟仪器程序设计与应用》????? 西南交通大学出版社

1、当您付费下载文档后,您只拥有了使用权限,并不意味着购买了版权,文档只能用于自身使用,不得用于其他商业用途(如 [转卖]进行直接盈利或[编辑后售卖]进行间接盈利)。
2、本站所有内容均由合作方或网友上传,本站不对文档的完整性、权威性及其观点立场正确性做任何保证或承诺!文档内容仅供研究参考,付费前请自行鉴别。
3、如文档内容存在违规,或者侵犯商业秘密、侵犯著作权等,请点击“违规举报”。

碎片内容

基于LabVIEW的摄像头视频图像实时采集

您可能关注的文档

阳光书坊+ 关注
实名认证
内容提供者

阳光书坊,传播未来

确认删除?
VIP
微信客服
  • 扫码咨询
会员Q群
  • 会员专属群点击这里加入QQ群
客服邮箱
回到顶部