电脑桌面
添加小米粒文库到电脑桌面
安装后可以在桌面快捷访问

低温钢焊接工艺标准VIP专享

低温钢焊接工艺标准_第1页
1/12
低温钢焊接工艺标准_第2页
2/12
低温钢焊接工艺标准_第3页
3/12
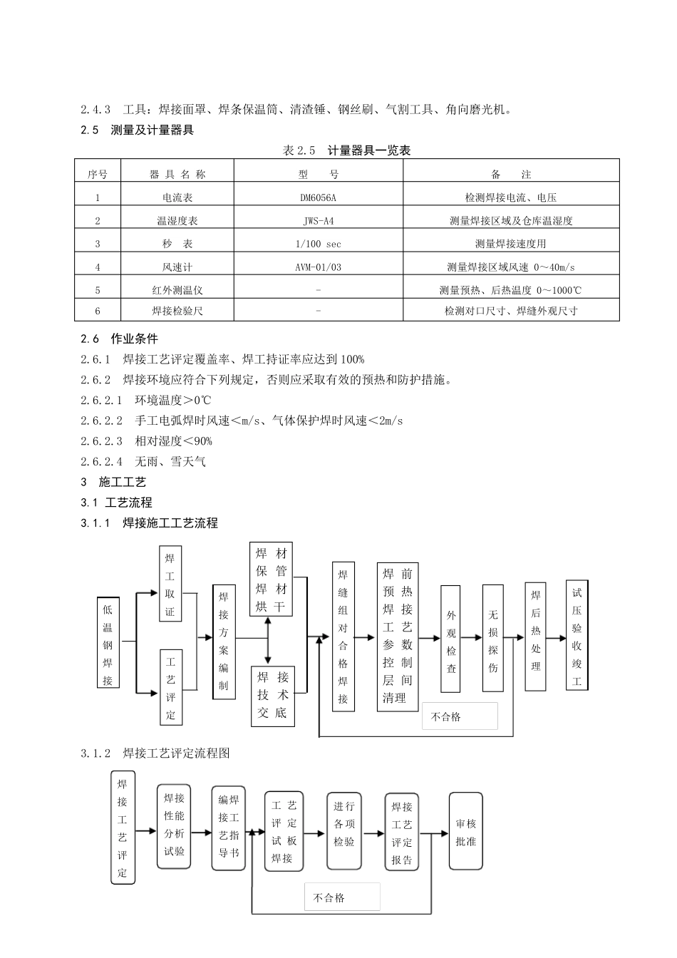
低温钢焊接工艺标准 1 适用范围 本工艺标准适用于设计温度为-20℃~-196℃的低温设备、管道用的无镍低温合金钢和含镍钢的手工电弧焊、埋弧自动焊、手工钨极氩弧焊及熔化极气体保护焊的焊接施工。 2 施工准备 2.1 技术准备(施工标准、规范) 2.1.1 《工业金属管道工程施工及验收规范》 GB50235 2.1.2 《现场设备、工业管道焊接工程施工及验收规范》 GB50236 2.1.3 《石油化工剧毒、可燃介质管道工程施工及验收规范》 SH3501 2.1.4 《石油化工低温钢焊接规程》 SH3525 2.1.5 《钢制低温压力容器设计规定》 HG20585 2.1.6 《钢制压力容器》 GB150 2.1.7 《压力容器安全技术监察规程》 2.1.8 《钢制压力容器焊接工艺评定》 JB4708 2.1.9 《钢制压力容器焊接规程》 JB/T4709 2.1.10 《压力容器无损检测》 JB4730 2.1.11 《焊条质量管理规程》 JB3223 2.2 作业人员 表 2.2 主要作业人员 序号 工 种 技术鉴定证 安全操作证 其 它 资 质 1 电焊工 中、高 级 持 证 低温钢项目焊工合格证 2 管 工 中、高 级 持 证 3 铆 工 中、高 级 持 证 4 气割工 中、高 级 持 证 5 热处理工 中、高 级 持 证 6 探伤检测人员 / 持 证 操作持Ⅰ持 证,评定持Ⅱ级 证 注:焊工合格证考核按《锅炉压力容器压力管道焊工考试与管理规侧》或《现场设备、工业管道焊接工程施工及验收规范》GB50236 进行考试。 2.3 材料检查验收 2.3.1 低温钢钢板、钢管、管件及锻件 (1)低温钢钢板、钢管、管件及锻件应具有出厂合格证和质量证明书。其检验项目及技术要求标准应符合国家标准或行业标准。 (2)低温钢钢板、钢管、管件及锻件材料入库前应核对材料牌号和质量证明书。施工前应进行外观检查,其表面不得有裂纹、气泡 、缩 孔 、重 皮 、夹 渣 等 缺 陷 ,否 则 应进行消 除 ,消 除 深 度不应超 过 材料的负 偏 差 。 (3)用于制造压力容器受压元件的低温钢材,应进行复验,复验内容应按《钢制压力容器》GB150-98附录C 规定。 (4)国外材料应符合合同规定的材料标准,并按相应材料标准进行复验。 (5)低温钢钢板、钢管及管件必须按要求进行低温夏比(V 型缺口)冲击试验。因材料截面尺寸太小无法制取5mm×10mm×55mm 小尺寸试样可除外。 (6)低温夏比(V 型缺口)冲击试验最低冲击功规定 表 2.3.1(6) 低温夏比(V 型缺口)冲击试...

1、当您付费下载文档后,您只拥有了使用权限,并不意味着购买了版权,文档只能用于自身使用,不得用于其他商业用途(如 [转卖]进行直接盈利或[编辑后售卖]进行间接盈利)。
2、本站所有内容均由合作方或网友上传,本站不对文档的完整性、权威性及其观点立场正确性做任何保证或承诺!文档内容仅供研究参考,付费前请自行鉴别。
3、如文档内容存在违规,或者侵犯商业秘密、侵犯著作权等,请点击“违规举报”。

碎片内容

低温钢焊接工艺标准

确认删除?
VIP
微信客服
  • 扫码咨询
会员Q群
  • 会员专属群点击这里加入QQ群
客服邮箱
回到顶部