电脑桌面
添加小米粒文库到电脑桌面
安装后可以在桌面快捷访问

保证生产一线员工休息时间管理规定

保证生产一线员工休息时间管理规定_第1页
1/7
保证生产一线员工休息时间管理规定_第2页
2/7
保证生产一线员工休息时间管理规定_第3页
3/7
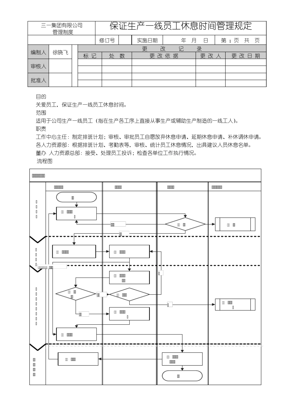
三一集团有限公司 管理制度 保证生产一线员工休息时间管理规定 GD/RZ 010-2011 修订号 V1 实施日期 2011年6月1 日 第 1 页 共4页 编制人 徐晓飞 更 改 记 录 标 记 处 数 更 改 依 据 更 改 人 更 改 日 期 审核人 批准人 1 目的 关爱员工,保证生产一线员工休息时间。 2 范围 适用于公司生产一线员工(指在生产各工序上直接从事生产或辅助生产制造的一线工人)。 3 职责 工作中心主任:制定排班计划;审核、审批员工自愿放弃休息申请、延期休息申请、补休调休申请。 各人力资源部:根据排班计划、考勤表等,审核、统计员工休息情况,出具建议人员休息名单。 董办/人力资源总部:接受、处理员工投诉;检查各单位工作执行情况。 4 流程图 生生生生生生生生生生生生生生生生生生生生生生生生生生生生生生生生生生生生生生生生生01生生生生生生生生生生生生生生06生生生生生生生生08生生生生生生生生生生生生05生生生生生02生生07生生生生09生生生生生生12生生生生生生生生生生生生生生生生生生03生生生生生生生生10生生生生生11生生生生生生生生生生生生生生生生13生生生生 生生生生04生生三一集团有限公司 管理制度 保证生产一线员工休息时间管理规定 GD/RZ 010-2011 修订号 V1 实施日期 2011年6月1 日 第 2 页 共4页 5 流程说明 步骤 工作事项 责任岗位 事项说明 应用表单 01 制定排班计划 工作中心主任 1.各工作中心根据生产计划、考勤表、人力资源部反馈的“建议休息人员名单”(见步骤12,13等),与生产一线员工沟通,共同制定排班计划。 2.原则上排班计划必须能够保证生产一线员工每个周期(两个月)休息至少 8天。 3.员工(包括建议休息人员)自愿放弃部分休息时间,需本人签署《员工自愿放弃休息声明》,本单位人力资源部统计、存档。 4.申请跨周期延休员工只能延期到下一周期,员工需填写《延期休息申请》,本单位人力资源部统计、存档。 5. 每年6月,12月底对员工之前未申请补休的天数做行清零处理。 《排班计划》 《考勤表》 《员工补休公示》《自愿放弃休息声明》《延期休息申请》 02 审核 各人力资源部部长 人力资源部审核各工作中心排班计划中的员工休息时间,审核通过,由各人力资源部长签字、存档。 1.未填写《自愿放弃休息声明》、《延期休息申请》的生产一线员工本周期(两个月)休息时间需大于等于 8天;否则,员工自愿放弃休息天数...

1、当您付费下载文档后,您只拥有了使用权限,并不意味着购买了版权,文档只能用于自身使用,不得用于其他商业用途(如 [转卖]进行直接盈利或[编辑后售卖]进行间接盈利)。
2、本站所有内容均由合作方或网友上传,本站不对文档的完整性、权威性及其观点立场正确性做任何保证或承诺!文档内容仅供研究参考,付费前请自行鉴别。
3、如文档内容存在违规,或者侵犯商业秘密、侵犯著作权等,请点击“违规举报”。

碎片内容

保证生产一线员工休息时间管理规定

小辰3+ 关注
实名认证
内容提供者

出售各种资料和文档

确认删除?
VIP
微信客服
  • 扫码咨询
会员Q群
  • 会员专属群点击这里加入QQ群
客服邮箱
回到顶部