电脑桌面
添加小米粒文库到电脑桌面
安装后可以在桌面快捷访问

医院安全生产风险分级管控各科室危害有害因素辨识

医院安全生产风险分级管控各科室危害有害因素辨识_第1页
1/50
医院安全生产风险分级管控各科室危害有害因素辨识_第2页
2/50
医院安全生产风险分级管控各科室危害有害因素辨识_第3页
3/50
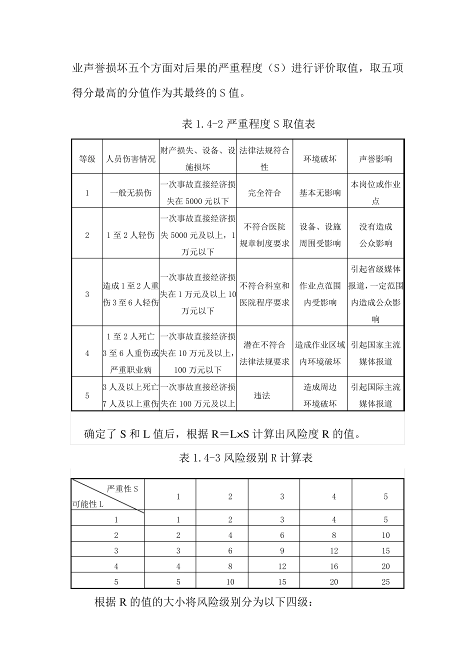
医院安全生产风险分级管控 各科室危险(有害)因素辨识 一、风险分级方法 医院的风险分级按照《河北省安全生产风险管控与隐患治理规定》(河北省人民政府令[2018]第2 号)的要求,事故风险分为重大风险、较大风险、一般风险、低风险四个级别,对重大危险源、可能造成重大及以上生产安全事故的风险确定为重大风险;对可能造成较大及以上生产安全事故的风险确定为较大风险;对可能造成一般及以上生产安全事故的风险确定为一般风险;对不易发生事故或发生事故达不到一般生产安全事故级别的的风险确定为低风险。重大风险、较大风险、一般风险、低风险分别用“红、橙、黄、蓝”四种颜色标注。 本次风险等级的确定采用风险矩阵法,即判定这种危害可能产生的后果及产生这种后果的可能性,二者相乘,得出所确定危害的风险。然后进行风险分级,根据不同级别的风险,采取相应的风险控制措施。 风险的数学表达式为:R=L×S。其中: R— 代表风险值; L— 代表发生伤害的可能性; S— 代表发生伤害后果的严重程度。 从偏差发生频率、安全检查、操作规程、员工胜任程度、控制措施五个方面对危害事件发生的可能性(L)进行评价取值,取五项得分的最高的分值作为其最终的L 值。 表1.4-1 可能性L 取值表 赋值 偏差发生频率 安全检查 操作规程 员工胜任程度(意识、技能、经验) 控制措施(监控、联锁、报警、应急措施) 5 每次作业或每月发生 无检查(作业)标准或不按标准检查(作业) 无操作规程或从不执行操作规程 不胜任(无上岗资格证、无任何培训、无操作技能) 无任何监控措施或有措施从未投用;无应急措施。 4 每季度都有发生 检查(作业)标准不全或很少按标准检查(作业) 操作规程不全或很少执行操作规程 不够胜任(有上岗资格证、但没有接受有效培训、操作技能差) 有监控措施但不能满足控制要求,措施部分投用或有时投用;有应急措施但不完善或没演练。 3 每年都有发生 发生变更后检查(作业)标准未及时修订或多数时候不按标准检查(作业) 发生变更后未及时修订操作规程或多数操作不执行操作规程 一般胜任(有上岗资格证、接受培训、但经验、技能不足,曾多次出错) 监控措施能满足控制要求,但经常被停用或发生变更后不能及时恢复;有应急措施但未根据变更及时修订或作业人员不清楚。 2 每年都有发生或曾经发生过 标准完善但偶尔不按标准检查、作业 操作规程齐全但偶尔不执行 胜任(有上岗资格证、...

1、当您付费下载文档后,您只拥有了使用权限,并不意味着购买了版权,文档只能用于自身使用,不得用于其他商业用途(如 [转卖]进行直接盈利或[编辑后售卖]进行间接盈利)。
2、本站所有内容均由合作方或网友上传,本站不对文档的完整性、权威性及其观点立场正确性做任何保证或承诺!文档内容仅供研究参考,付费前请自行鉴别。
3、如文档内容存在违规,或者侵犯商业秘密、侵犯著作权等,请点击“违规举报”。

碎片内容

医院安全生产风险分级管控各科室危害有害因素辨识

确认删除?
VIP
微信客服
  • 扫码咨询
会员Q群
  • 会员专属群点击这里加入QQ群
客服邮箱
回到顶部