电脑桌面
添加小米粒文库到电脑桌面
安装后可以在桌面快捷访问

华科钢结构课程设计27m钢屋架

华科钢结构课程设计27m钢屋架_第1页
1/19
华科钢结构课程设计27m钢屋架_第2页
2/19
华科钢结构课程设计27m钢屋架_第3页
3/19
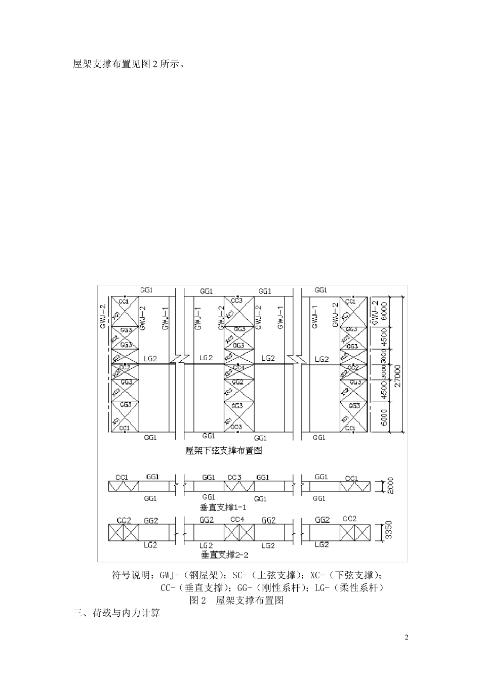
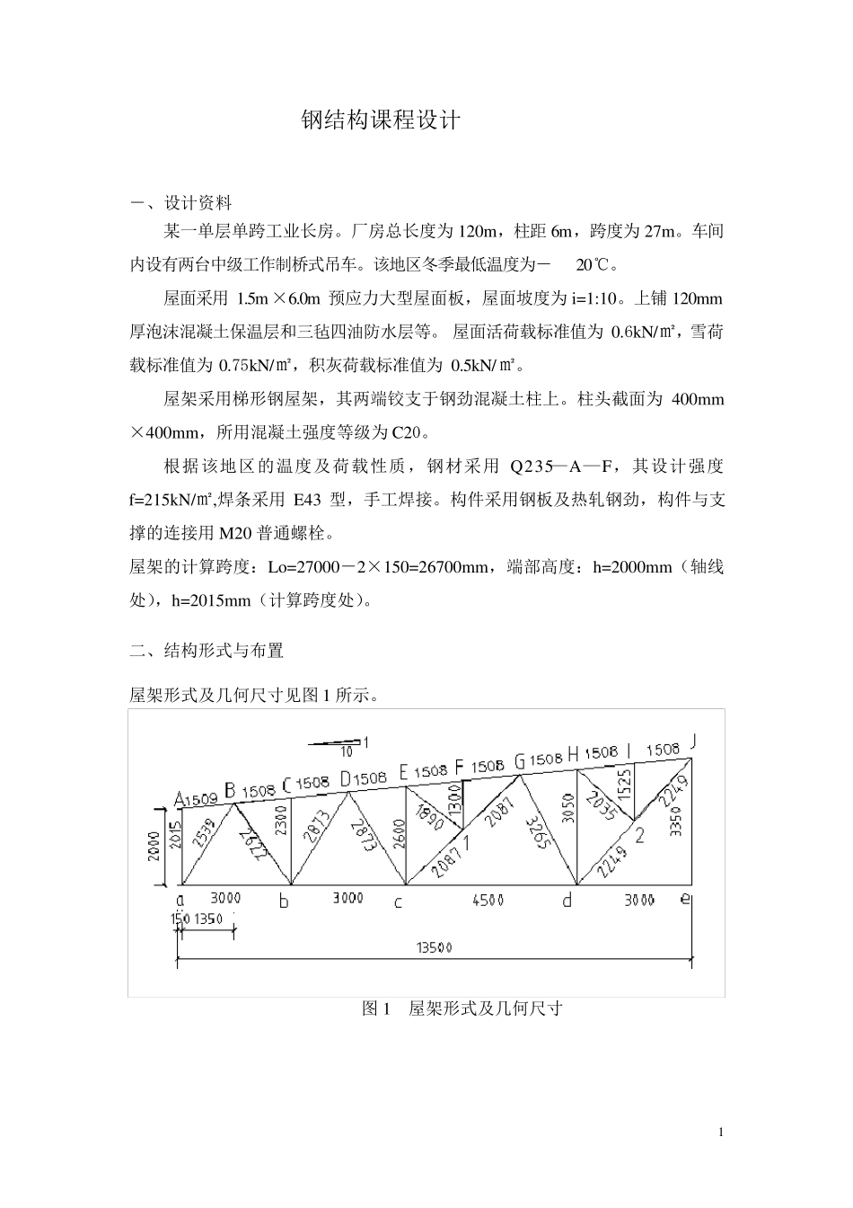
1 钢结构课程设计 -、设计资料 某一单层单跨工业长房。厂房总长度为120m,柱距6m,跨度为27m。车间内设有两台中级工作制桥式吊车。该地区冬季最低温度为-20℃。 屋面采用1.5m ×6.0m 预应力大型屋面板,屋面坡度为i=1:10。上铺 120mm厚泡沫混凝土保温层和三毡四油防水层等。屋面活荷载标准值为0.6kN/㎡,雪荷载标准值为0.75kN/㎡,积灰荷载标准值为0.5kN/㎡。 屋架采用梯形钢屋架,其两端铰支于钢劲混凝土柱上。柱头截面为400mm×400mm,所用混凝土强度等级为C20。 根据该地区的温度及荷载性质,钢材采用Q235― A― F,其设计强度f=215kN/㎡,焊条采用E43 型,手工焊接。构件采用钢板及热轧钢劲,构件与支撑的连接用M20 普通螺栓。 屋架的计算跨度:Lo=27000-2×150=26700mm,端部高度:h=2000mm(轴线处),h=2015mm(计算跨度处)。 二、结构形式与布置 屋架形式及几何尺寸见图 1 所示。 图 1 屋架形式及几何尺寸 2 屋架支撑布置见图2 所示。 符号说明:GWJ-(钢屋架);SC-(上弦支撑):XC-(下弦支撑); CC-(垂直支撑);GG-(刚性系杆);LG-(柔性系杆) 图2 屋架支撑布置图 三、荷载与内力计算 3 1.荷载计算 荷载与雪荷载不会同时出现,故取两者较大的活荷载计算。 永久荷载标准值 放水层(三毡四油上铺小石子) 0.35kN/㎡ 找平层(20m m 厚水泥砂浆) 0.02×20=0.40kN/㎡ 保温层(120m m 厚泡沫混凝土) 0.12*6=0.70kN/㎡ 预应力混凝土大型屋面板 1.40kN/㎡ 钢屋架和支撑自重 0.12+0.011×27=0.417kN/㎡ 管道设备自重 0.10 kN/㎡ 总计 3.387kN/㎡ 可变荷载标准值 雪荷载 0.75kN/㎡ 积灰荷载 0.50kN/㎡ 总计 1.25kN/㎡ 永久荷载设计值 1.2×3.387=4.0644 kN/㎡(由可变荷载控制) 可变荷载设计值 1.4×1.25=1.75kN/㎡ 2.荷载组合 设计屋架时,应考虑以下三种组合: 组合一 全跨永久荷载+全跨可变荷载 屋架上弦节点荷载 P=(4.0644+1.75) ×1.5×6=52.3296 kN 组合二 全跨永久荷载+半跨可变荷载 屋架上弦节点荷载 1P =4.0644×1.5×6=36.59 kN 2P =1.75×1.5×6=15.75 kN 组合三 全跨屋架及支撑自重+半跨大型屋面板重+半跨屋面活荷载 屋架上弦节点荷载 3P =0.417×1.2×1.5×6=4.5 kN 4P =(1.4×1.2+0.75×1.4) ×1.5×6=24.57 kN 3.内力计算 本设计采用程序计算杆件在单位节点力作用下各杆件的内力系数,见表 1。 由表内三种组合可见...

1、当您付费下载文档后,您只拥有了使用权限,并不意味着购买了版权,文档只能用于自身使用,不得用于其他商业用途(如 [转卖]进行直接盈利或[编辑后售卖]进行间接盈利)。
2、本站所有内容均由合作方或网友上传,本站不对文档的完整性、权威性及其观点立场正确性做任何保证或承诺!文档内容仅供研究参考,付费前请自行鉴别。
3、如文档内容存在违规,或者侵犯商业秘密、侵犯著作权等,请点击“违规举报”。

碎片内容

华科钢结构课程设计27m钢屋架

确认删除?
VIP
微信客服
  • 扫码咨询
会员Q群
  • 会员专属群点击这里加入QQ群
客服邮箱
回到顶部