电脑桌面
添加小米粒文库到电脑桌面
安装后可以在桌面快捷访问

单层厂房课程设计(好)

单层厂房课程设计(好)_第1页
1/43
单层厂房课程设计(好)_第2页
2/43
单层厂房课程设计(好)_第3页
3/43
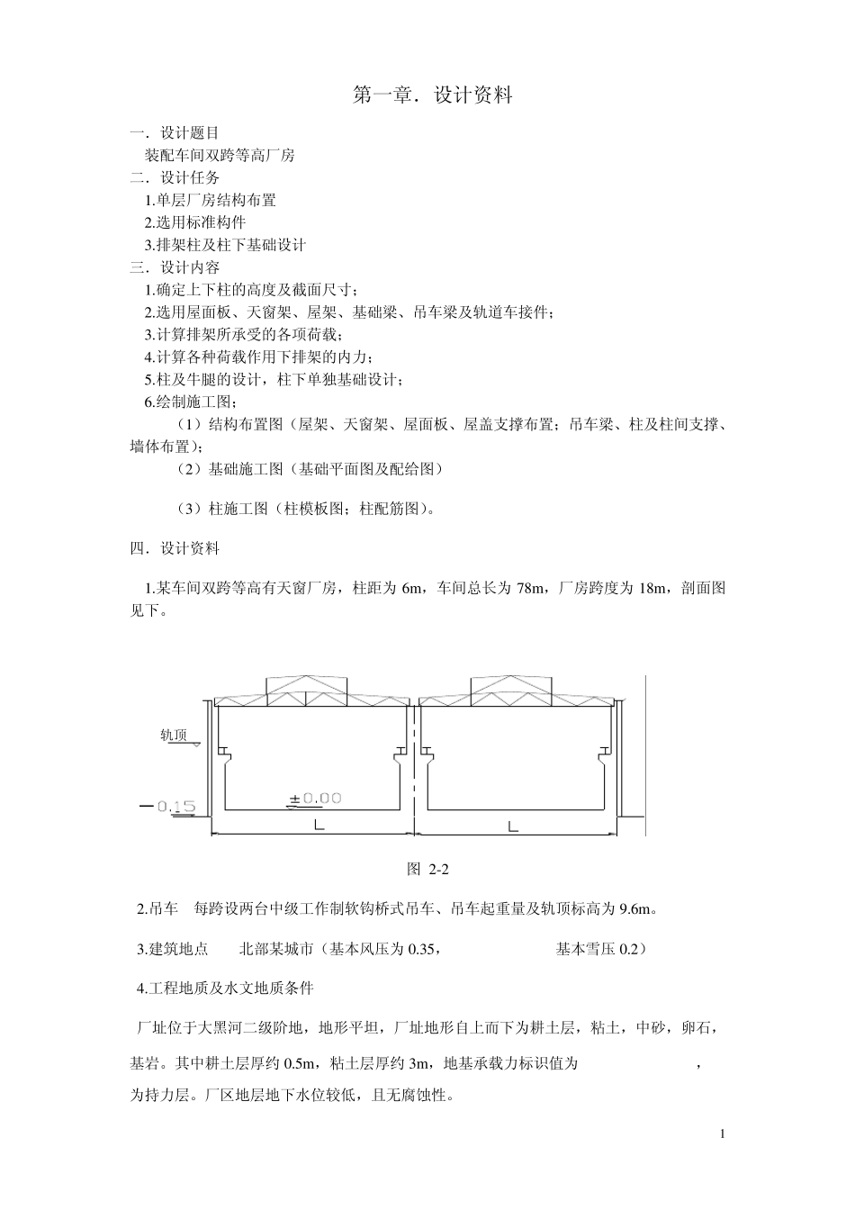
1 第一章.设计资料 一.设计题目 装配车间双跨等高厂房 二.设计任务 1.单层厂房结构布置 2.选用标准构件 3.排架柱及柱下基础设计 三.设计内容 1.确定上下柱的高度及截面尺寸; 2.选用屋面板、天窗架、屋架、基础梁、吊车梁及轨道车接件; 3.计算排架所承受的各项荷载; 4.计算各种荷载作用下排架的内力; 5.柱及牛腿的设计,柱下单独基础设计; 6.绘制施工图; (1)结构布置图(屋架、天窗架、屋面板、屋盖支撑布置;吊车梁、柱及柱间支撑、墙体布置); (2)基础施工图(基础平面图及配给图) (3)柱施工图(柱模板图;柱配筋图)。 四.设计资料 1.某车间双跨等高有天窗厂房,柱距为 6m ,车间总长为 78m ,厂房跨度为 18m ,剖面图见下。 轨顶 图 2-2 2.吊车 每跨设两台中级工作制软钩桥式吊车、吊车起重量及轨顶标高为 9.6m 。 3.建筑地点 北部某城市(基本风压为 0.35,fk=120 kN /m2基本雪压 0.2) 4.工程地质及水文地质条件 厂址位于大黑河二级阶地,地形平坦,厂址地形自上而下为耕土层,粘土,中砂,卵石,基岩。其中耕土层厚约 0.5m ,粘土层厚约 3m ,地基承载力标识值为 fk=120 kN /m2 ,为持力层。厂区地层地下水位较低,且无腐蚀性。 2 5.建筑材料供应条件 建厂使用的钢材、水泥、砖、砂、石、石灰等材料均可按设计要求供应。 6.建筑构造 (1)屋面:卷材防水屋面,其做法如下: SBS IV 改性油毡 20mm 厚水泥砂浆找平层 100mm 厚水泥珍珠岩制品保温层 一毡二油隔气层 预应力混凝土大型屋面板 (2)墙体:240mm 厚清水砖墙,钢门窗。 (3)地面:室内混凝土地面,室内外高差150mm。 7.选用材料 混凝土强度为C30。钢筋一级,二级。 第二章.结构构件的选型与布置 一.屋面结构 1.屋面板 采用全国通用工业厂房结构构件标准图集G410(一)1.5×6m 预应力钢筋混凝土屋面板(卷材防水)。 2.天沟板 采用G410(三)1.5×6m 预应力混凝土屋面板(卷材防水天沟板)。由屋面排架计算,天沟板的宽度为680mm,该厂房一侧设4 根-落水管,天沟板内坡度为0.5%,垫层最薄处为20mm 厚,则最厚处为80mm,如图2-1 所示,按最厚处的一块天沟板计算其所受的外加荷载标准值。 图 2-2 3 3.屋架 采用G410(三)预应力钢筋混凝土折线形屋架(跨度为18 m) 图 2-2 4.屋盖支撑 (1)可不设屋架上弦横向水平支撑:但须保证屋面板与屋架的连接不少于三个焊接点...

1、当您付费下载文档后,您只拥有了使用权限,并不意味着购买了版权,文档只能用于自身使用,不得用于其他商业用途(如 [转卖]进行直接盈利或[编辑后售卖]进行间接盈利)。
2、本站所有内容均由合作方或网友上传,本站不对文档的完整性、权威性及其观点立场正确性做任何保证或承诺!文档内容仅供研究参考,付费前请自行鉴别。
3、如文档内容存在违规,或者侵犯商业秘密、侵犯著作权等,请点击“违规举报”。

碎片内容

单层厂房课程设计(好)

您可能关注的文档

确认删除?
VIP
微信客服
  • 扫码咨询
会员Q群
  • 会员专属群点击这里加入QQ群
客服邮箱
回到顶部