电脑桌面
添加小米粒文库到电脑桌面
安装后可以在桌面快捷访问

压铸件设计规范(2013)V1.0

压铸件设计规范(2013)V1.0_第1页
1/10
压铸件设计规范(2013)V1.0_第2页
2/10
压铸件设计规范(2013)V1.0_第3页
3/10
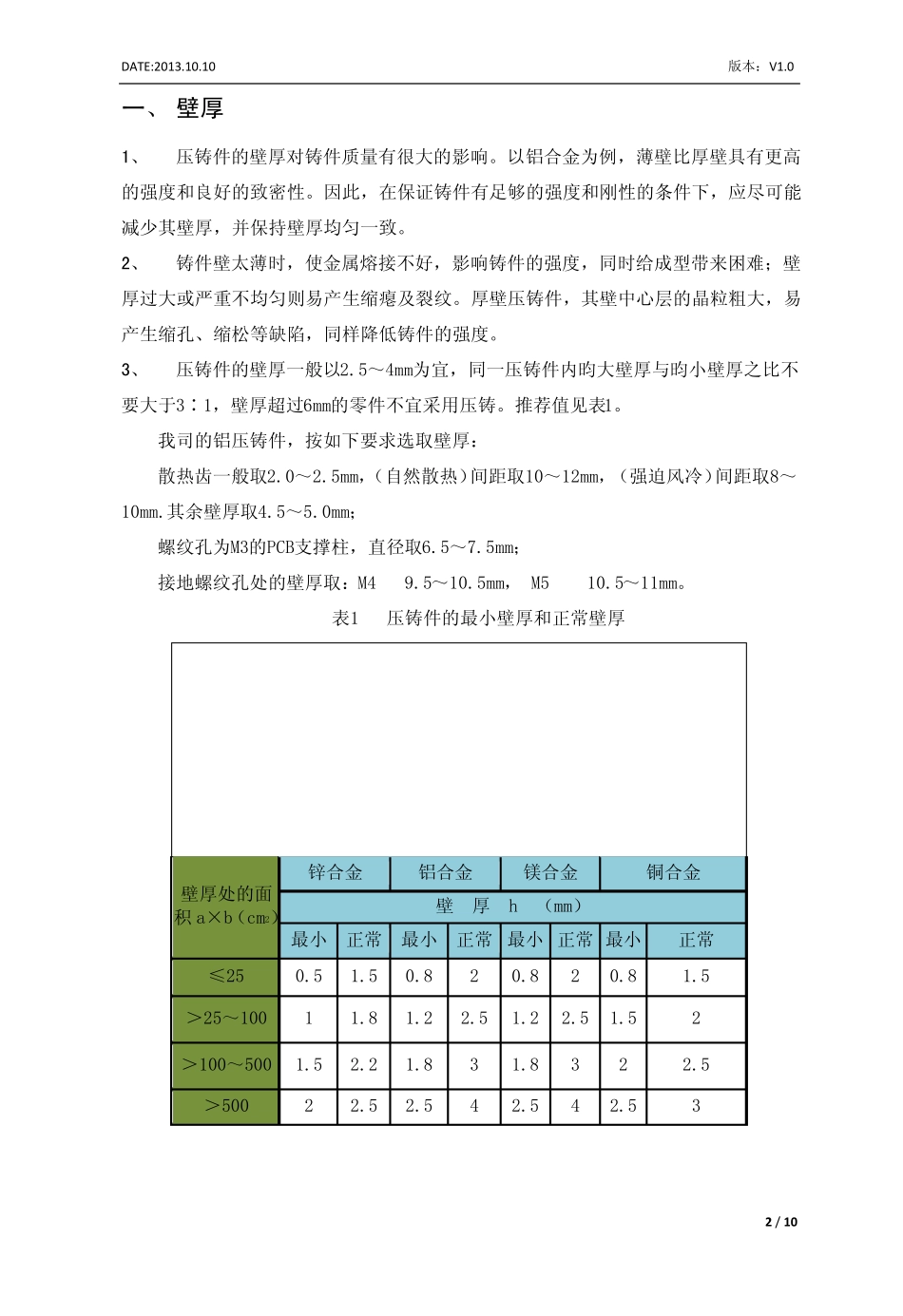
DATE:2013.10.10 版本:V1.0 1 / 10 压铸件设计规范 目录 铸圆脱铸缘压铸压铸内压铸压铸级压铸压铸DATE:2013.10.10 版 本 : V1.0 2 / 10 一、 壁厚 1、 压 铸 件 的 壁 厚 对 铸 件 质 量 有 很 大 的 影 响 。 以 铝 合 金 为 例 , 薄 壁 比 厚 壁 具 有 更 高的 强 度 和 良 好 的 致 密 性 。 因 此 , 在 保 证 铸 件 有 足 够 的 强 度 和 刚 性 的 条 件 下 , 应 尽 可 能减 少 其 壁 厚 , 并 保 持 壁 厚 均 匀 一 致 。 2、 铸 件 壁 太 薄 时 , 使 金 属 熔 接 不 好 , 影 响 铸 件 的 强 度 , 同 时 给 成 型 带 来 困 难 ; 壁厚 过 大 或 严 重 不 均 匀 则 易 产 生 缩 瘪 及 裂 纹 。 厚 壁 压 铸 件 , 其 壁 中 心 层 的 晶 粒 粗 大 , 易产 生 缩 孔 、 缩 松 等 缺 陷 , 同 样 降 低 铸 件 的 强 度 。 3、 压 铸 件 的 壁 厚 一 般 以 2.5~ 4mm为 宜 , 同 一 压 铸 件 内 昀 大 壁 厚 与 昀 小 壁 厚 之 比 不要 大 于 3∶ 1, 壁 厚 超 过 6mm的 零 件 不 宜 采 用 压 铸 。 推 荐 值 见 表 1。 我 司 的 铝 压 铸 件 , 按 如 下 要 求选取壁 厚 : 散热齿一 般 取2.0~ 2.5mm,(自然散热)间距取10~ 12mm, (强 迫风冷)间距取8~10mm.其 余壁 厚 取4.5~ 5.0mm; 螺纹 孔 为 M3的 PCB支撑柱, 直径取6.5~ 7.5mm; 接 地螺纹 孔 处的 壁 厚 取: M4 9.5~ 10.5mm, M5 10.5~ 11mm。 表 1 压 铸 件 的 最小 壁 厚 和 正常壁 厚 壁 厚 处的 面积a×b(cm2) 锌合 金 铝 合 金 镁合 金 铜 合 金 壁 厚 h (mm) 最小 正常 最小 正常 最小 正常 最小 正常 ≤ 25 0.5 1.5 0.8 2 0.8 2 0.8 1.5 > 25~ 100 1 1.8 1.2 2.5 1.2 2.5 1.5 2 > 100~ 500 1.5 2.2 1.8 3 1.8 3 2 2.5 > 500 2 2.5 2.5 4 2.5 4 2.5 3 DATE:2013.10.10 版本:V1.0 3 / 10 二、 铸造圆角和脱模斜度 1、铸造圆角 压铸件各部分相交应有圆角(分型面处除外),使金属填充时流动平稳,气体容易排出,并可避免因锐角而产生裂纹。...

1、当您付费下载文档后,您只拥有了使用权限,并不意味着购买了版权,文档只能用于自身使用,不得用于其他商业用途(如 [转卖]进行直接盈利或[编辑后售卖]进行间接盈利)。
2、本站所有内容均由合作方或网友上传,本站不对文档的完整性、权威性及其观点立场正确性做任何保证或承诺!文档内容仅供研究参考,付费前请自行鉴别。
3、如文档内容存在违规,或者侵犯商业秘密、侵犯著作权等,请点击“违规举报”。

碎片内容

压铸件设计规范(2013)V1.0

确认删除?
VIP
微信客服
  • 扫码咨询
会员Q群
  • 会员专属群点击这里加入QQ群
客服邮箱
回到顶部