电脑桌面
添加小米粒文库到电脑桌面
安装后可以在桌面快捷访问

双闭环调速系统课程设计

双闭环调速系统课程设计_第1页
1/22
双闭环调速系统课程设计_第2页
2/22
双闭环调速系统课程设计_第3页
3/22
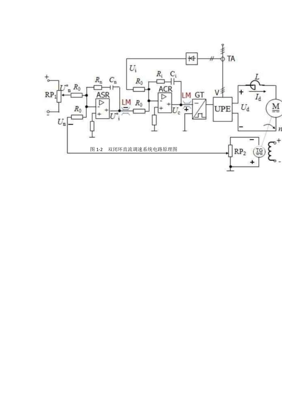
第一章 直流双闭环调速系统原理 1 .1 系统的组成 转速、电流双闭环控制直流调速系统是性能很好、应用最广的直流调速系统。采用 PI 调节的单个转速闭环调速系统可以在保证系统稳定的前提下实现转速无静差。但是对系统的动态性能要求较高的系统,单闭环系统就难以满足需要了。 为了实现在允许条件下的最快启动,关键是要获得一段使电流保持为最大值的恒流过程。按照反馈控制规律,采用某个物理量的负反馈就可以保持该量基本不变,那么,采用电流负反馈应该能够得到近似的恒流过程。所以,我们希望达到的控制:启动过程只有电流负反馈,没有转速负反馈;达到稳态转速后只有转速负反馈,不让电流负反馈发挥作用。故而采用转速和电流两个调节器来组成系统。 为了实现转速和电流两种负反馈分别起作用,可以在系统中设置两个调节器,分别调节转速和电流,即分别引入转速负反馈和电流负反馈。二者之间实行嵌套(或称串级)联接,如图 1-1 所示。把转速调节器的输出当作电流调节器的输入,再把电流调节器的输出去控制电力电子变换器 UPE。从闭环结构上看,电流环在里面,称作内环;转速换在外边,称作外环。这就形成了转速、电流双闭环调速系统。 图1-1 转速、电流双闭环直流调速系统 1.2 系统的原理图 为了获得良好的静、动态性能,转速和电流两个调节器一般都采用 PI 调节器,这样组成的直流双闭环调速系统原理图如图1-2 所示。图中 ASR 为转速调节器,ACR 为电流调节器,TG 表示测速发电机,TA 表示电流互感器,U PE 是电力电子变换器。图中标出了两个调节器出入输出电压的实际极性,它们是按照电力电子变换器的了控制电压U C 为正电压的情况标出的,并考虑到运算放大器的倒相作用。图中还标出了两个调节器的输出都是带限幅作用的,转速调节器 ASR 的输出限幅电压决定了电流给定电压的最大值,电流调节器 ACR 的输出限幅电压限制了电力电子变换器的最大输出电压。 图1-2 双闭环直流调速系统电路原理图 第二章 转速、电流双闭环直流调速器的设计 2.1 电流调节器的设计 2.1.1 电流环结构框图的化简 在图 2-1 点画线框内的电流环中,反电动势与电流反馈的作用互相交叉,这将给设计工作带来麻烦。实际上,反电动势与转速成正比,它代表转速对电流环的影响。在一般情况下,系统的电磁时间常数TL 远小于机电时间常数 Tm ,因此,转速的裱花往往比电流变化慢得多,对电流环来说,反电动势是一个变化较慢的扰动,...

1、当您付费下载文档后,您只拥有了使用权限,并不意味着购买了版权,文档只能用于自身使用,不得用于其他商业用途(如 [转卖]进行直接盈利或[编辑后售卖]进行间接盈利)。
2、本站所有内容均由合作方或网友上传,本站不对文档的完整性、权威性及其观点立场正确性做任何保证或承诺!文档内容仅供研究参考,付费前请自行鉴别。
3、如文档内容存在违规,或者侵犯商业秘密、侵犯著作权等,请点击“违规举报”。

碎片内容

双闭环调速系统课程设计

确认删除?
VIP
微信客服
  • 扫码咨询
会员Q群
  • 会员专属群点击这里加入QQ群
客服邮箱
回到顶部