电脑桌面
添加小米粒文库到电脑桌面
安装后可以在桌面快捷访问

发泡陶瓷保温板保温工程应用技术条件

发泡陶瓷保温板保温工程应用技术条件_第1页
1/14
发泡陶瓷保温板保温工程应用技术条件_第2页
2/14
发泡陶瓷保温板保温工程应用技术条件_第3页
3/14
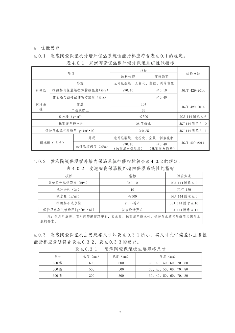
1 附件 发泡陶瓷保温板保温工程应用技术条件(试行) 1 总则 1.0.1 为了规范发泡陶瓷保温板在建筑工程中的应用,做到因地制宜、技术先进、经济合理、安全适用,保证工程质量,制定本技术条件。 1.0.2 本条件适用于武汉地区,新建、扩建、改建民用建筑及既有建筑节能改造中发泡陶瓷保温板保温工程的设计、施工及验收。 1.0.3 按照本条件进行建筑节能工程的设计、施工和验收时,尚应符合国家、行业和湖北省现行有关标准的规定。 2 术语 2.0.1 发泡陶瓷保温板 由陶土、页岩等物料加发泡济经高温焙烧制成的具有高密闭气孔率结构的陶瓷保温板。 2.0.2 发泡陶瓷保温板外墙保温系统 采用发泡陶瓷保温板作为保温材料置于墙体基层表面形成的保温系统,包括外墙外保温系统和外墙内保温系统,简称“外墙保温系统”。 2.0.3 发泡陶瓷保温板楼板保温工程 将发泡陶瓷保温板作为保温材料置于楼板底部粘结固定形成的楼板保温工程,简称“楼板保温工程”。 2.0.4 发泡陶瓷保温板屋面保温工程 将发泡陶瓷保温板作为保温材料置于屋面上形成的屋面保温工程,简称“屋面保温工程”。 3 基本规定 3.0.1 发泡陶瓷保温板建筑保温工程应用可包括下列类别: 1 外墙外保温系统; 2 外墙内保温系统; 3 楼板保温工程; 4 屋面保温工程。 3.0.2 除满足本技术条件有关规定外,尚应满足《外墙外保温工程技术规程》JGJ 144 、《外墙内保温工程技术规程》JGJ/T 261-2011、《建筑地面工程设计规范》GB 50037-2013、屋面保温工程应满足《屋面工程技术规范》GB 50345-2012基本规定的要求。 2 4 性能要求 4.0.1 发泡陶瓷保温板外墙外保温系统性能指标应符合表4.0.1 的规定。 表4.0.1 发泡陶瓷保温板外墙外保温系统性能指标 项目 指标 试验方法 涂料饰面 面砖饰面 耐候性 外观 无可见裂缝,无粉化、空鼓、剥落现象 JG/T 429-2014 抹面层与保温层拉伸粘结强度(MPa) ≥0.10 ≥0.10 抹面层与面砖拉伸粘结强度(MPa) — ≥0.40 抗冲击性 首层 10J JG/T 429-2014 二层及以上 3J 吸水量(g/㎡) ≤500 JGJ 144 附录A.6 抹面层不透水性 2h 不透水 JGJ 144 附录A.10 保护层水蒸气渗透阻[g/(㎡·h)] ≥0.85 JGJ 144 附录A.11 耐冻融(15 次) 外观 无可见裂缝,无粉化、空鼓、剥落现象 JG/T 429-2014 拉伸粘结强度(MPa) ≥0.10 (抹面层与保温层) ≥0.40 (抹面层与面砖) 4.0.2 发...

1、当您付费下载文档后,您只拥有了使用权限,并不意味着购买了版权,文档只能用于自身使用,不得用于其他商业用途(如 [转卖]进行直接盈利或[编辑后售卖]进行间接盈利)。
2、本站所有内容均由合作方或网友上传,本站不对文档的完整性、权威性及其观点立场正确性做任何保证或承诺!文档内容仅供研究参考,付费前请自行鉴别。
3、如文档内容存在违规,或者侵犯商业秘密、侵犯著作权等,请点击“违规举报”。

碎片内容

发泡陶瓷保温板保温工程应用技术条件

您可能关注的文档

确认删除?
VIP
微信客服
  • 扫码咨询
会员Q群
  • 会员专属群点击这里加入QQ群
客服邮箱
回到顶部