电脑桌面
添加小米粒文库到电脑桌面
安装后可以在桌面快捷访问

GMP口服液制剂全套批生产记录

GMP口服液制剂全套批生产记录_第1页
1/17
GMP口服液制剂全套批生产记录_第2页
2/17
GMP口服液制剂全套批生产记录_第3页
3/17
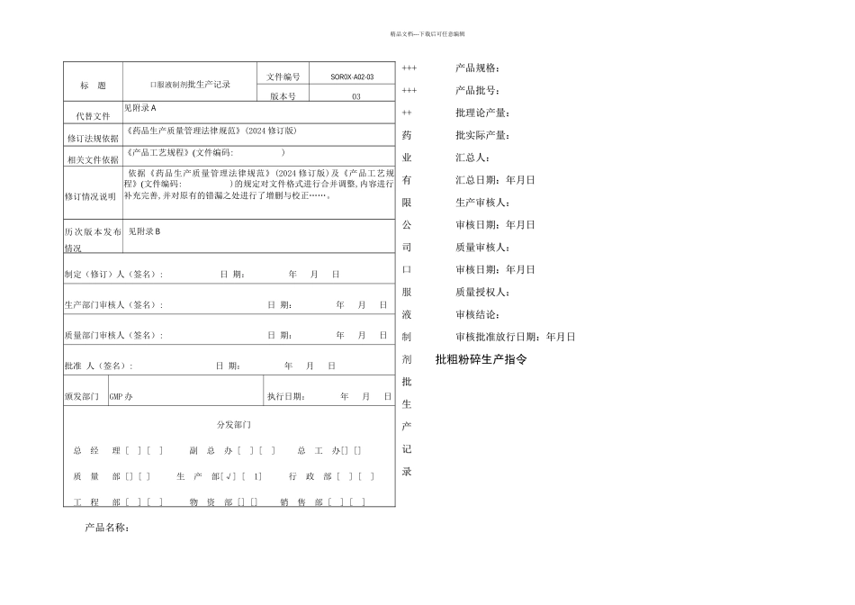
精品文档---下载后可任意编辑++++++++++++++++药药业业有有限限公公司司口服液制剂批批生生产产记记录录产品名称:产品名称:产品规格:产品规格:产品批号:产品批号:批理论产量:批理论产量:批实际产量:批实际产量:汇总人:汇总人:汇总日期:年月日汇总日期:年月日生产审核人:生产审核人:审核日期:年月日审核日期:年月日质量审核人:质量审核人:审核日期:年月日审核日期:年月日质量授权人:质量授权人:审核结论:审核结论:审核批准放行日期:年月日审核批准放行日期:年月日批粗粉碎生产指令标 题口服液制剂批生产记录文件编号SOR0X·A02-03版本号 03代替文件见附录 A修订法规依据《药品生产质量管理法律规范》(2024 修订版)相关文件依据《产品工艺规程》(文件编码: )修订情况说明依据《药品生产质量管理法律规范》(2024 修订版)及《产品工艺规程》(文件编码: )的规定对文件格式进行合并调整,内容进行补充完善,并对原有的错漏之处进行了增删与校正……。历次版本发布情况见附录 B制定(修订)人(签名): 日 期: 年 月 日生产部门审核人(签名): 日 期: 年 月 日质量部门审核人(签名): 日 期: 年 月 日批准 人(签名): 日 期: 年 月 日颁发部门GMP 办执行日期: 年 月 日分发部门总 经 理 [ ] [ ] 副 总 办 [ ] [ ] 总 工 办[] []质 量 部 [] [ ] 生 产 部[√] [ 1] 行 政 部 [ ] [ ] 工 程 部 [ ] [ ] 物 资 部 [] [] 销 售 部 [ ] [ ] 精品文档---下载后可任意编辑执行《工艺规程》(文件编码: )、《药品生产质量管理法律规范》(《药品生产质量管理法律规范》(20242024 年修订)年修订)批 号批 量生产周期年 月 日至 年 月 日执行标准现行版工艺规程、岗位标准操作程序(SOP)及相关 SOP流 程领料→粗粉碎饮片投料量品名编码单位数量品名编码单位数量说明签发人签发日期 年 月 日接 收 人接收日期年 月 日精品文档---下载后可任意编辑药材粗粉碎工序生产记录工序清场记录注:清场检查结果填写说明:符合规定划“√”,不符规定划“×”。批生产记录总汇表品名批号批量件生产日期年 月 日~ 年 月 日收得率%粉碎配料称量物料名粉前/g粉后/g物料名粉前/g粉后/g物料名称量/g物料名称量/g物料平衡操作人复核人称量人复称人渗漉浸润溶液量L浸润时间h渗漉溶剂量g渗漉速度ml/min渗漉时间日 时 分~ 日 ...

1、当您付费下载文档后,您只拥有了使用权限,并不意味着购买了版权,文档只能用于自身使用,不得用于其他商业用途(如 [转卖]进行直接盈利或[编辑后售卖]进行间接盈利)。
2、本站所有内容均由合作方或网友上传,本站不对文档的完整性、权威性及其观点立场正确性做任何保证或承诺!文档内容仅供研究参考,付费前请自行鉴别。
3、如文档内容存在违规,或者侵犯商业秘密、侵犯著作权等,请点击“违规举报”。

碎片内容

GMP口服液制剂全套批生产记录

您可能关注的文档

确认删除?
VIP
微信客服
  • 扫码咨询
会员Q群
  • 会员专属群点击这里加入QQ群
客服邮箱
回到顶部