电脑桌面
添加小米粒文库到电脑桌面
安装后可以在桌面快捷访问

发电厂课程设计

发电厂课程设计_第1页
1/25
发电厂课程设计_第2页
2/25
发电厂课程设计_第3页
3/25
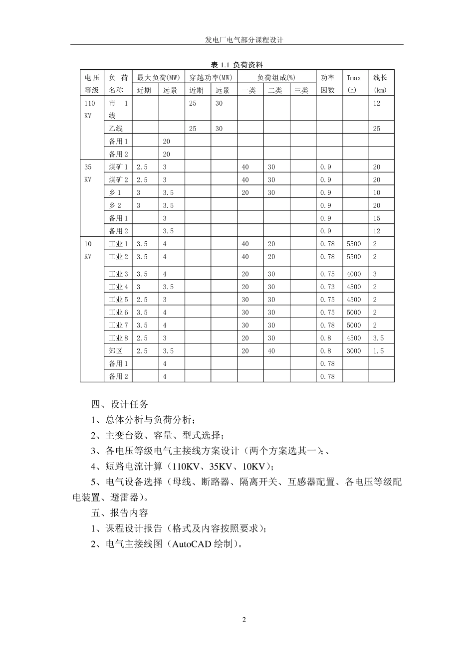
发电厂电气部分课程设计 1 1 原始材料的分析 1 .1 系统总体与负荷资料分析 变电站的作用可以简要的概括为一下五点变换电压等级、汇集电流、分配电能、控制电能的流向、调整电压。为保证电能的质量以及设备的安全,在变电站中还需进行电压调整、潮流,电力系统中各节点和支路中的电压、电流和功率的流向及分布,控制以及输配电线路和主要电工设备的保护。 (一)建设性质和规模 本所位于城市边缘,供给城,市和近郊工业、农业及生活用电,其性质为区域变电站。 电压等级:110/35/10KV 线路回数:110KV 近期 2 回,远景发展 2 回;35KV 近期 4 回,远景发展 2回;10KV 近期 9 回,远景发展 2 回。 (二)电力系统接线图 S1~S2~Xs1=0.6市变电站110KV110KV待建变电站S1=200MVAS2=1200MVAXs2=0.6150/12240/30185/25240/80240/80 图 1.1 系统接线图 (三) 负荷资料 (负荷同时率取0.8,线损取5%,平均功率因数取0.8) 发电厂电气部分课程设计 2 表1.1 负荷资料 电压等级 负荷名称 最大负荷(MW) 穿越功率(MW) 负荷组成(%) 功率 因数 Tmax (h) 线长 (km) 近期 远景 近期 远景 一类 二类 三类 110 KV 市1线 25 30 12 乙线 25 30 25 备用1 20 备用2 20 35 KV 煤矿1 2.5 3 40 30 0.9 20 煤矿2 2.5 3 40 30 0.9 20 乡1 3 3.5 20 30 0.9 10 乡2 3 3.5 0.9 20 备用1 3 0.9 15 备用2 3.5 0.9 12 10 KV 工业1 3.5 4 40 20 0.78 5500 2 工业2 3.5 4 40 20 0.78 5500 2 工业3 3.5 4 20 30 0.75 4000 3 工业4 3 3.5 20 30 0.73 4500 2 工业5 2.5 3 30 30 0.75 4500 2 工业6 3.5 4 30 30 0.75 5000 2 工业7 3.5 4 30 30 0.78 5000 2 工业8 2.5 3 20 30 0.8 4500 3.5 郊区 2.5 3.5 20 40 0.8 3000 1.5 备用1 4 0.78 备用2 4 0.78 四、设计任务 1、总体分析与负荷分析; 2、主变台数、容量、型式选择; 3、各电压等级电气主接线方案设计(两个方案选其一);、 4、短路电流计算(110KV、35KV、10KV); 5、电气设备选择(母线、断路器、隔离开关、互感器配置、各电压等级配电装置、避雷器)。 五、报告内容 1、课程设计报告(格式及内容按照要求); 2、电气主接线图(Au toCAD 绘制)。 发电厂电气部分课程设计 3 2 主变台数、容量、型式选择 2.1 主变压...

1、当您付费下载文档后,您只拥有了使用权限,并不意味着购买了版权,文档只能用于自身使用,不得用于其他商业用途(如 [转卖]进行直接盈利或[编辑后售卖]进行间接盈利)。
2、本站所有内容均由合作方或网友上传,本站不对文档的完整性、权威性及其观点立场正确性做任何保证或承诺!文档内容仅供研究参考,付费前请自行鉴别。
3、如文档内容存在违规,或者侵犯商业秘密、侵犯著作权等,请点击“违规举报”。

碎片内容

发电厂课程设计

确认删除?
VIP
微信客服
  • 扫码咨询
会员Q群
  • 会员专属群点击这里加入QQ群
客服邮箱
回到顶部