电脑桌面
添加小米粒文库到电脑桌面
安装后可以在桌面快捷访问

可发性聚苯乙烯

可发性聚苯乙烯_第1页
1/17
可发性聚苯乙烯_第2页
2/17
可发性聚苯乙烯_第3页
3/17
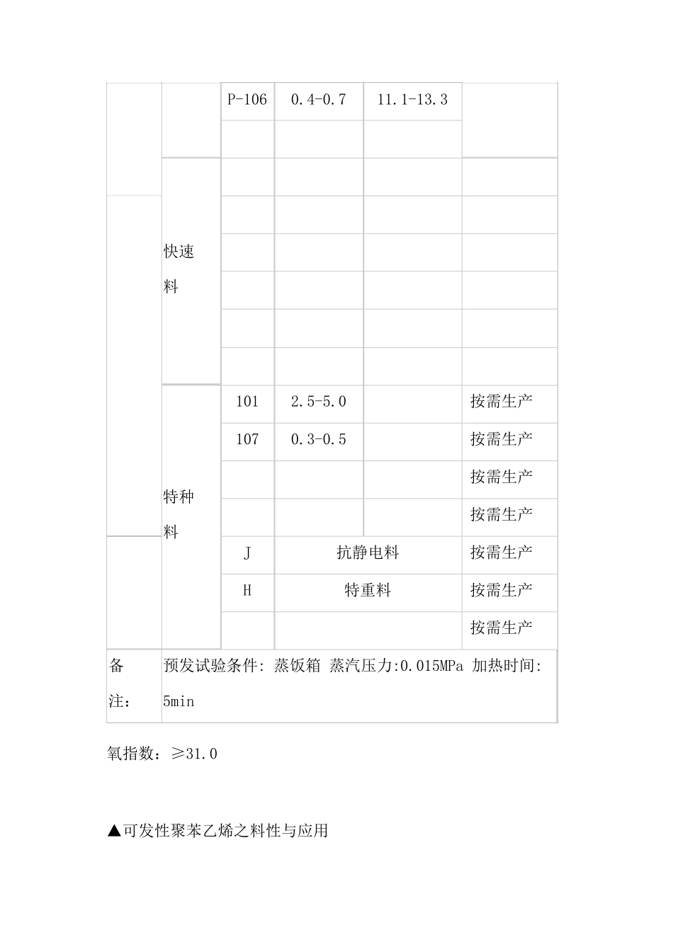
※ 可发性聚苯乙烯 ※ 产品规格 规格 粒径(mm) 泡粒密度(g/l) 残单含量(RM%) 阻燃料 F-102 1.6-2.5 11.8-12.5 0.1-0.2 F-103 1.2-1.6 11.8-12.5 F-104 0.8-1.2 12.5-15.4 F-105 0.6-0.9 13.3-16.7 F-106 0.4-0.7 15.4-20.0 普 通 科 中级料 E-102 1.6-2.5 10.5-12.5 0.3-0.5 E-103 1.2-1.6 10.5-12.5 E-104 0.8-1.2 11.8-14.3 E-105 0.6-0.9 12.5-15.4 E-106 0.4-0.7 14.3-18.2 轻级料 P-102 1.6-2.5 8.7-9.0 0.4-0.7 P-103 1.2-1.6 8.7-9.0 P-104 0.8-1.2 8.7-10.0 P-105 0.6-0.9 8.7-10.0 P-106 0.4-0.7 11.1-13.3 快速料 特种料 101 2.5-5.0 按需生产 107 0.3-0.5 按需生产 按需生产 按需生产 J 抗静电料 按需生产 H 特重料 按需生产 按需生产 备注: 预发试验条件: 蒸饭箱 蒸汽压力:0.015MPa 加热时间: 5min 氧指数:≥31.0 ▲可发性聚苯乙烯之料性与应用 可发性聚苯乙烯依正常使用粒度大小可区分为103、104、105、106等四种 E 标准料 发泡倍率稳定、长保存性 包装容器、板材、浮球缓衡材料、工艺品 F 阻燃料 强度高、成型快、高发泡、高氧指数 建材、土建、复合板、保温断热材料 B 快速料 节省能源、发泡快、成型快 缓衡材料、快速加工 P 特轻料 倍率高、光泽度高 渔箱、果菜箱,轻质板材 G 特殊规格料 工艺品等特殊用途 R 色料 安全帽、工艺品 J 抗静电料 有特殊防静电要求的电器产品 H 特重料 高强度、高硬度 安全帽、容器 ▲可发性聚苯乙烯之物性 规格 粒径(mm) 倍率 E 料 P 料 B 料 F 料 103 1.2-1.6 80-95 110-115 70-85 70-85 104 0.8-1.2 70-85 100-115 65-80 65-80 105 0.6-0.9 65-80 100-115 60-75 60-75 106 0.4-0.7 55-70 75-90 50-65 50-65 G 料 规格 粒径(mm) 倍率 特殊指定用途 101 2.5-5.0 90-110 102 1.6-2.5 85-100 107 0.3-0.5 15-35 可根据客户需要,随时生产。 企业标准 ▲技术要求 指标名称 普通级E 阻燃级F 发泡剂含量 ≤6.8% ≤6.8% 残留苯乙烯,WT ≤0.6% ≤0.2% 含水量,WT ≤1.0% ≤1.8% 颗粒筛析效率 ≥90% ≥90% 极限氧指数 / ≥30 ▲EPS 加工生产过程中常见弊病和原因及改善方法: EPS 加工技术和工艺在国内已日趋完善和成熟,但是随着同行竞争越来越激烈,利润越来越薄,EPS 加工厂家纷纷降低生产成本和...

1、当您付费下载文档后,您只拥有了使用权限,并不意味着购买了版权,文档只能用于自身使用,不得用于其他商业用途(如 [转卖]进行直接盈利或[编辑后售卖]进行间接盈利)。
2、本站所有内容均由合作方或网友上传,本站不对文档的完整性、权威性及其观点立场正确性做任何保证或承诺!文档内容仅供研究参考,付费前请自行鉴别。
3、如文档内容存在违规,或者侵犯商业秘密、侵犯著作权等,请点击“违规举报”。

碎片内容

可发性聚苯乙烯

您可能关注的文档

确认删除?
VIP
微信客服
  • 扫码咨询
会员Q群
  • 会员专属群点击这里加入QQ群
客服邮箱
回到顶部