电脑桌面
添加小米粒文库到电脑桌面
安装后可以在桌面快捷访问

PLC课程设计霓虹灯

PLC课程设计霓虹灯_第1页
1/11
PLC课程设计霓虹灯_第2页
2/11
PLC课程设计霓虹灯_第3页
3/11
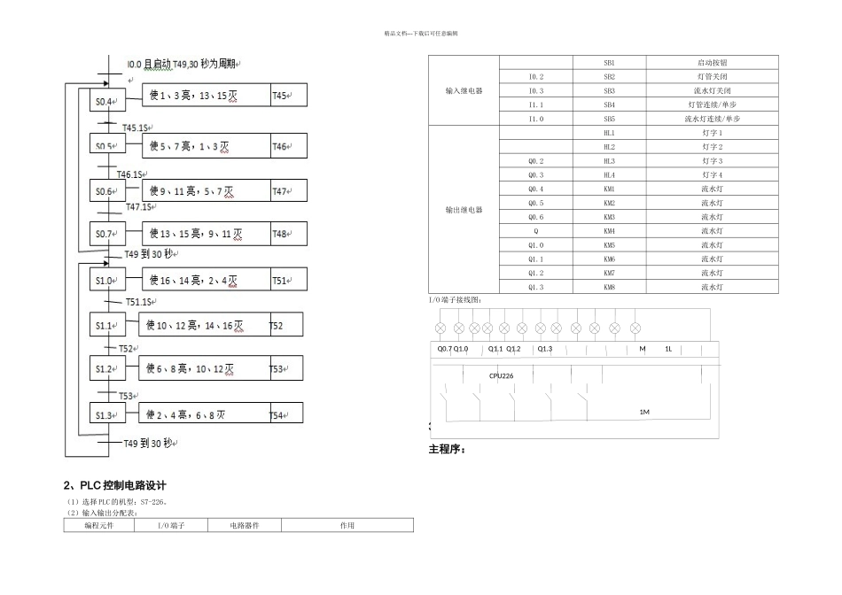
精品文档---下载后可任意编辑 学院:电气信息工程学院班级:自动化姓名:学号:指导老师:二、霓虹灯广告屏示意图 该广告屏共有 4 根灯管,16 只流水灯,每 4 只灯为一组,如下图所示:2. 控制要求:: (1)该广告屏中间 4 根灯管亮灭的时序为:第 1 根亮→2 亮→3 亮→……→第 4 根亮,时间间隔为1s,全亮后,显示 3s,再反过来从 4→3→……→1 按 1s 间隔顺序熄灭,全灭后停亮 2s;再从第 4 根开始亮,顺序点亮 4→……→1,时间间隔 1s,显示 5s,再从 1→2→……→4 按 1s 间隔顺序熄灭,全灭后停亮 2s,然后重复运行,周而复始。(2)16 只流水灯,4 个一组分成 4 组,从Ⅰ→Ⅱ→……四按 1s 时间间隔依次向前移动,且点亮时每相隔 1 灯为亮,即从Ⅰ“①、③”亮→Ⅱ“⑤、⑦”亮,同时Ⅰ“①、③”灭→Ⅲ“⑼ 、⑾”亮,同时Ⅱ“⑤、⑦”灭……,如此移动一段时间(如 30s)后,再反过来移动一段时间,四“ (16)、(14)亮→三“(12)、(10)”亮,同“(16)、(14)”灭,……如此循环往复。(3)系统有单步/连续控制,有起动和停止按钮。(4)起动时,灯管和流水灯同时起动,关闭时,可同时也可分别关闭。3. 编程并模拟调试4. 画出 I/O 端子接线图1、顺序功能图子程序 2精品文档---下载后可任意编辑2、PLC 控制电路设计(1)选择 PLC 的机型:S7-226。(2)输入输出分配表:编程元件I/O 端子电路器件作用输入继电器SB1启动按钮I0.2SB2灯管关闭I0.3SB3流水灯关闭I1.1SB4灯管连续/单步I1.0SB5流水灯连续/单步输出继电器HL1灯字 1HL2灯字 2Q0.2HL3灯字 3Q0.3HL4灯字 4Q0.4KM1流水灯Q0.5KM2流水灯Q0.6KM3流水灯QKM4流水灯Q1.0KM5流水灯Q1.1KM6流水灯Q1.2KM7流水灯Q1.3KM8流水灯I/O 端子接线图:3、梯形图:主程序: Q0.7 Q1.0 Q1.1 Q1.2Q1.3M1L CPU2261M精品文档---下载后可任意编辑精品文档---下载后可任意编辑精品文档---下载后可任意编辑精品文档---下载后可任意编辑精品文档---下载后可任意编辑精品文档---下载后可任意编辑精品文档---下载后可任意编辑精品文档---下载后可任意编辑精品文档---下载后可任意编辑4、调试过程出现的问题和解决措施或改进1、问题:编译无错但程序无法下载。原因:在 SCRT 段外使用了 SCRT 指令。解决办法:换成置位指令。2.问题:无法在任意过程中停止。 原因:只有一个 SCR 程序段有停止指令。解决方法:在每个 SCR 语句段...

1、当您付费下载文档后,您只拥有了使用权限,并不意味着购买了版权,文档只能用于自身使用,不得用于其他商业用途(如 [转卖]进行直接盈利或[编辑后售卖]进行间接盈利)。
2、本站所有内容均由合作方或网友上传,本站不对文档的完整性、权威性及其观点立场正确性做任何保证或承诺!文档内容仅供研究参考,付费前请自行鉴别。
3、如文档内容存在违规,或者侵犯商业秘密、侵犯著作权等,请点击“违规举报”。

碎片内容

PLC课程设计霓虹灯

不二商店+ 关注
实名认证
内容提供者

我是你的不二选择

确认删除?
VIP
微信客服
  • 扫码咨询
会员Q群
  • 会员专属群点击这里加入QQ群
客服邮箱
回到顶部