电脑桌面
添加小米粒文库到电脑桌面
安装后可以在桌面快捷访问

冲压模具课程设计说明书模板分解

冲压模具课程设计说明书模板分解_第1页
1/14
冲压模具课程设计说明书模板分解_第2页
2/14
冲压模具课程设计说明书模板分解_第3页
3/14
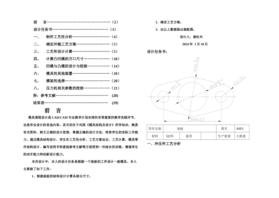
前 言……………………………………………(2)设计任务书………………………………………(3)一、制件工艺性分析…………………………(4)二、确定冲裁工艺方案………………………(5)三、工艺和设计计算…………………………(5)四、计算凸凹模的刃口尺寸…………………(10)五、凹模与凸模的设计与校核………………(14)六、模具的其他装置…………………………(18)七、模架的选择………………………………(20)八、压力机相关参数的校核…………………(21)附:参考文献…………………………………… (28)结束语…………………………………………… (29) 前 言模具课程设计是 CAD/CAM 专业教学计划安排的非常重要的教学实践环节,也是毕业设计的首选内容。其目的在于巩固《模具结构及设计》所学知识,熟悉有关资料,树立正确的设计思想,掌握正确的设计方法,培育学生的实际工作能力。通过模具结构设计,学生在工艺性分析、工艺方案论证、工艺计算、模具零件结构设计、编写说明书和查阅参考文献等方面受到一次综合的训练,增强学生的动手能力和创新设计能力。本次设计中,本人的设计任务是根据一个座板的工件设计一副模具。本人主要做了如下工作:1、根据座板的结构设计计算各部分尺寸;2、确定工艺方案;3、由以上数据画出装配图。 设计人:谢杜兴 2024 年 1 月 10 日设计任务书:零件名称 座板图号A003材料Q235板厚生产批量大批量一、冲压件工艺分析精品文档---下载后可任意编辑零件名称 座板图号A003材料Q235板厚生产批量大批量1、材料:Q235,具有良好的冲压性能。2、冲裁件的尺寸精度和表面粗糙度:零件的位置精度 56 和尺寸精度 Φ 11、Φ28、Φ38、R12 未给公差,圆形尺寸精度等级 IT11,非圆形尺寸精度等级IT13,查表确定公差值为56±0.23 、 φ110+0.11、φ280+0.13、φ38−0.160、R12−0.110。3、工件结构:结构简单,形状对称,有利于材料的合理利用。结论:适合冲裁二、确定冲裁工艺方案该零件包括落料、冲孔两道工序,可以采纳以下三种工艺方案。 1、先冲孔,再落料,采纳单工序模生产。 2、落料—冲孔复合冲压,采纳复合模生产。 3、冲孔—落料连续冲压,采纳级进模生产。 方案一:采纳单工序模,需要 2 道工序,且多次中心距定位产生累积误差大,导致孔的位置精度不高,需要两副模具生产,且效率低,不适宜采纳。 方案二:采纳复合模生产,在一副模具当中,同时完成两个或两个以上的...

1、当您付费下载文档后,您只拥有了使用权限,并不意味着购买了版权,文档只能用于自身使用,不得用于其他商业用途(如 [转卖]进行直接盈利或[编辑后售卖]进行间接盈利)。
2、本站所有内容均由合作方或网友上传,本站不对文档的完整性、权威性及其观点立场正确性做任何保证或承诺!文档内容仅供研究参考,付费前请自行鉴别。
3、如文档内容存在违规,或者侵犯商业秘密、侵犯著作权等,请点击“违规举报”。

碎片内容

冲压模具课程设计说明书模板分解

您可能关注的文档

确认删除?
VIP
微信客服
  • 扫码咨询
会员Q群
  • 会员专属群点击这里加入QQ群
客服邮箱
回到顶部