电脑桌面
添加小米粒文库到电脑桌面
安装后可以在桌面快捷访问

教材机械设计课程设计任务书

教材机械设计课程设计任务书_第1页
1/35
教材机械设计课程设计任务书_第2页
2/35
教材机械设计课程设计任务书_第3页
3/35
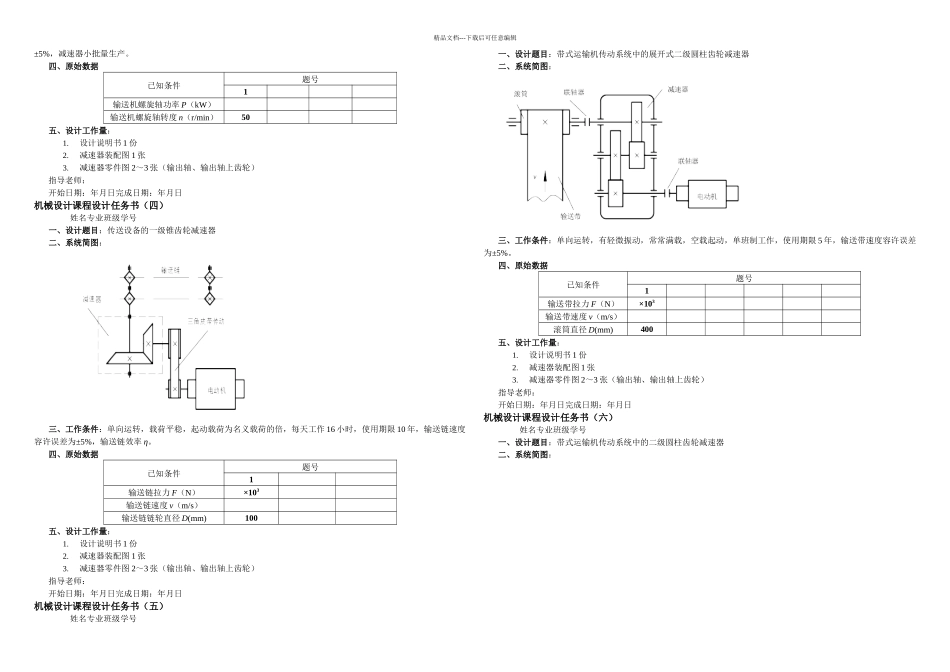
精品文档---下载后可任意编辑姓名专业班级学号一、设计题目:带式运输机传动系统中的一级圆柱齿轮减速器二、系统简图:三、工作条件:输送机连续工作,单向运转,载荷变化不大,空载起动,使用期限 10 年,两班制工作,输送带速度容许误差为±5%。四、原始数据已知条件题号1输送带拉力 F(N)3×103输送带速度 v(m/s)滚筒直径 D(mm)400五、设计工作量:1.设计说明书 1 份2.减速器装配图 1 张3.减速器零件图 2~3 张(输出轴、输出轴上齿轮)指导老师:开始日期:年月日完成日期:年月日机械设计课程设计任务书(二)姓名专业班级学号一、设计题目:带式运输机传动系统中的一级圆柱齿轮减速器二、系统简图:三、工作条件:传动不逆转,载荷平稳,起动载荷为名义载荷的倍,输送带速度容许误差为±5%。四、原始数据已知条件题号1输送带拉力 F(N)3200输送带速度 v(m/s)滚筒直径 D(mm)450每日工作时数 T(小时)16传动工作年限(年)10五、设计工作量:1.设计说明书 1 份2.减速器装配图 1 张3.减速器零件图 2~3 张(输出轴、输出轴上齿轮)指导老师:开始日期:年月日完成日期:年月日机械设计课程设计任务书(三)姓名专业班级学号一、设计题目:螺旋输送机传动系统中的一级圆柱齿轮减速器二、系统简图:三、工作条件:螺旋输送机单向运转,有轻微振动,两班制工作,使用期限 5 年,输送机螺旋轴转速的容许误差为精品文档---下载后可任意编辑±5%,减速器小批量生产。四、原始数据已知条件题号1输送机螺旋轴功率 P(kW)输送机螺旋轴转度 n(r/min)50五、设计工作量:1.设计说明书 1 份2.减速器装配图 1 张3.减速器零件图 2~3 张(输出轴、输出轴上齿轮)指导老师:开始日期:年月日完成日期:年月日机械设计课程设计任务书(四)姓名专业班级学号一、设计题目:传送设备的一级锥齿轮减速器二、系统简图:三、工作条件:单向运转,载荷平稳,起动载荷为名义载荷的倍,每天工作 16 小时,使用期限 10 年,输送链速度容许误差为±5%,输送链效率 η。四、原始数据已知条件题号1输送链拉力 F(N)×103输送链速度 v(m/s)输送链链轮直径 D(mm)100五、设计工作量:1.设计说明书 1 份2.减速器装配图 1 张3.减速器零件图 2~3 张(输出轴、输出轴上齿轮)指导老师:开始日期:年月日完成日期:年月日机械设计课程设计任务书(五)姓名专业班级学号一、设计题目:带式运输机传动系统中的展开式二级...

1、当您付费下载文档后,您只拥有了使用权限,并不意味着购买了版权,文档只能用于自身使用,不得用于其他商业用途(如 [转卖]进行直接盈利或[编辑后售卖]进行间接盈利)。
2、本站所有内容均由合作方或网友上传,本站不对文档的完整性、权威性及其观点立场正确性做任何保证或承诺!文档内容仅供研究参考,付费前请自行鉴别。
3、如文档内容存在违规,或者侵犯商业秘密、侵犯著作权等,请点击“违规举报”。

碎片内容

教材机械设计课程设计任务书

人从众+ 关注
实名认证
内容提供者

欢迎光临小店,本店以公文和教育为主,希望符合您的需求。

确认删除?
VIP
微信客服
  • 扫码咨询
会员Q群
  • 会员专属群点击这里加入QQ群
客服邮箱
回到顶部